LEMON Manuals: Even more car manuals for everyone: 1960-2025
Home >> Oldsmobile >> 1987 >> Ninety-Eight V6-231 3.8L >> Repair and Diagnosis >> Powertrain Management >> Diagrams >> Electrical Diagrams >> PRNDL Decoder Module & Transaxle Position Switch
April 5, 2026: LEMON Manuals is launched! Read the announcement.

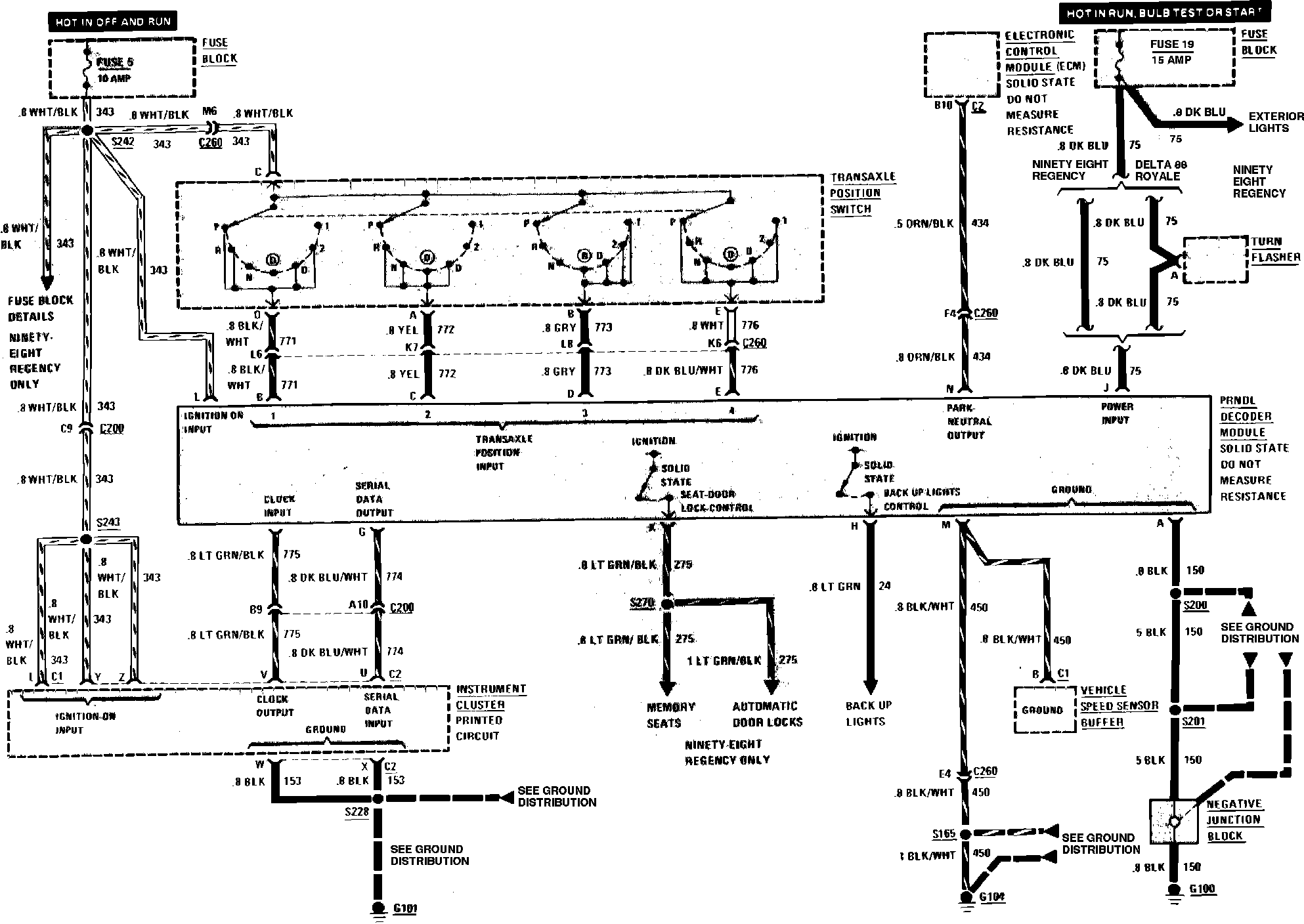
PRNDL Decoder Module & Transaxle Position Switch

Instrument Panel Indicators, Decoder Module & Transaxle Position Switch Wiring Circuit. W/Digital Cluster: