LEMON Manuals: Even more car manuals for everyone: 1960-2025
Home >> Oldsmobile >> 1994 >> Achieva SC, 2.3 A >> Repair and Diagnosis >> Engine Performance >> System >> Engine Controls - Tests W/Codes - 2.3L >> ECM/Pcm Code Charts >> Code 24, Vehicle Speed Sensor >> Diagnostic Aids
April 5, 2026: LEMON Manuals is launched! Read the announcement.

Diagnostic Aids

A faulty or misadjusted park/neutral switch may set a false Code 24. Use scan tester to check for proper signal in Drive while wiggling shifter. Code 24 may set if vehicle is power braked (brakes applied and throttle depressed) for more than 10 seconds.

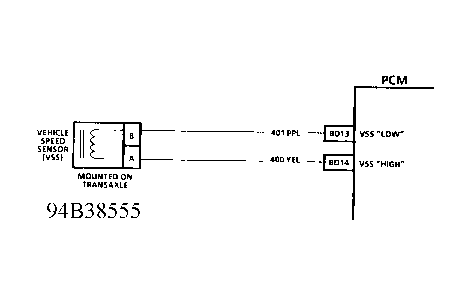
Fig 1: Code 24 Schematic (2.3L) Vehicle Speed Sensor
G94B38555
Fig 2: Code 24 Flow Chart (2.3L) Vehicle Speed Sensor
G91A07290