LEMON Manuals: Even more car manuals for everyone: 1960-2025
Home >> Oldsmobile >> 1994 >> Achieva SC, 2.3 A >> Repair and Diagnosis >> Engine Performance >> System >> Engine Controls - Tests W/Codes - 2.3L >> ECM/Pcm Code Charts >> Code 65, Injector Current Low >> Diagnostic Aids
April 5, 2026: LEMON Manuals is launched! Read the announcement.

Diagnostic Aids

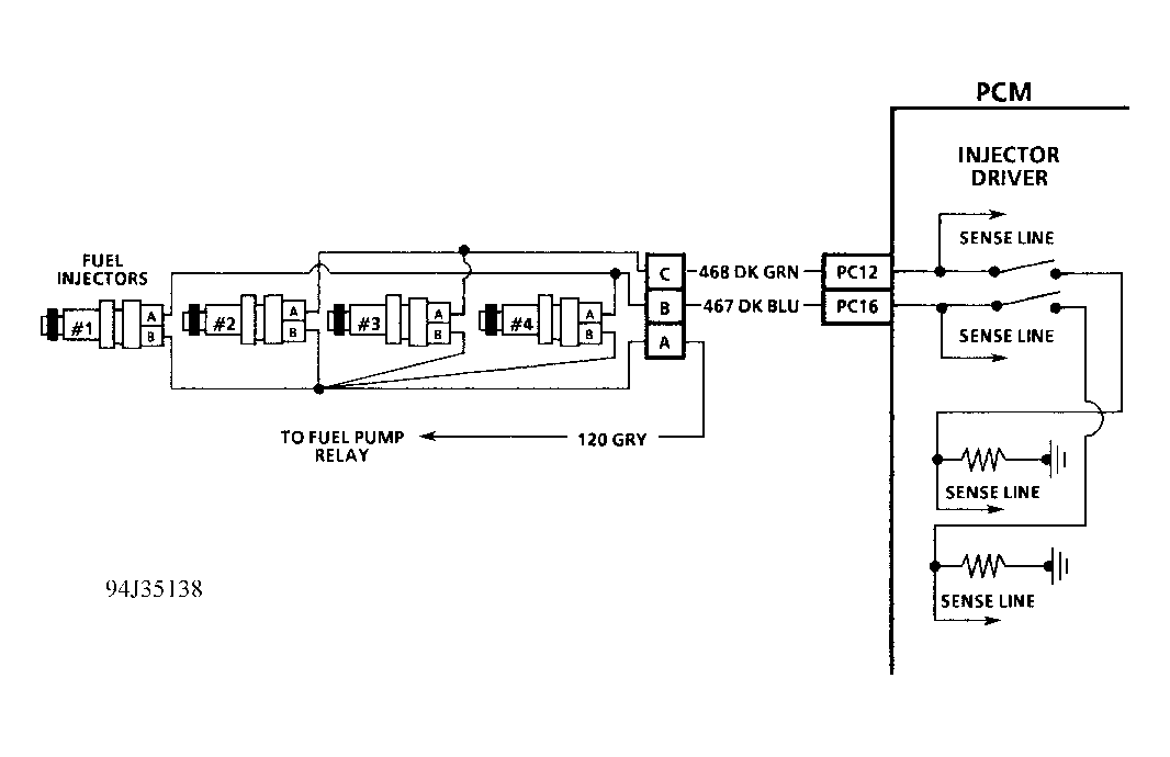
An open in injector drive or "peak and hold" circuits or PCM drive circuits shorted to voltage will cause a Code 65 to be set and also cause misfire due to an inoperative pair of injectors. "Peak and hold" circuits shorted to ground will cause a Code 65 to set while allowing injectors to pulse. An intermittent problem would have to be present for at least 20 seconds to set Code 65.

Fig 1: Code 65 Schematic (2.3L) Injector Current Low
G94J35138
Fig 2: Code 65 Flow Chart (2.3L - 1 Of 2) Injector Current Low
G91E07367
Fig 3: Code 65 Flow Chart (2.3L - 2 Of 2) Injector Current Low
G91G07368