LEMON Manuals: Even more car manuals for everyone: 1960-2025
Home >> Oldsmobile >> 1994 >> Achieva SC, 2.3 A >> Repair and Diagnosis >> Engine Performance >> System >> Engine Controls - Tests W/Codes - 3.1L >> ECM/Pcm Code Charts >> Code 42, Ic Circuit Open/Grounded >> Diagnostic Aids
April 5, 2026: LEMON Manuals is launched! Read the announcement.

Diagnostic Aids

Scan tester does not have ability to help diagnose a Code 42 problem. See INTERMITTENTS in TESTS W/O CODES article in this section.

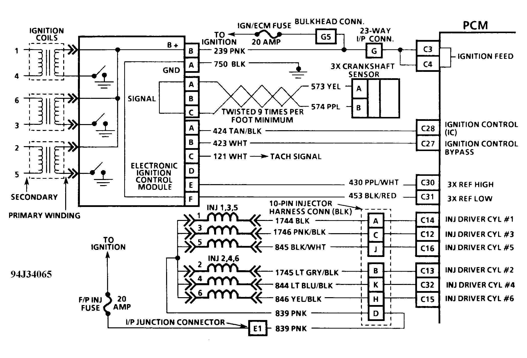
Fig 1: Code 42 Schematic (3.1L) IC Circuit Open/Grounded
G94J34065
Fig 2: Code 42 Flow Chart (3.1L) IC Circuit Open/Grounded
G91I07345