LEMON Manuals: Even more car manuals for everyone: 1960-2025
Home >> Oldsmobile >> 2000 >> Bravada V6-4.3L VIN W >> Repair and Diagnosis >> Diagrams >> Electrical Diagrams >> Powertrain Management >> Computers and Control Systems >> Body Control Module >> PWR,GND,Transfer Case Shift CNTRL Module & VIU
April 5, 2026: LEMON Manuals is launched! Read the announcement.

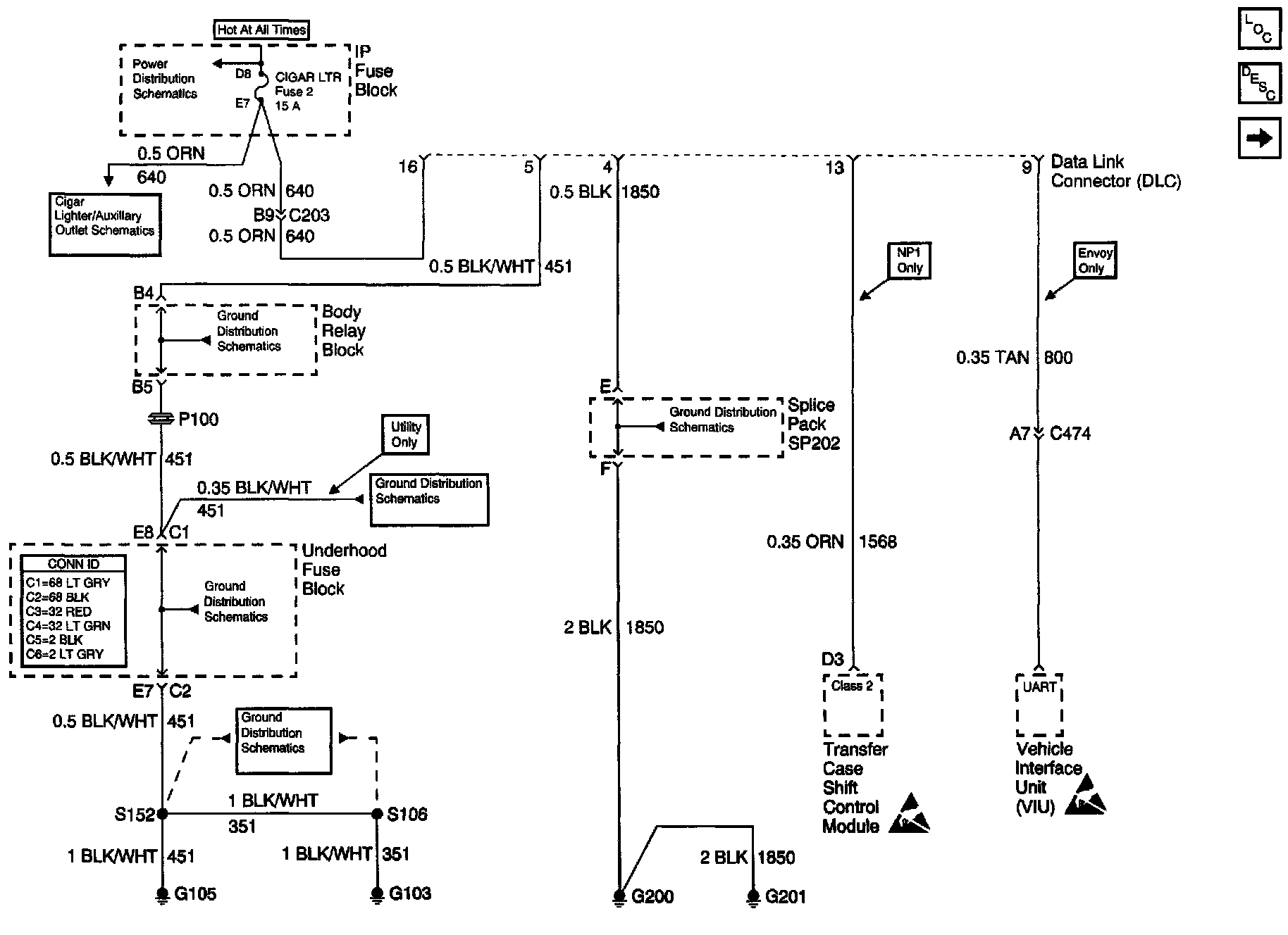
PWR,GND,Transfer Case Shift CNTRL Module & VIU

Data Link Connector (DLC) Schematics: Power, Ground, Transfer Case Shift Control Module And Vehicle Interface Unit (VIU):