LEMON Manuals: Even more car manuals for everyone: 1960-2025
Home >> Oldsmobile >> 2000 >> Bravada V6-4.3L VIN W >> Repair and Diagnosis >> Diagrams >> Electrical Diagrams >> Powertrain Management >> Computers and Control Systems >> Body Control Module >> Passlock Sensor, Liftglass Relay And RAP Relay
April 5, 2026: LEMON Manuals is launched! Read the announcement.

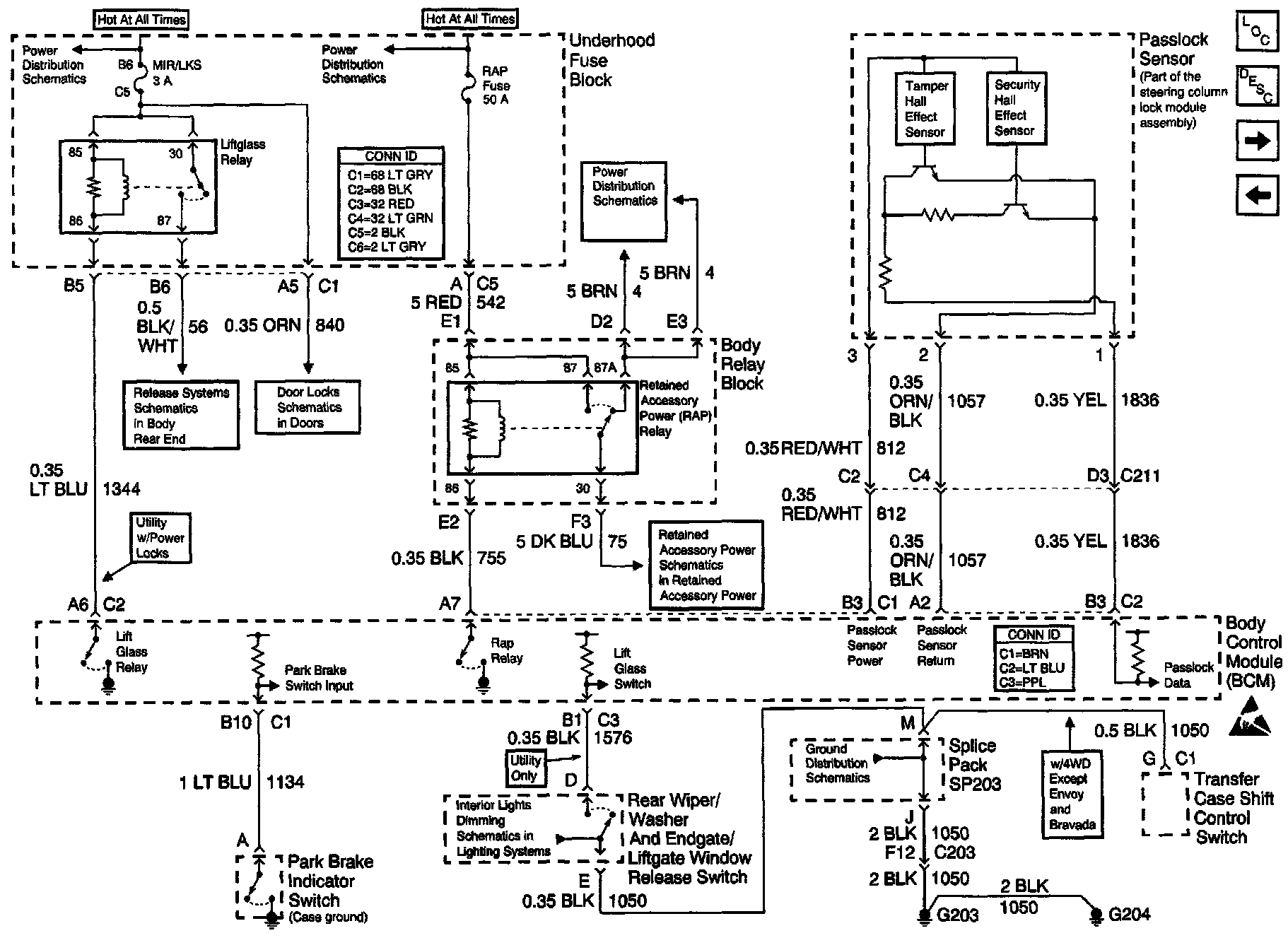
Passlock Sensor, Liftglass Relay And RAP Relay

Body Control Module Schematics: PasslockTM Sensor, Liftglass Relay And RAP Relay: