LEMON Manuals: Even more car manuals for everyone: 1960-2025
Home >> Oldsmobile >> 2002 >> Intrigue GL >> Repair and Diagnosis (Single Page) >> Accessories & Equipment >> Wiper/Washer Systems >> Wiper System And Washer System >> Repair Instructions >> Wiper Drive System Module Replacement >> Removal Procedure
April 5, 2026: LEMON Manuals is launched! Read the announcement.

Removal Procedure

  1. Remove the air inlet grille panel. Refer to AIR INLET GRILLE PANEL REPLACEMENT
  2. Remove the wiper motor water deflector. Refer to Wiper Motor Water Deflector Replacement 
  3. Using the J 39232,  disconnect wiper transmission from the wiper motor crank arm to aid in the removal of the wiper drive system module.
    Fig 1: Removing Wiper Transmission From Wiper Motor Crank Arm Using J 39232
    G01830705Courtesy of GENERAL MOTORS CORP.
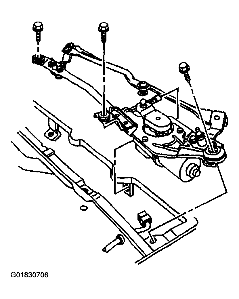
  4. Remove the wiper drive system module screws.
  5. Disconnect the wiper motor electrical connector.
  6. Remove the wiper drive system module from the vehicle.
    Fig 2: Removing Wiper Drive System Module, Electrical Connector & Screws
    G01830706Courtesy of GENERAL MOTORS CORP.