LEMON Manuals: Even more car manuals for everyone: 1960-2025
Home >> Pontiac >> 1994 >> Firebird Formula, 2D Convertible, Standard >> Repair and Diagnosis >> Engine Performance >> System >> Engine Controls - Tests W/Codes - 3.4L >> ECM/Pcm Code Charts >> Code 28, Transmission Range Pressure Switch >> Diagnostic Aids
April 5, 2026: LEMON Manuals is launched! Read the announcement.

Diagnostic Aids

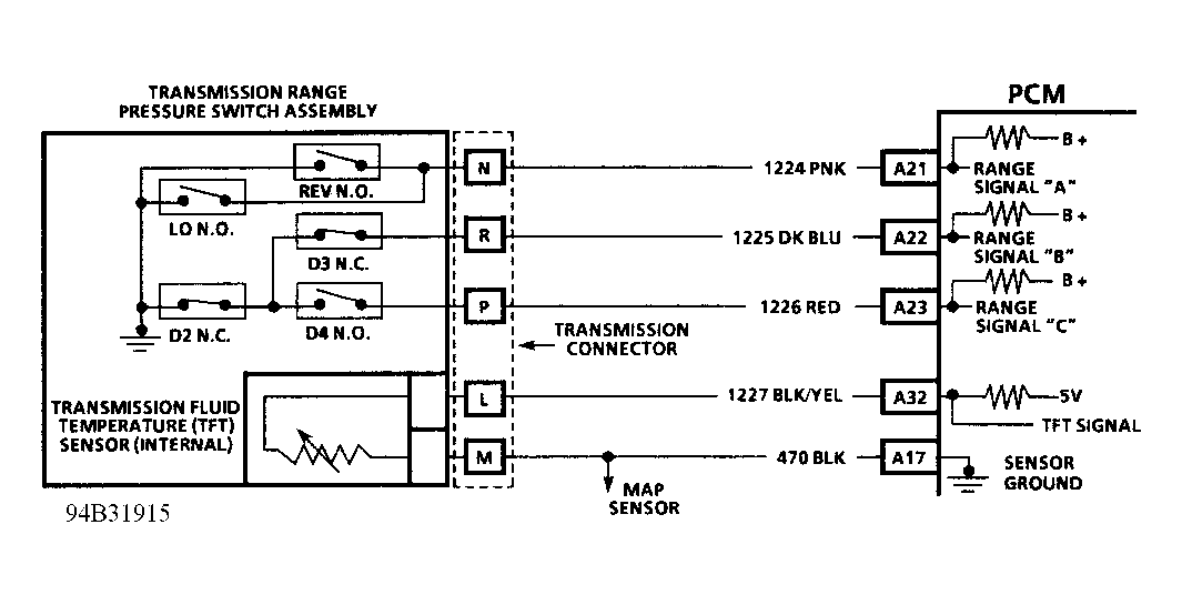
Code will set if PCM detects one of 2 illegal combinations. Check all connections for good contact.

Fig 1: Code 28 Schematic (3.4L) Transmission Range Pressure Switch
G94B31915
Fig 2: Code 28 Flow Chart (3.4L) Transmission Range Pressure Switch
G94I31920