LEMON Manuals: Even more car manuals for everyone: 1960-2025
Home >> Pontiac >> 1994 >> Firebird Formula, 2D Convertible, Standard >> Repair and Diagnosis >> Engine Performance >> System >> Engine Controls - Tests W/Codes - 3.4L >> ECM/Pcm Code Charts >> Code 80, Transmission Component Slipping >> Diagnostic Aids
April 5, 2026: LEMON Manuals is launched! Read the announcement.

Diagnostic Aids

Check for poor connections at pass-through connector. A faulty transmission range pressure switch assembly may set Code 80.

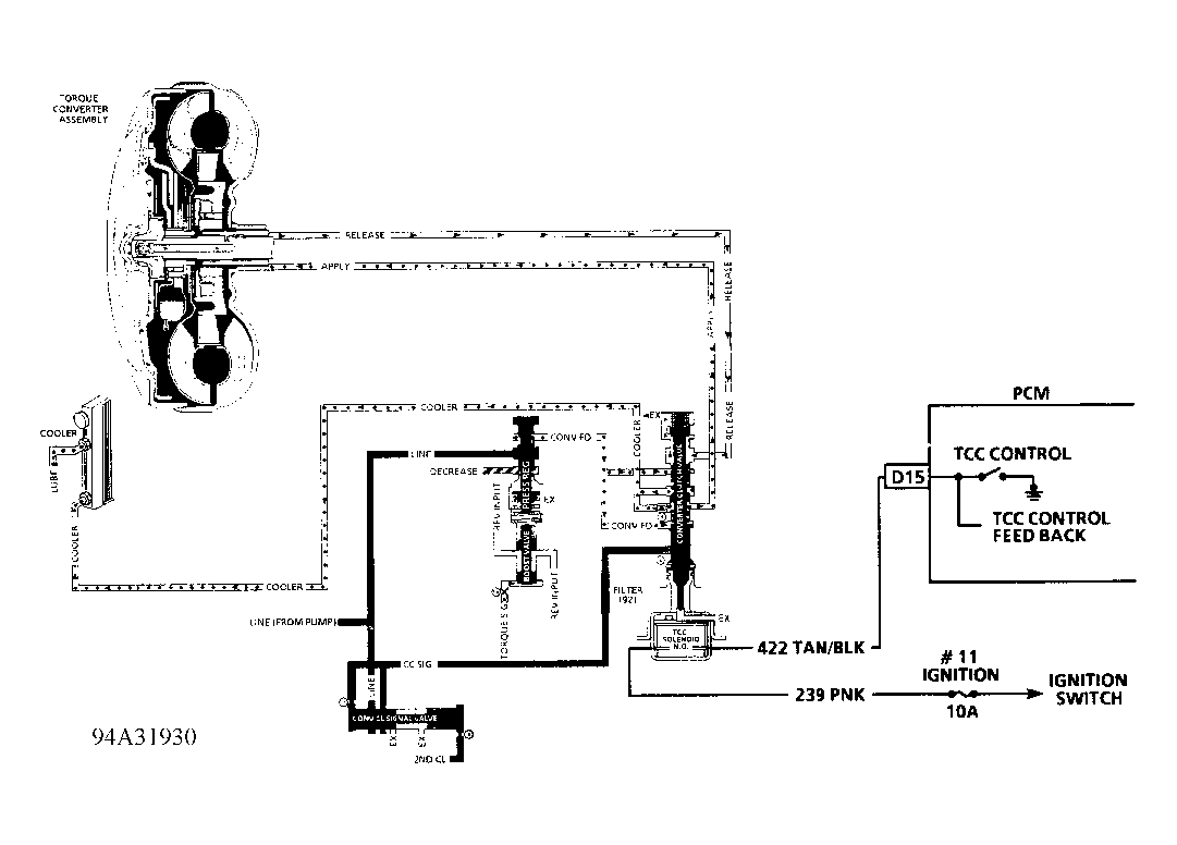
Fig 1: Code 80 Schematic (3.4L) Transmission Component Slipping
G94A31930
Fig 2: Code 80 Flow Chart Transmission Component Slipping (3.4L)
G94F31935