LEMON Manuals: Even more car manuals for everyone: 1960-2025
Home >> Pontiac >> 1995 >> Firebird Formula, 2D Convertible, Automatic >> Repair and Diagnosis >> Engine Performance >> System >> Engine Controls - Tests W/Codes - 3.4L >> ECM/Pcm Code Charts >> Code 69, A/C Compressor Relay
April 5, 2026: LEMON Manuals is launched! Read the announcement.

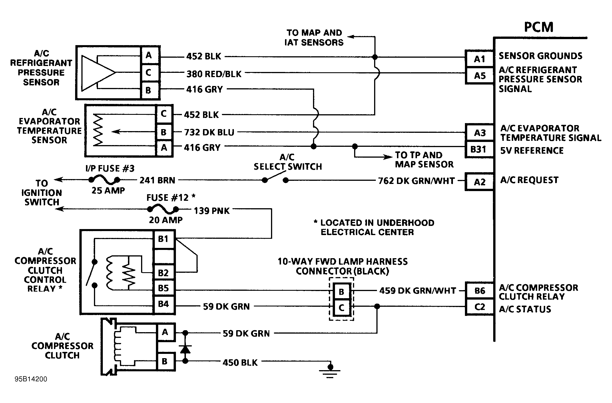
Code 69, A/C Compressor Relay

When PCM detects A/C has been requested, PCM will activate the A/C clutch relay. When the relay has been activated, voltage should be present at both the A/C compressor clutch and the A/C clutch status line terminal of the PCM. If the PCM activates the A/C clutch relay but does not detect voltage present at A/C status terminal for more than 10 seconds, Code 69 will set. An open or short to ground at any point in the A/C status circuit will cause Code 69 to set. A Code 69 fault will be stored in PCM memory but will not turn on the SERVICE ENGINE SOON light.

NOTE: Test numbers refer to numbers on diagnostic chart.
  1. A problem that may prevent compressor from engaging may or may not cause Code 69 to set.
  2. If the A/C compressor clutch operates properly and scan tester indicates A/C status off, then an open exists between the PCM and the splice to the compressor.
Fig 1: Code 69 Schematic (3.4L (VIN S)) A/C Compressor Relay
G95B14200
Fig 2: Code 69 Diagnostic Flow Chart (3.4L (VIN S)) A/C Compressor Relay
G95H14230