LEMON Manuals: Even more car manuals for everyone: 1960-2025
Home >> Pontiac >> 1998 >> Firefly (CANADA) L4-1.3L >> Repair and Diagnosis >> Powertrain Management >> Computers and Control Systems >> Relays and Modules - Computers and Control Systems >> Main Relay (Computer/Fuel System) >> Locations
April 5, 2026: LEMON Manuals is launched! Read the announcement.

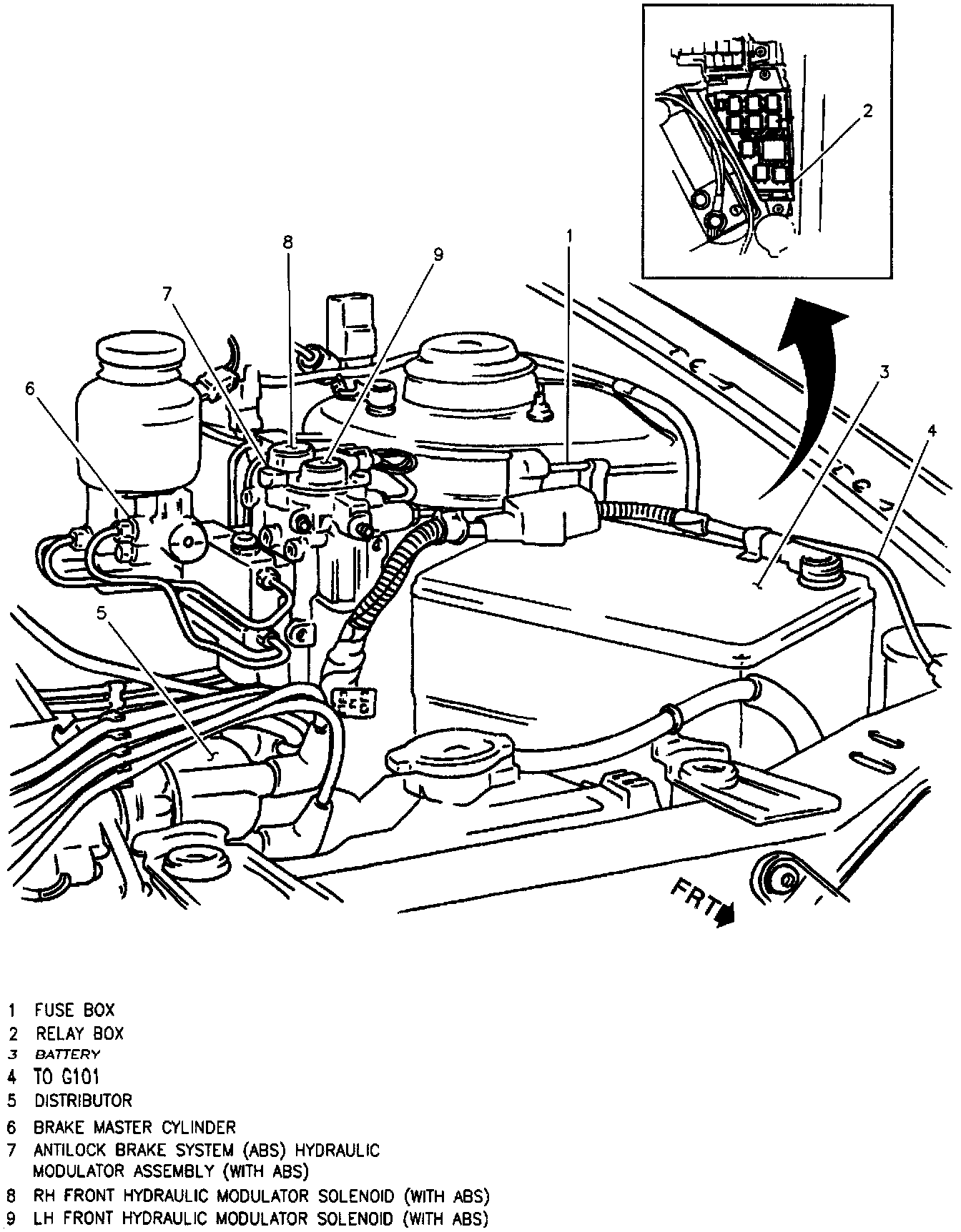
Main Relay (Computer/Fuel System): Locations

A1: Relay Box:



LH Engine Compartment: