LEMON Manuals: Even more car manuals for everyone: 1960-2025
Home >> Pontiac >> 2001 >> Aztek Base, AWD >> Repair and Diagnosis >> External Pages >> Different car >> Section 1468 (Mirror System & Window System) >> Diagnostic Information and Procedures >> DTC B0285: Open Or Short To Ground In The Rear Defog Relay Control Circuit >> Notes
April 5, 2026: LEMON Manuals is launched! Read the announcement.

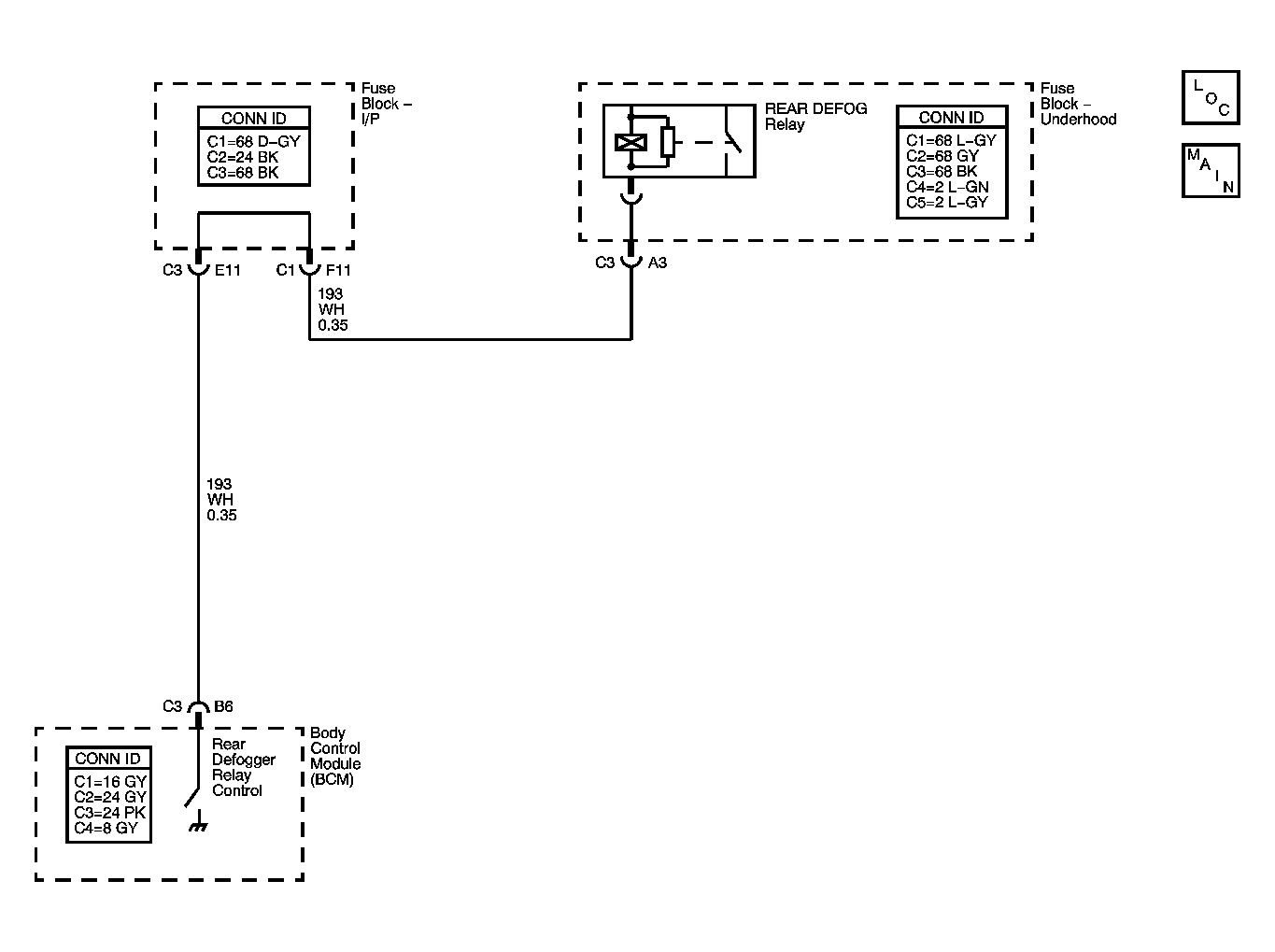
DTC B0285: Open Or Short To Ground In The Rear Defog Relay Control Circuit: Notes

WARNING: This page is about a different car, the 2003 Saturn Vue. However, it is still accessible from the selected car via links, so may be relevant.
Fig 1: DTC B0285 Wiring Diagram
GM1239237Courtesy of GENERAL MOTORS CORP.