LEMON Manuals: Even more car manuals for everyone: 1960-2025
Home >> Pontiac >> 2002 >> Aztek V6-3.4L VIN E >> Repair and Diagnosis >> Diagrams >> Exploded Views >> Automatic Transmission/Transaxle
April 5, 2026: LEMON Manuals is launched! Read the announcement.

Automatic Transmission/Transaxle

Disassembled Views








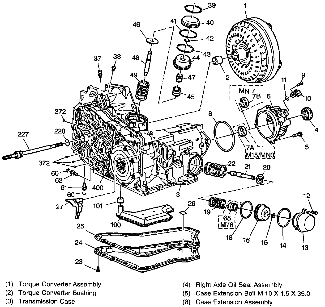
Case and Associated Parts (1 of 4)








Case and Associated Parts (2 of 4)








Case and Associated Parts (3 of 4)








Case and Associated Parts (4 of 4)





Oil Pump Assembly





Control Valve Body Assembly (1 of 2)





Control Valve Body Assembly (2 of 2)








Case Cover Assembly








Internal Components (1 of 2)








Internal Components (2 of 2)





Manual Shaft and Parking System Assembly





Transmission to Transfer Case Components