LEMON Manuals: Even more car manuals for everyone: 1960-2025
Home >> Pontiac >> 2004 >> GTO Standard >> Repair and Diagnosis >> Brakes >> Antilock Brake System And Traction Control System >> Repair Instructions >> Accelerator and Servo Control Module (ASM) Replacement >> Installation Procedure
April 5, 2026: LEMON Manuals is launched! Read the announcement.

Installation Procedure

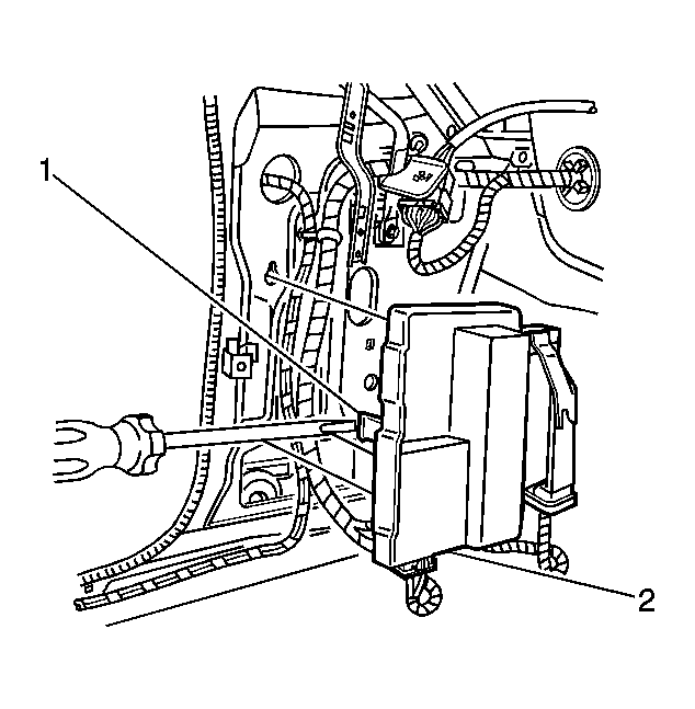
    Fig 1: View Of ASM Control Module & Retaining Tabs
    GM1361081Courtesy of GENERAL MOTORS CORP.
  1. Slide the ASM control module (2) into the mounting bracket. Engage the two retaining tabs (1) on the mounting bracket.
  2. Fig 2: View Of Locker Lever, Connector & ASM Control Module
    GM1310406Courtesy of GENERAL MOTORS CORP.
  3. Connect the accelerator and servo control module (ASM) connector as follows:
    • Engage the base of the connector (2) into the ASM control module (3).
    • Push the top of the connector (2) into the ASM control module (3).
    • Push the locking lever (1) downward. Ensure the lever seats flush with the top of the connector housing.
  4. Fig 3: View Of Mounting Bracket & Lower Retaining Tab
    GM1310338Courtesy of GENERAL MOTORS CORP.
  5. Engage the upper retaining tab by pushing upward on the bracket.
  6. Engage the lower retaining tab (1) by gently pushing inward on the base of the mounting bracket (2).
  7. Install the left hand hinge pillar trim panel. Refer to Trim Replacement - Hinge Pillar in Interior Trim.
  8. Connect the battery negative cable. Refer to Battery Negative Cable Disconnect/Connect Procedure in Engine Electrical.