LEMON Manuals: Even more car manuals for everyone: 1960-2025
Home >> Pontiac >> 2004 >> Vibe Base, AWD >> Repair and Diagnosis >> Engine Performance >> System >> Engine Control System (Introduction) - 1.8L (LV6) >> Schematic and Routing Diagrams >> Engine Controls Schematics
April 5, 2026: LEMON Manuals is launched! Read the announcement.

Engine Controls Schematics

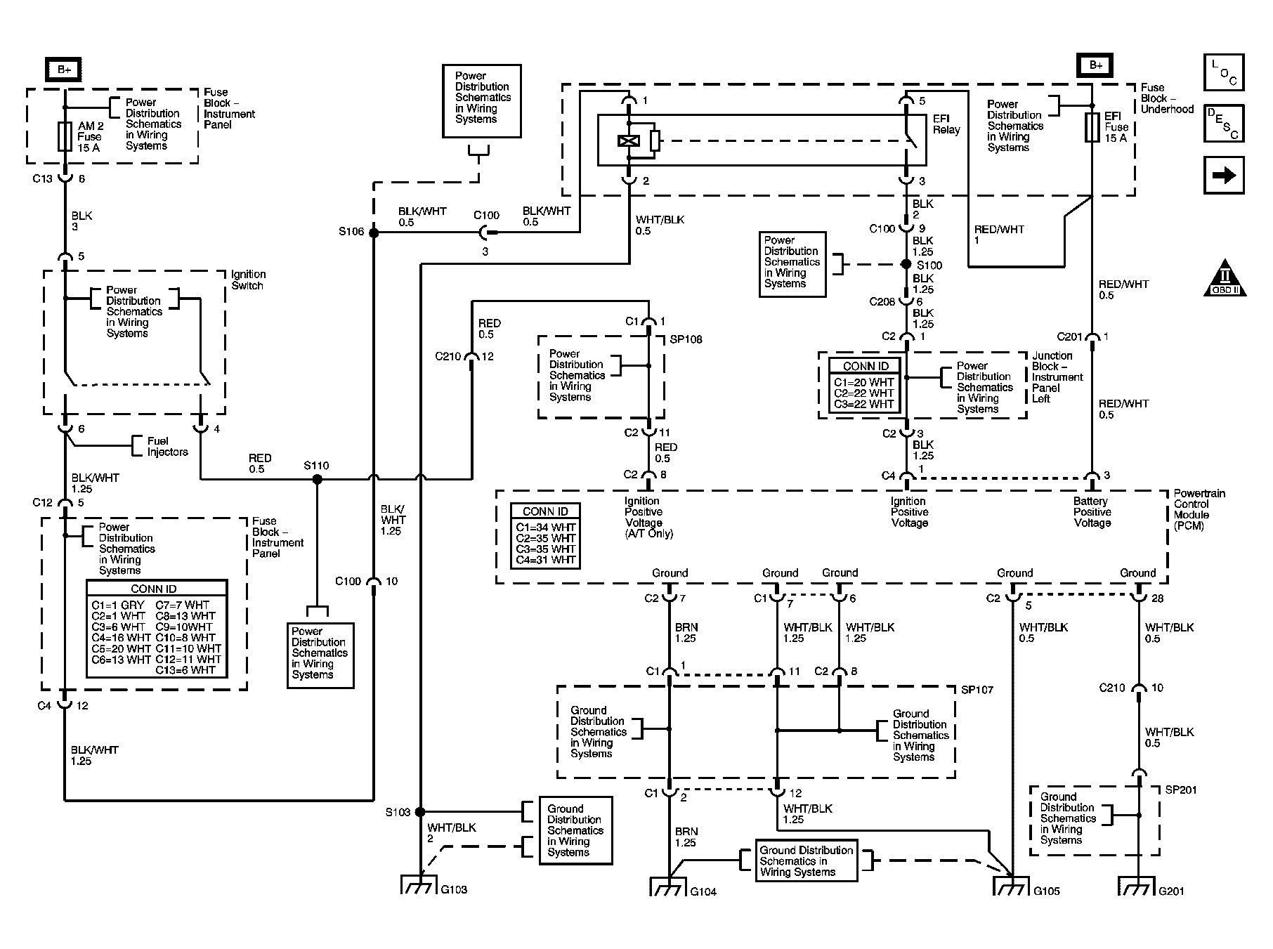
Fig 1: Powertrain Control Module (PCM) Power and Ground Schematic
GM785454Courtesy of GENERAL MOTORS CORP.
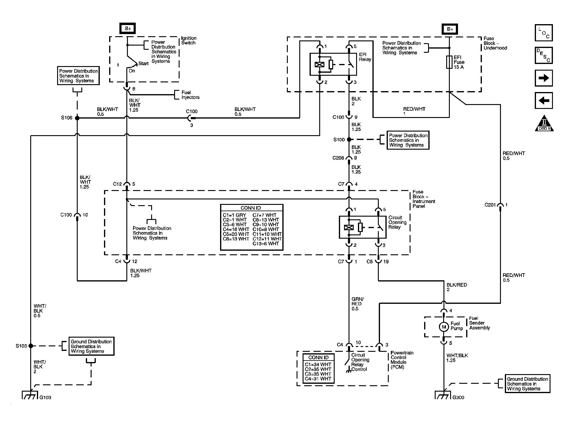
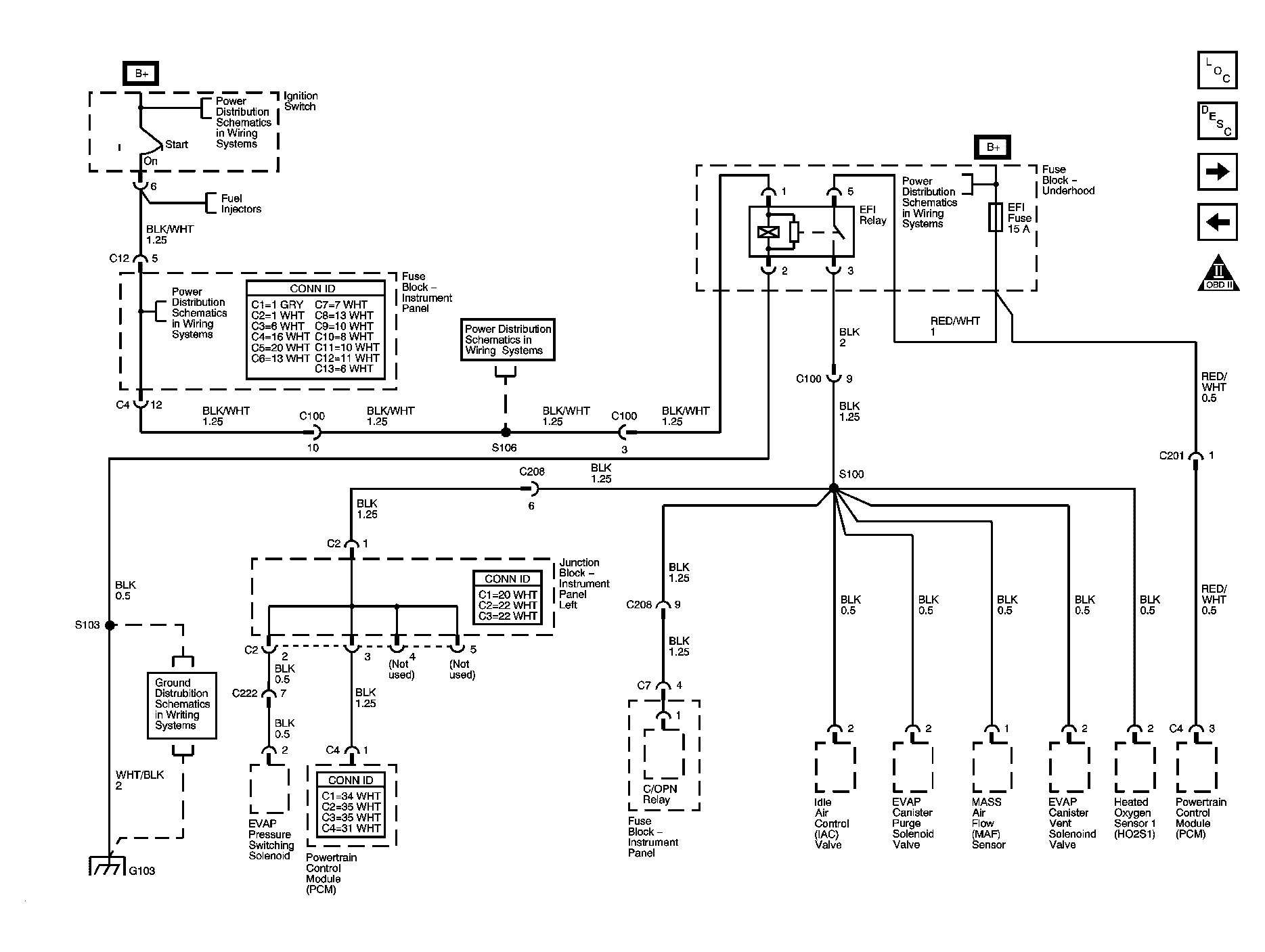
Fig 2: EFI Relay, S 100 Schematic
GM785457Courtesy of GENERAL MOTORS CORP.
Fig 3: Data Link Connector Schematic - 1 Of 2
GM785476Courtesy of GENERAL MOTORS CORP.
Fig 4: Data Link Connector Schematic - 1 Of 2
GM787259Courtesy of GENERAL MOTORS CORP.
Fig 5: Circuit Opening Relay, Fuel Sender Assembly Schematic
GM785462Courtesy of GENERAL MOTORS CORP.
Fig 6: Fuel Injectors Schematic
GM785486Courtesy of GENERAL MOTORS CORP.
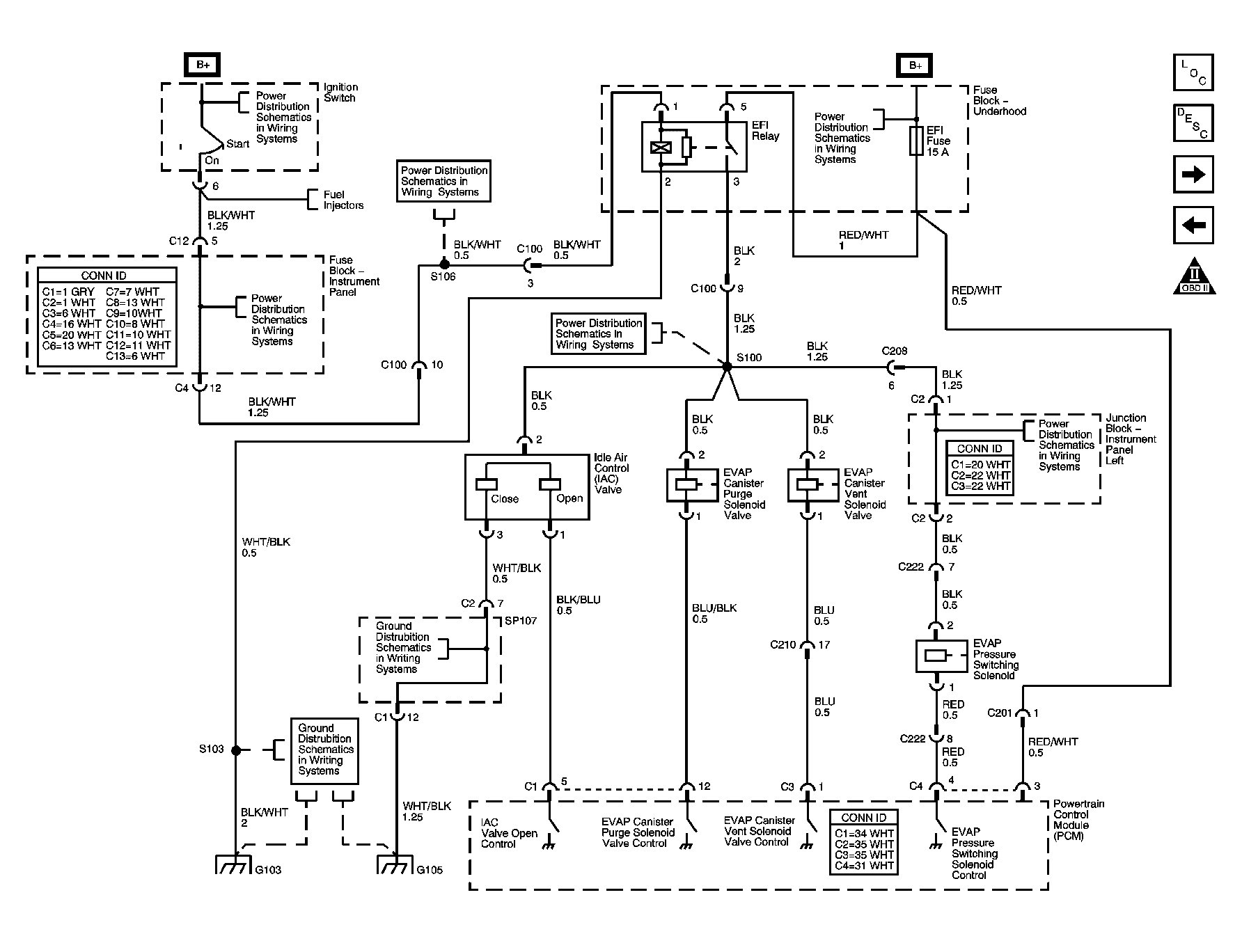
Fig 7: Idle Air Control (IAC) Valve, EVAP Solenoids Schematic
GM785470Courtesy of GENERAL MOTORS CORP.
Fig 8: Ignition System Schematic
GM785458Courtesy of GENERAL MOTORS CORP.
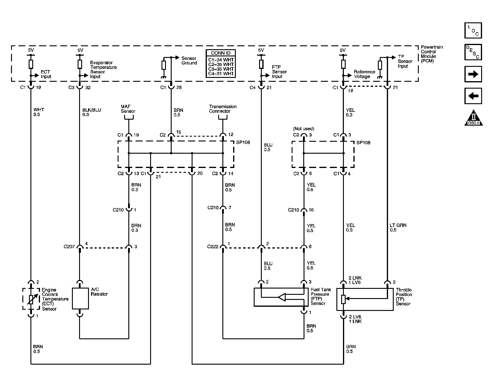
Fig 9: ECT, Evaporator Temperature, Fuel Tank Pressure TP Sensors Schematic
GM785465Courtesy of GENERAL MOTORS CORP.
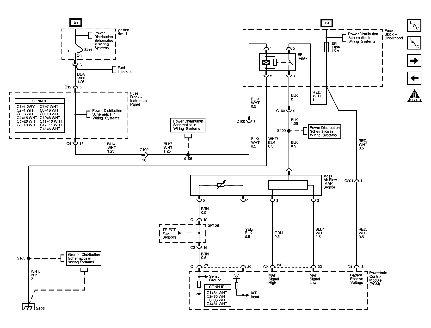
Fig 10: Mass Air Flow (MAF) Sensor Schematic
GM785466Courtesy of GENERAL MOTORS CORP.
Fig 11: KS, CMP, CKP Sensors, CMP Actuator Solenoid Valve Schematic
GM785460Courtesy of GENERAL MOTORS CORP.
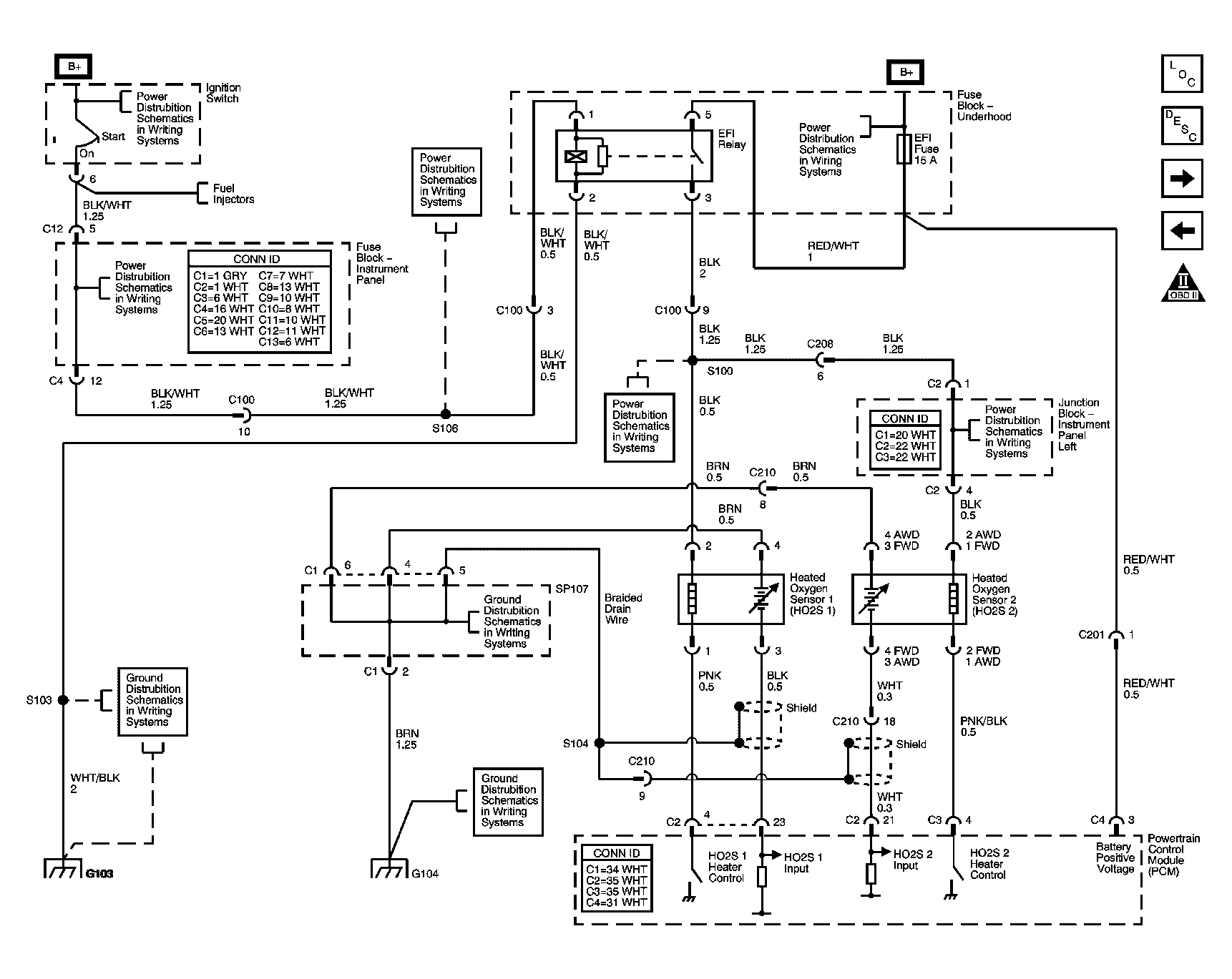
Fig 12: Heated Oxygen Sensors Schematic
GM785467Courtesy of GENERAL MOTORS CORP.
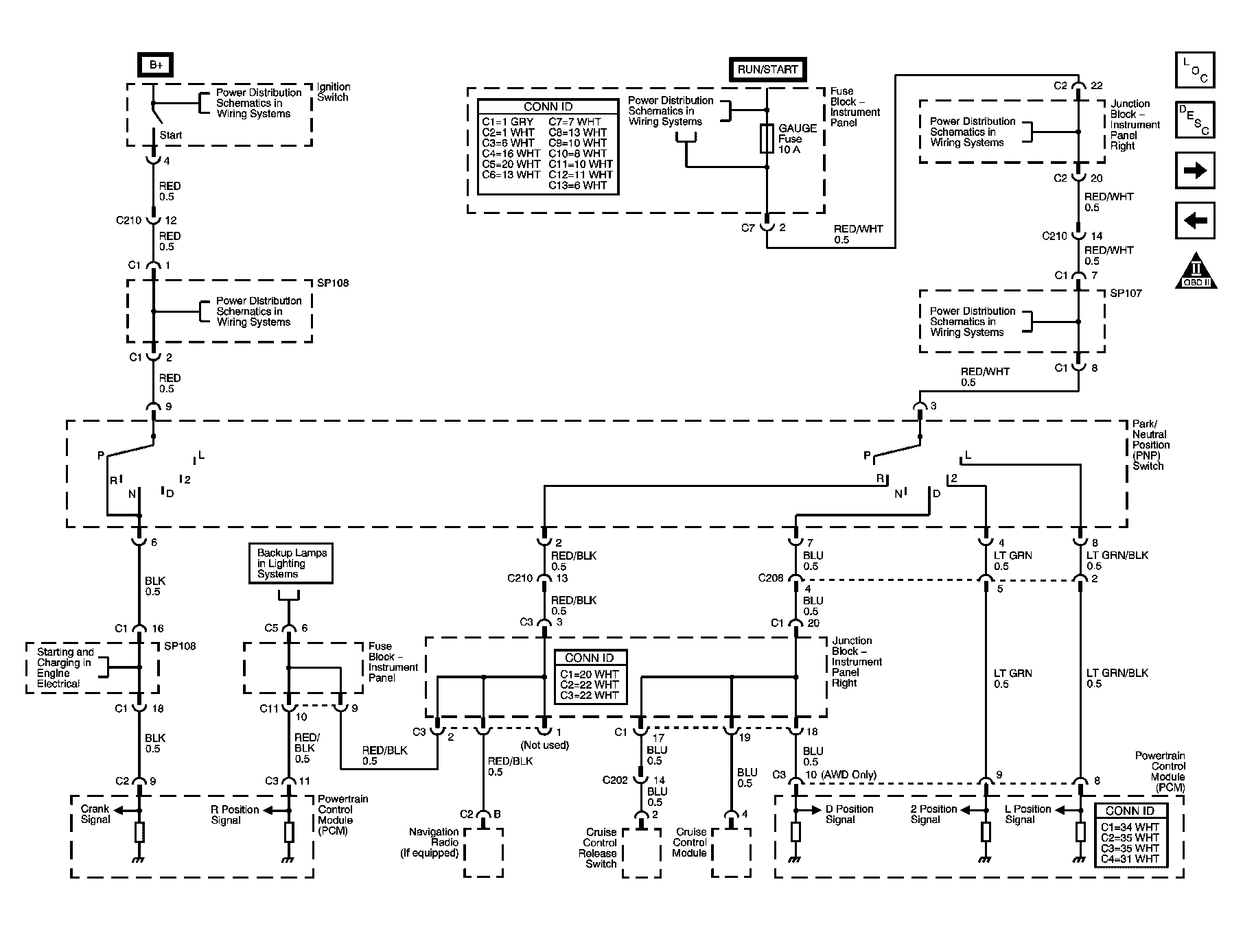
Fig 13: Park/Neutral Position Switch Schematic
GM785559Courtesy of GENERAL MOTORS CORP.
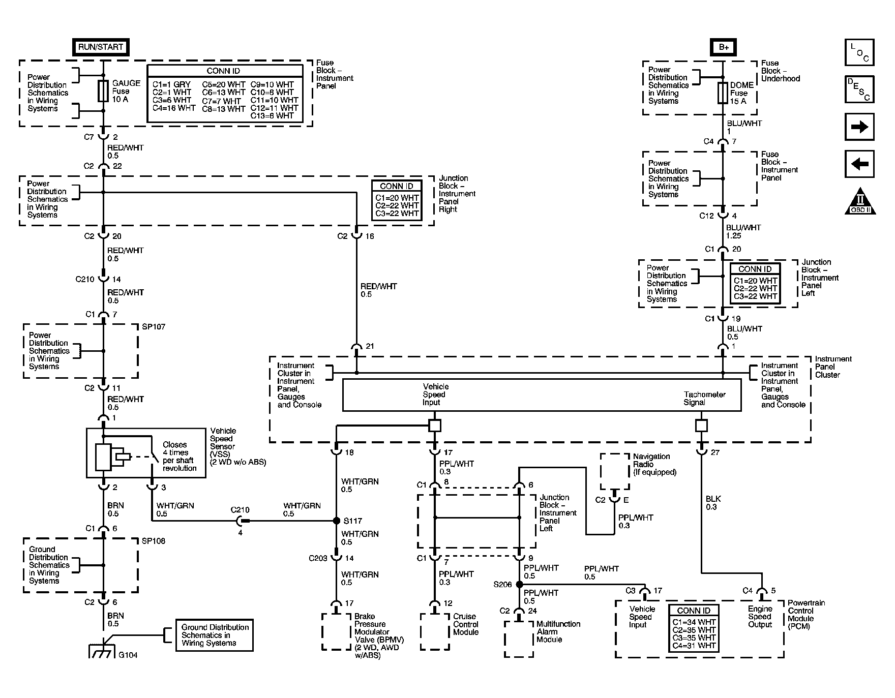
Fig 14: Vehicle Speed Input, Tachometer Signal Schematic
GM785468Courtesy of GENERAL MOTORS CORP.
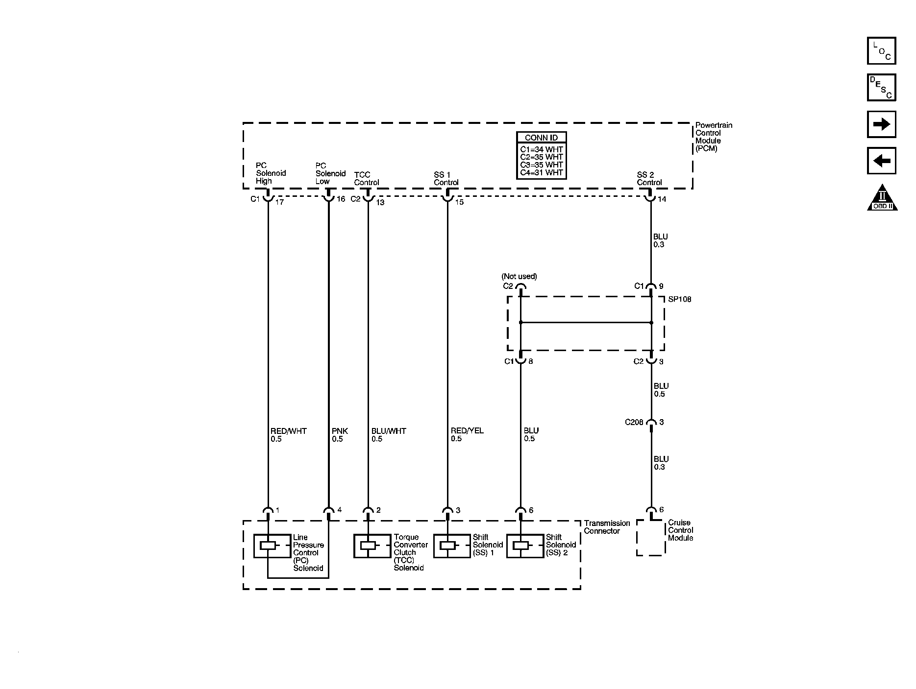
Fig 15: Automatic Transmission Controls FWD Schematic
GM785471Courtesy of GENERAL MOTORS CORP.
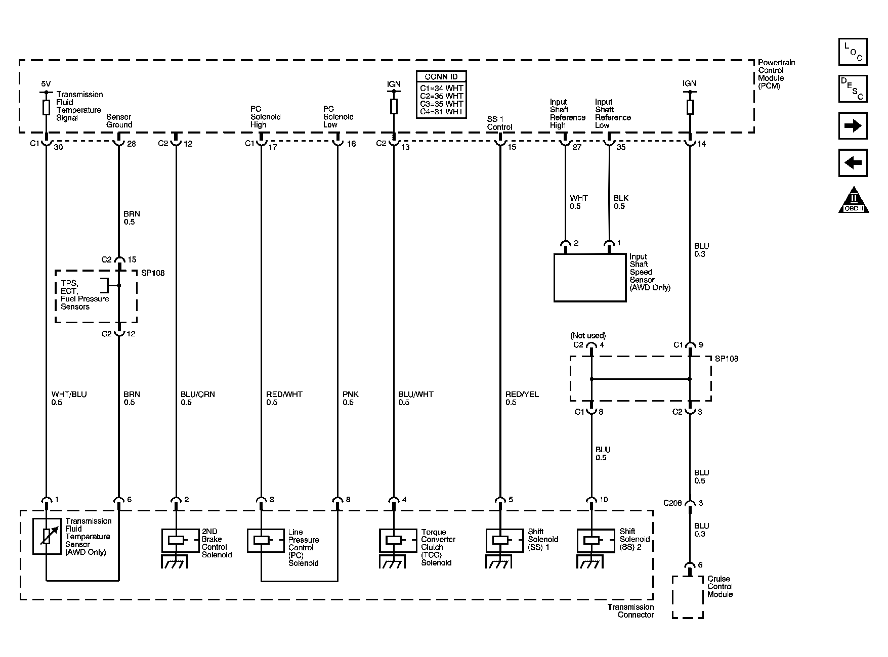
Fig 16: Automatic Transmission Controls AWD Schematic
GM785474Courtesy of GENERAL MOTORS CORP.
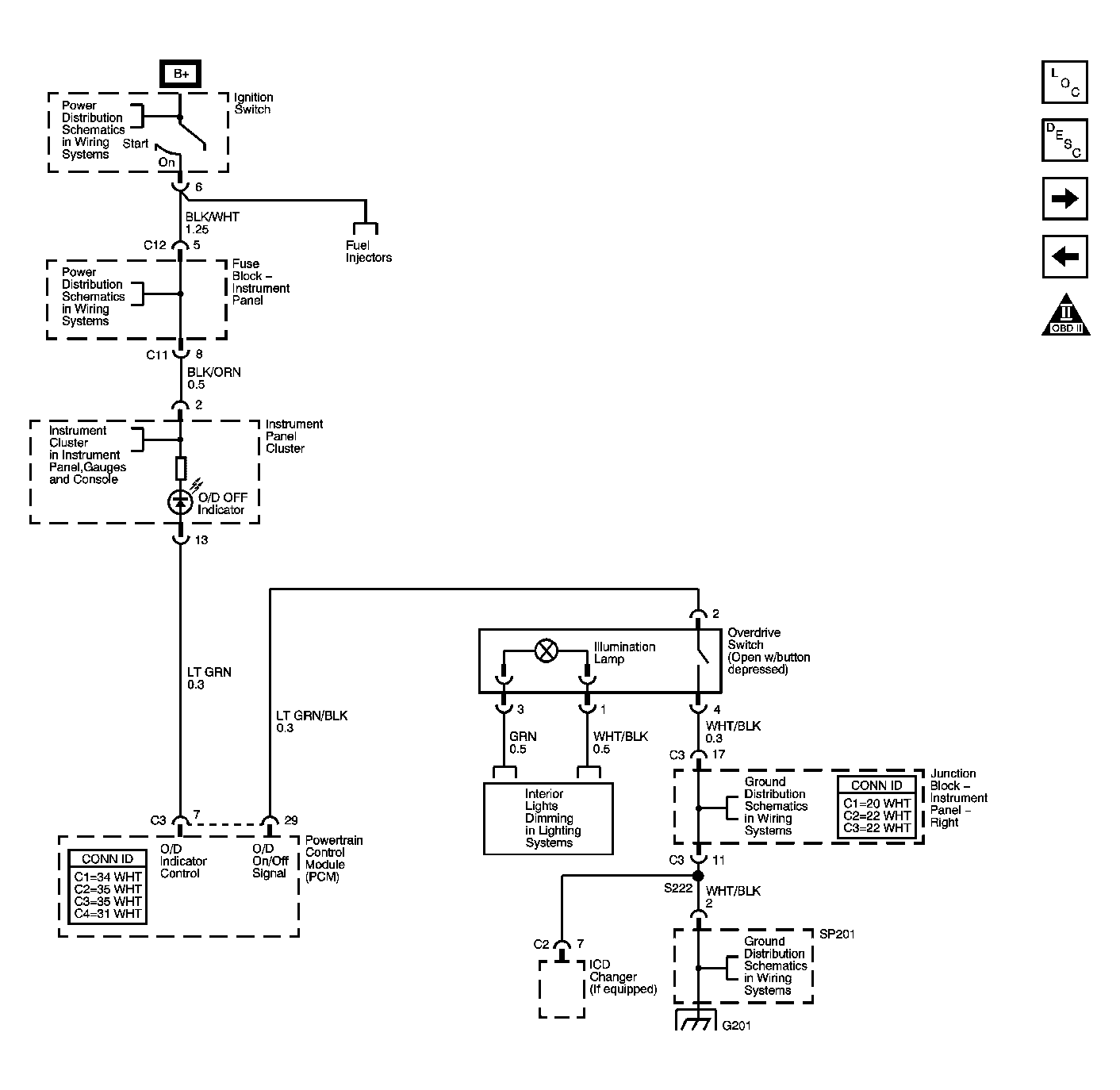
Fig 17: Overdrive Switch Schematic
GM785455Courtesy of GENERAL MOTORS CORP.
Fig 18: Powertrain Control Module (PCM) Idle-Up Inputs Schematic
GM785461Courtesy of GENERAL MOTORS CORP.