LEMON Manuals: Even more car manuals for everyone: 1960-2025
Home >> Pontiac >> 2006 >> Solstice Automatic >> Repair and Diagnosis >> External Pages >> Different car >> Section 249 (Supplemental Inflatable Restraint System) >> Component Locator >> SIR Component Views
April 5, 2026: LEMON Manuals is launched! Read the announcement.

SIR Component Views

WARNING: This page is about a different car, the 2007 Chevrolet Monte Carlo and 2007 Chevrolet Impala. However, it is still accessible from the selected car via links, so may be relevant.
Fig 1: Identifying LF Engine Compartment
GM1653137Courtesy of GENERAL MOTORS CORP.
Callout Component Name
1 Mass Air Flow (MAF)/Intake Air Temperature (IAT) Sensor
2 Brake Booster Vacuum Sensor (LS4)
3 Windshield Wiper Motor
4 Electronic Brake Control Module (EBCM)
5 A/C Refrigerant Pressure Sensor
6 Transmission Control Module (TCM)
7 Engine Control Module (ECM)
8 G101
9 Inflatable Restraint Front End Sensor - Left
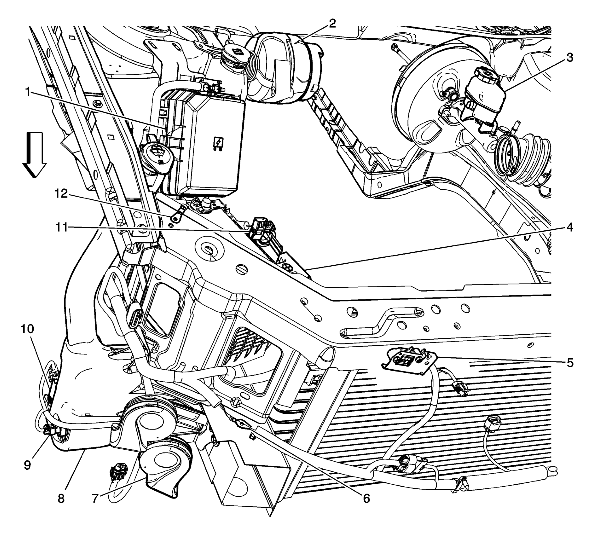
Fig 2: Identifying RF Engine Compartment
GM1653146Courtesy of GENERAL MOTORS CORP.
Callout Component Name
1 Fuse Block - Underhood
2 Generator
3 Brake Fluid Level Switch
4 Battery
5 Inflatable Restraint Front End Sensor - Right
6 G100
7 Horn Assembly
8 Windshield Washer Fluid Container
9 Windshield Washer Fluid Level Switch
10 Windshield Washer Fluid Pump
11 Battery Current Sensor
12 G102
Fig 3: Identifying Headliner Components (Coupe)
GM1671992Courtesy of GENERAL MOTORS CORP.
Callout Component Name
1 Dome Lamp
2 Vanity Mirror Lamp - Right (DH6)
3 Garage Door Opener (UG1)
4 Sunroof Switch (CF5)
5 Inflatable Restraint Passenger Air Bag On/Off Indicator
6 Vanity Mirror Lamp - Left (DH6)
Fig 4: Identifying I/P Components
GM1653129Courtesy of GENERAL MOTORS CORP.
Callout Component Name
1 Headlamp Switch
2 Instrument Panel Cluster (IPC)
3 Inflatable Restraint Steering Wheel Module Coil
4 Driver Information Center (DIC) Switch
5 Ambient Light Sensor
6 Inflatable Restraint Passenger Air Bag On/Off Indicator (Sedan w/o 9C1, 9C3)
7 Radio
8 Inflatable Restraint I/P Module
9 I/P Trim Panel
10 Heated Seat Switch - Passenger (KA1)
11 HVAC Control Module
12 Heated Seat Switch - Driver (KA1)
13 Turn Signal/Multifunction Switch
Fig 5: Identifying Steering Column & Supplemental Inflatable Restraints
GM1700238Courtesy of GENERAL MOTORS CORP.
Callout Component Name
1 I/P Carrier
2 Inflatable Restraint Steering Wheel Module
3 Steering Column
4 Body Control Module (BCM)
Fig 6: View Of Left Front Door Components (Coupe)
GM1700149Courtesy of GENERAL MOTORS CORP.
Callout Component Name
1 Door Frame
2 Outside Rearview Mirror - Driver
3 Door Lock Switch - Driver
4 Outside Rearview Mirror Switch
5 Window Switch - Driver
6 Speaker - LF Door
7 Window Motor - Driver
8 Door Lock Actuator - Driver
9 Inflatable Restraint Side Impact Sensor (SIS) Left (AJ7)
Fig 7: View Of Window Systems Driver Door (Sedan) Components
GM1688938Courtesy of GENERAL MOTORS CORP.
Callout Component Name
1 Door Frame
2 Outside Rearview Mirror - Driver
3 Door Lock Switch - Driver
4 Window Switch - Driver
5 Outside Rearview Mirror Switch
6 Window Motor - Driver
7 Inflatable Restraint Side Impact Sensor (SIS) Left (AY1)
8 Door Lock - Driver
Fig 8: On the left B-Pillar
GM1700242Courtesy of GENERAL MOTORS CORP.
Callout Component Name
1 Seat Belt Pretensioner - Left
2 Left A-Pillar
Fig 9: Identifying Passenger Seat Components
GM1653138Courtesy of GENERAL MOTORS CORP.
Callout Component Name
1 Heated Seat Element - Passenger - Back (KA1)
2 Seat Belt Switch - Passenger
3 Seat Belt Tension Sensor - Passenger
4 Seat Belt Tension Sensor - Passenger, Connector
5 Rear Vertical Motor (Part of the Seat Adjuster Motor Assembly - Passenger)
6 Front Vertical Motor (Part of the Seat Adjuster Motor Assembly - Passenger)
7 Horizontal Motor (Part of the Seat Adjuster Motor Assembly - Passenger)
8 Inflatable Restraint Front Passenger Presence System (PPS) Module
9 Inflatable Restraint Front Passenger Presence System (PPS) Sensor
10 Seat Adjuster Switch - Passenger (AG2)
11 Heated Seat Element - Passenger - Seat (KA1)
Fig 10: Under The Passenger Seat
GM1700235Courtesy of GENERAL MOTORS CORP.
Callout Component Name
1 Inflatable Restraint Sensing and Diagnostic Module (SDM)
2 Front Passenger Floor Panel
Fig 11: On The Right B-Pillar
GM1700244Courtesy of GENERAL MOTORS CORP.
Callout Component Name
1 Right A-Pillar
2 Seat Belt Pretensioner - Right
Fig 12: Identifying Right Front Door Components (Coupe)
GM1700151Courtesy of GENERAL MOTORS CORP.
Callout Component Name
1 Door Lock Switch - Passenger
2 Door Frame
3 Outside Rearview Mirror - Passenger
4 Door Lock Actuator - Passenger
5 Inflatable Restraint Side Impact Sensor (SIS) Right (AJ7)
6 Window Motor - Front Passenger
7 Speaker - RF Door
8 Window Switch - Passenger
Fig 13: Identifying Passenger Door (Sedan)
GM1507641Courtesy of GENERAL MOTORS CORP.
Callout Component Name
1 Door Lock Switch - Front Passenger
2 Outside Rearview Mirror - Passenger
3 Door Frame
4 Door Lock - Front Passenger
5 Inflatable Restraint Side Impact Sensor (SIS) Right (AY1)
6 Window Switch - Front Passenger
7 Window Motor - Front Passenger
Fig 14: View Of Front Seat Airbag Inlines
GM1715386Courtesy of GENERAL MOTORS CORP.
Callout Component Name
1 Seat Belt Switch-Passenger
2 Passenger
3 C314
4 Seat Belt Switch-Driver
5 Inflatable Restraint Side Impact Module-Left
6 C312
7 Driver Seat
8 Inflatable Restraint Side Impact Module-Right
Fig 15: Roof Rail Air Bags (AY1)
GM1700284Courtesy of GENERAL MOTORS CORP.
Callout Component Name
1 Roof Rail Module - Right
2 Roof Rail Module - Left
3 Drivers Seat