LEMON Manuals: Even more car manuals for everyone: 1960-2025
Home >> Pontiac >> 2008 >> Solstice Base, Automatic >> Repair and Diagnosis >> External Pages >> Different car >> Section 110 (Anti-Lock Brake System, Traction Control System & Stability Control System) >> Schematic & Routing Diagrams >> Antilock Brake System Schematics
April 5, 2026: LEMON Manuals is launched! Read the announcement.

Antilock Brake System Schematics

WARNING: This page is about a different car, the 2008 Cadillac DTS. However, it is still accessible from the selected car via links, so may be relevant.
Fig 1: Power & Ground Schematic
GM1885113Courtesy of GENERAL MOTORS CORP.
Fig 2: Wheel Speed Sensors Schematic
GM1885120Courtesy of GENERAL MOTORS CORP.
Fig 3: Yaw & Lateral Acceleration, Steering Angle Sensor Schematic
GM1885133Courtesy of GENERAL MOTORS CORP.
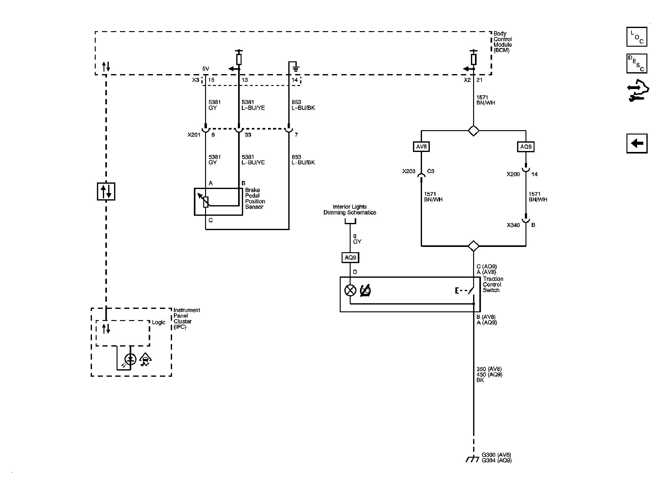
Fig 4: Brake Pedal Position, Traction Control Switch, Data Link Communications Schematic
GM1885139Courtesy of GENERAL MOTORS CORP.