LEMON Manuals: Even more car manuals for everyone: 1960-2025
Home >> Pontiac >> 2008 >> Solstice Base, Automatic >> Repair and Diagnosis >> External Pages >> Different car >> Section 359 (Antilock Brake System With Traction Control System & Stability Control System) >> Schematic and Routing Diagrams >> Antilock Brake System Schematics
April 5, 2026: LEMON Manuals is launched! Read the announcement.

Antilock Brake System Schematics

WARNING: This page is about a different car, the 2010 Saturn Sky and 2010 Pontiac Solstice. However, it is still accessible from the selected car via links, so may be relevant.
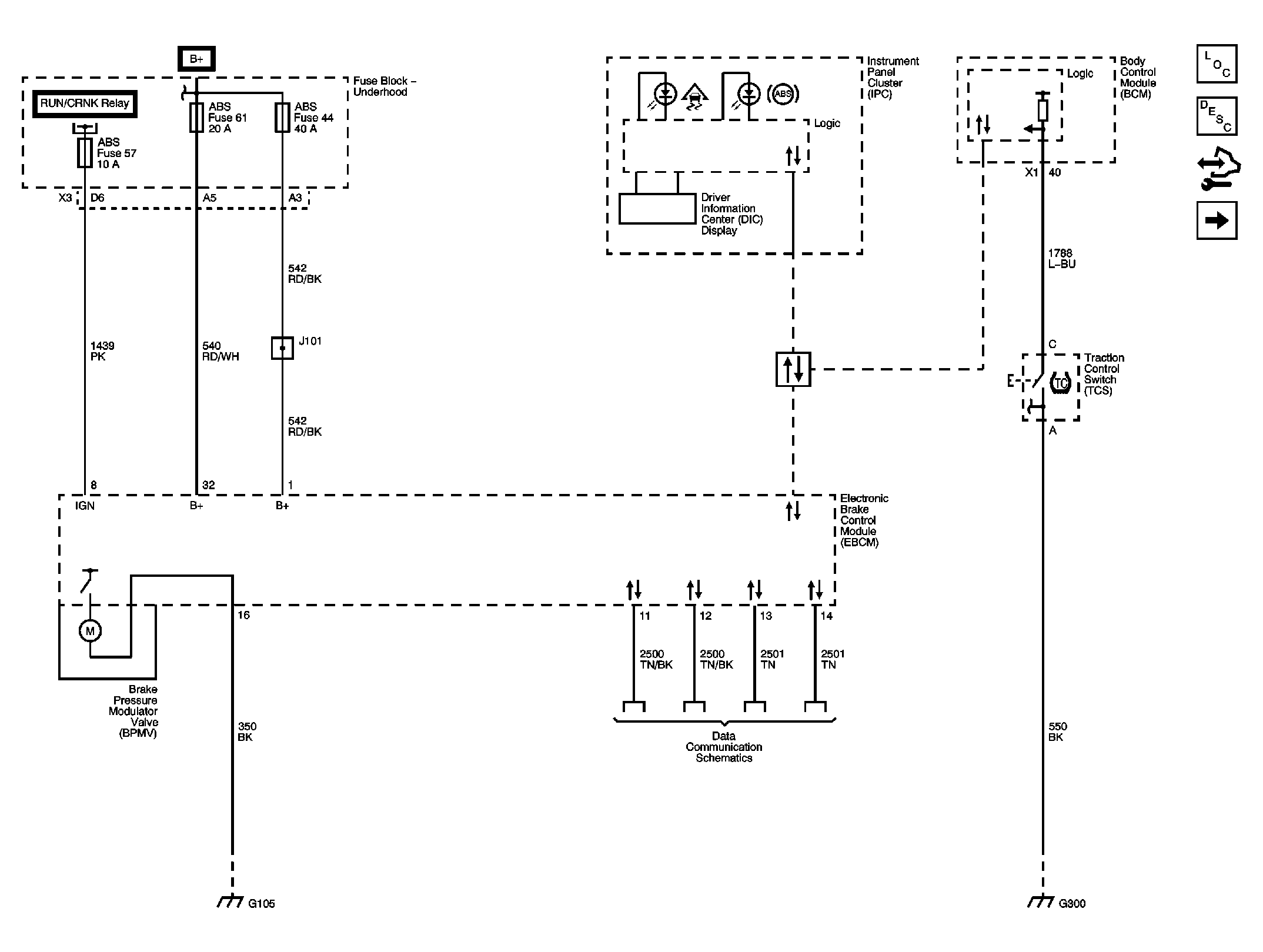
Fig 1: Power, Ground & Indicator Circuit Schematic
GM2225021Courtesy of GENERAL MOTORS CORP.
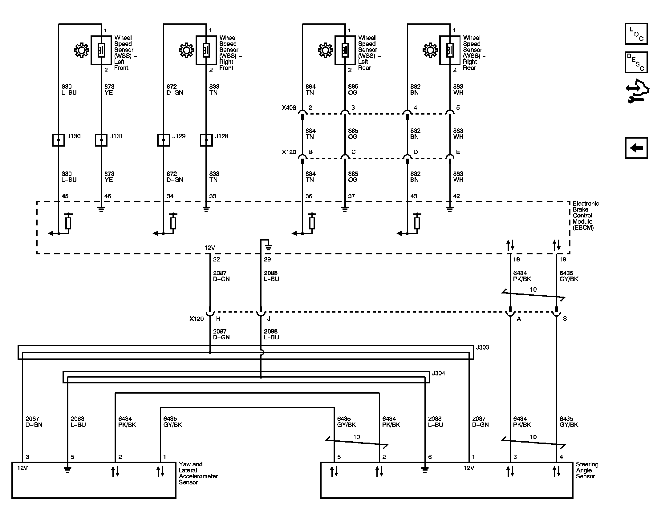
Fig 2: Stability Control Sensors Circuit Schematic
GM2225023Courtesy of GENERAL MOTORS CORP.