LEMON Manuals: Even more car manuals for everyone: 1960-2025
Home >> Pontiac >> 2008 >> Vibe Automatic >> Repair and Diagnosis >> External Pages >> Different car >> Section 165 (Cellular System, Entertainment System & Navigation System) >> Schematic and Routing Diagrams >> Video System Schematics
April 5, 2026: LEMON Manuals is launched! Read the announcement.

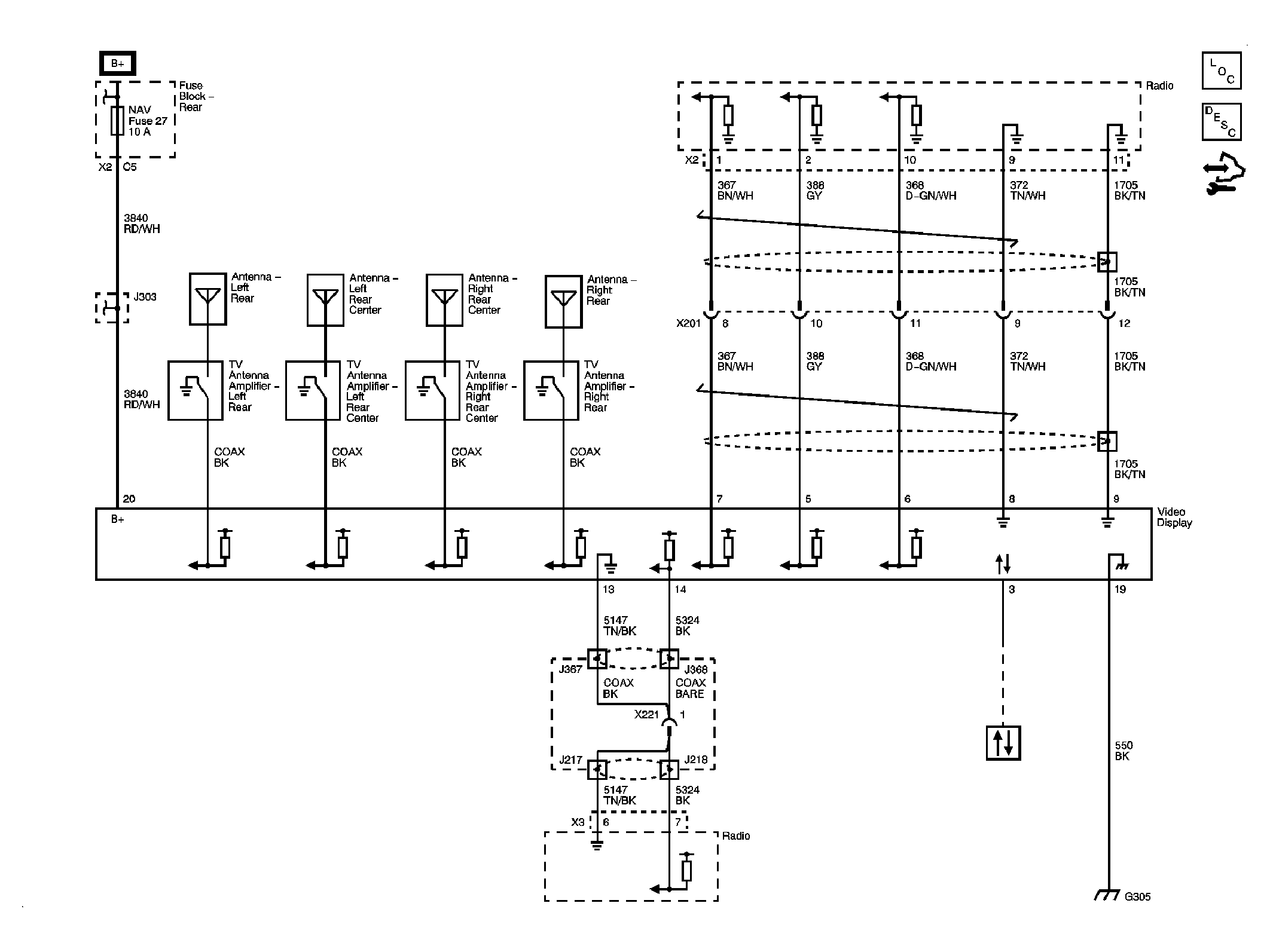
Video System Schematics

WARNING: This page is about a different car, the 2009 Cadillac DTS. However, it is still accessible from the selected car via links, so may be relevant.
Fig 1: Video System Schematics
GM2082314Courtesy of GENERAL MOTORS CORP.