LEMON Manuals: Even more car manuals for everyone: 1960-2025
Home >> Pontiac >> 2009 >> G5 Base, Automatic >> Repair and Diagnosis >> Electrical >> Component Locations >> Electrical Component Locator >> Component Location Graphics
April 5, 2026: LEMON Manuals is launched! Read the announcement.

Component Location Graphics

NOTE: Figures may show multiple component locations. Refer to appropriate table for proper figure references.
Fig 1: Engine Assembly (2.2L)
G00467675Courtesy of GENERAL MOTORS CORP.
Fig 2: Engine Assembly (2.2L)
G00467676Courtesy of GENERAL MOTORS CORP.
Fig 3: Engine Assembly (2.2L)
G00467677Courtesy of GENERAL MOTORS CORP.
Fig 4: Engine & Manual Transmission Assembly (2.2L)
G00467678Courtesy of GENERAL MOTORS CORP.
Fig 5: Engine Assembly (2.2L)
G00467679Courtesy of GENERAL MOTORS CORP.
Fig 6: Engine Assembly (2.0L)
G00467680Courtesy of GENERAL MOTORS CORP.
Fig 7: Rear Of Engine Assembly (2.0L)
G00467681Courtesy of GENERAL MOTORS CORP.
Fig 8: Engine And Manual Transmission Assembly (2.0L)
G00467682Courtesy of GENERAL MOTORS CORP.
Fig 9: Fuel Tank Assembly
G00467683Courtesy of GENERAL MOTORS CORP.
Fig 10: Engine Assembly
G00467685Courtesy of GENERAL MOTORS CORP.
Fig 11: Automatic 4 Speed Transmission
G00467686Courtesy of GENERAL MOTORS CORP.
Fig 12: Front Fascia
G00467687Courtesy of GENERAL MOTORS CORP.
Fig 13: Radiator Assembly
G00467688Courtesy of GENERAL MOTORS CORP.
Fig 14: Engine Compartment
G00467689Courtesy of GENERAL MOTORS CORP.
Fig 15: Front Engine Compartment
G00467690Courtesy of GENERAL MOTORS CORP.
Fig 16: Engine Compartment
G00467691Courtesy of GENERAL MOTORS CORP.
Fig 17: Engine Compartment (Rear)
G00467692Courtesy of GENERAL MOTORS CORP.
Fig 18: Left Front Frame Rail
G00467693Courtesy of GENERAL MOTORS CORP.
Fig 19: Left Headlamp Assembly
G00467694Courtesy of GENERAL MOTORS CORP.
Fig 20: Quarter Panel
G00467695Courtesy of GENERAL MOTORS CORP.
Fig 21: Radiator Support
G00467696Courtesy of GENERAL MOTORS CORP.
Fig 22: Driver's Seat
G00467697Courtesy of GENERAL MOTORS CORP.
Fig 23: Dash
G00467698Courtesy of GENERAL MOTORS CORP.
Fig 24: Front Passenger's Seat
G00467699Courtesy of GENERAL MOTORS CORP.
Fig 25: Front Passenger's Seat
G00467700Courtesy of GENERAL MOTORS CORP.
Fig 26: Pedal Components
G00467701Courtesy of GENERAL MOTORS CORP.
Fig 27: Passenger Compartment
G00467702Courtesy of GENERAL MOTORS CORP.
Fig 28: Vehicle Overview
G00467703Courtesy of GENERAL MOTORS CORP.
Fig 29: Vehicle Overview (Left)
G00467704Courtesy of GENERAL MOTORS CORP.
Fig 30: Vehicle Overview
G00467705Courtesy of GENERAL MOTORS CORP.
Fig 31: Headliner Components
G00467706Courtesy of GENERAL MOTORS CORP.
Fig 32: Dash
G00467707Courtesy of GENERAL MOTORS CORP.
Fig 33: Steering Column Module
G00467708Courtesy of GENERAL MOTORS CORP.
Fig 34: HVAC Components
G00467709Courtesy of GENERAL MOTORS CORP.
Fig 35: Rear Shelf Components
G00467710Courtesy of GENERAL MOTORS CORP.
Fig 36: Floor Pan
G00467711Courtesy of GENERAL MOTORS CORP.
Fig 37: Trunk Lid
G00467712Courtesy of GENERAL MOTORS CORP.
Fig 38: Rear Floor Pan
G00467713Courtesy of GENERAL MOTORS CORP.
Fig 39: Driver Door Assembly
G00467714Courtesy of GENERAL MOTORS CORP.
Fig 40: Left Rear Door
G00467715Courtesy of GENERAL MOTORS CORP.
Fig 41: Right Rear Door
G00467716Courtesy of GENERAL MOTORS CORP.
Fig 42: Vehicle Overview
G00467717Courtesy of GENERAL MOTORS CORP.
Fig 43: Front Bumper
G00467718Courtesy of GENERAL MOTORS CORP.
Fig 44: Front Bumper
G00467719Courtesy of GENERAL MOTORS CORP.
Fig 45: Engine Compartment
G00467720Courtesy of GENERAL MOTORS CORP.
Fig 46: Transmission Case
G00467722Courtesy of GENERAL MOTORS CORP.
Fig 47: Headlights
G00467723Courtesy of GENERAL MOTORS CORP.
Fig 48: Engine Compartment (2.2L)
G00467225Courtesy of GENERAL MOTORS CORP.
Fig 49: Engine Compartment
G00467226Courtesy of GENERAL MOTORS CORP.
Fig 50: Engine Assembly (2.2L)
G00467228Courtesy of GENERAL MOTORS CORP.
Fig 51: Front Strut Towers
G00467724Courtesy of GENERAL MOTORS CORP.
Fig 52: Dash
G00467725Courtesy of GENERAL MOTORS CORP.
Fig 53: Dash
G00467726Courtesy of GENERAL MOTORS CORP.
Fig 54: HVAC Assembly
G00467727Courtesy of GENERAL MOTORS CORP.
Fig 55: Passenger Compartment
G00467230Courtesy of GENERAL MOTORS CORP.
Fig 56: Driver's Door Sedan
G00467728Courtesy of GENERAL MOTORS CORP.
Fig 57: Driver's Door Coupe
G00467729Courtesy of GENERAL MOTORS CORP.
Fig 58: Front Passenger Door
G00467231Courtesy of GENERAL MOTORS CORP.
Fig 59: Left Rear Door (Sedan)
G00467232Courtesy of GENERAL MOTORS CORP.
Fig 60: Right Rear Door (Sedan)
G00467233Courtesy of GENERAL MOTORS CORP.
Fig 61: Headliner Harness (W/Sunroof)
G00467234Courtesy of GENERAL MOTORS CORP.
Fig 62: Headliner Harness (W/O Sunroof)
G00467235Courtesy of GENERAL MOTORS CORP.
Fig 63: Passenger Compartment Floor Pan
G00467236Courtesy of GENERAL MOTORS CORP.
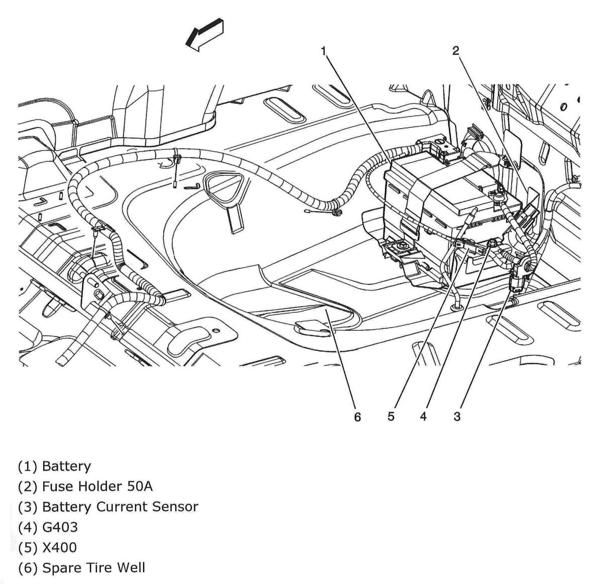
Fig 64: Rear Compartment
G00467237Courtesy of GENERAL MOTORS CORP.
Fig 65: Rear Floor Pan
G00467238Courtesy of GENERAL MOTORS CORP.
Fig 66: Rear Axle
G00467239Courtesy of GENERAL MOTORS CORP.
Fig 67: Rear Bumper
G00467240Courtesy of GENERAL MOTORS CORP.
Fig 68: Engine Compartment
G00467241Courtesy of GENERAL MOTORS CORP.
Fig 69: Underhood Fuse Block
G00456492Courtesy of GENERAL MOTORS CORP.