LEMON Manuals: Even more car manuals for everyone: 1960-2025
Home >> Pontiac >> 2009 >> G6 Base, 2D Coupe >> Repair and Diagnosis >> Engine Performance >> System >> Engine Control System & Fuel System - 2.4L - Introduction >> Schematic and Routing Diagrams >> Engine Controls Schematics
April 5, 2026: LEMON Manuals is launched! Read the announcement.

Engine Controls Schematics

Fig 1: Module Power, Ground, Serial Data, and MIL Schematic
GM2078883Courtesy of GENERAL MOTORS CORP.
Fig 2: 5-Volt and Low Reference Schematic
GM2078887Courtesy of GENERAL MOTORS CORP.
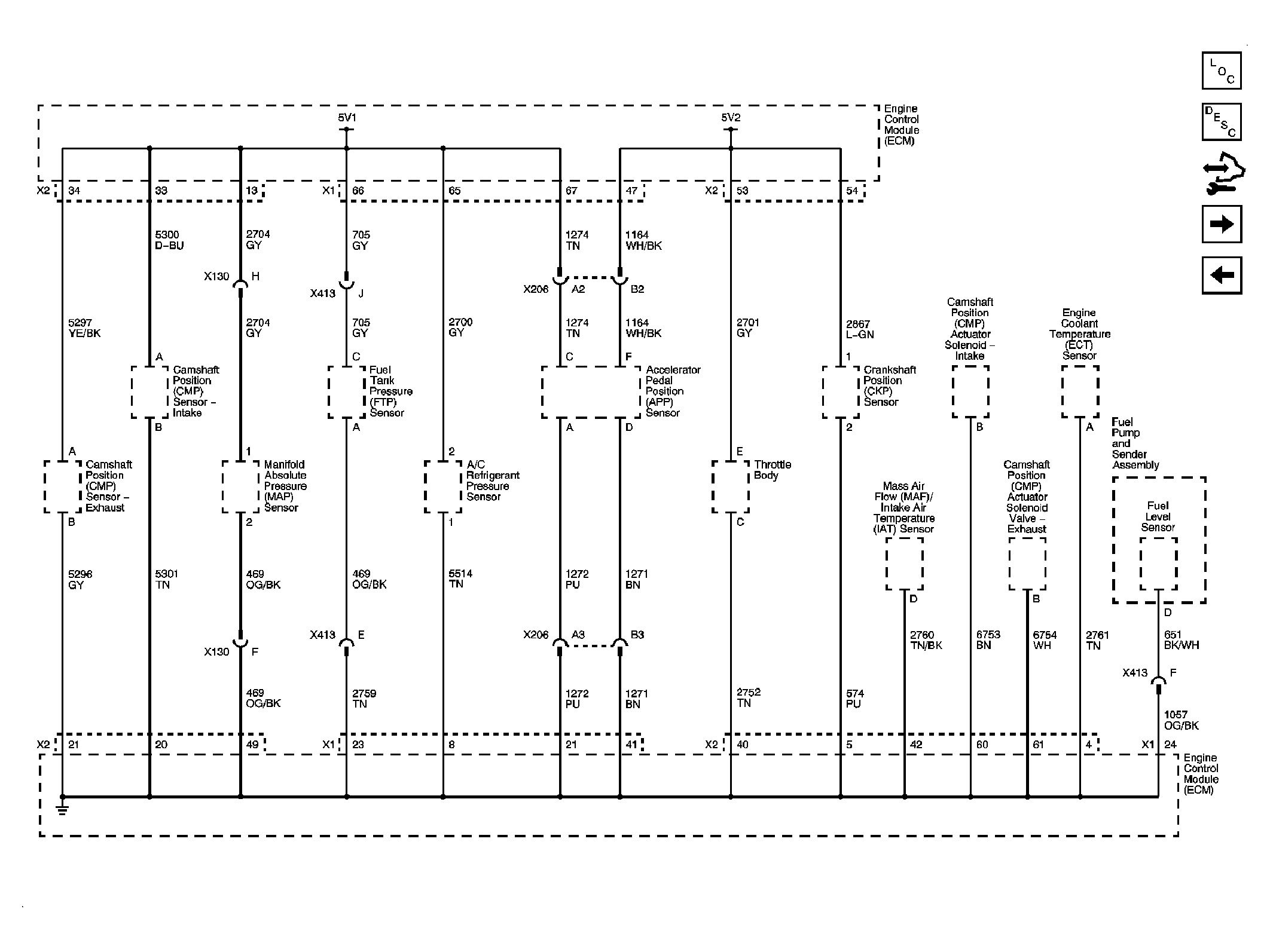
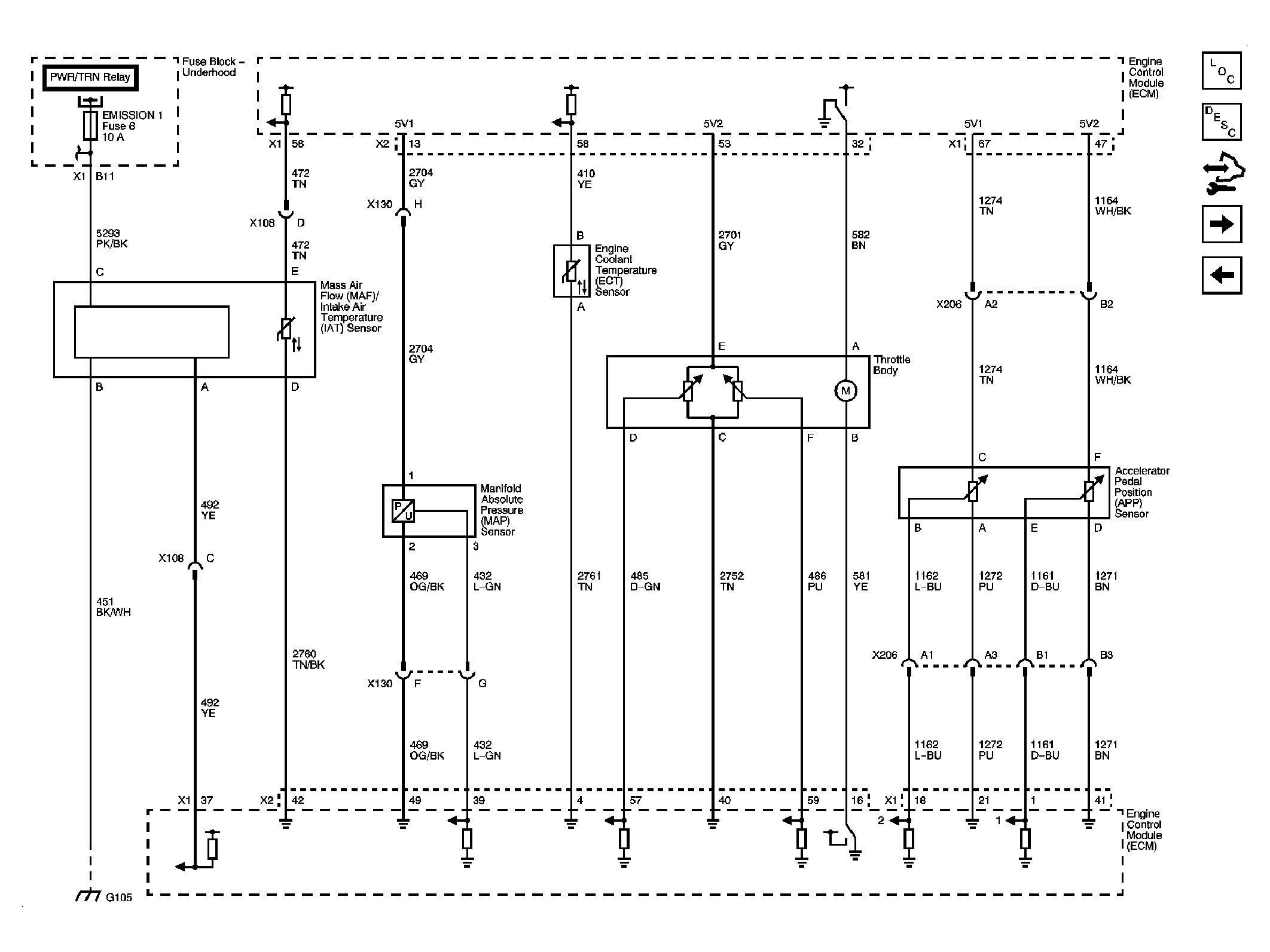
Fig 3: Engine Data Sensors - Pressure, Temperature, and Throttle Control Schematic
GM2078892Courtesy of GENERAL MOTORS CORP.
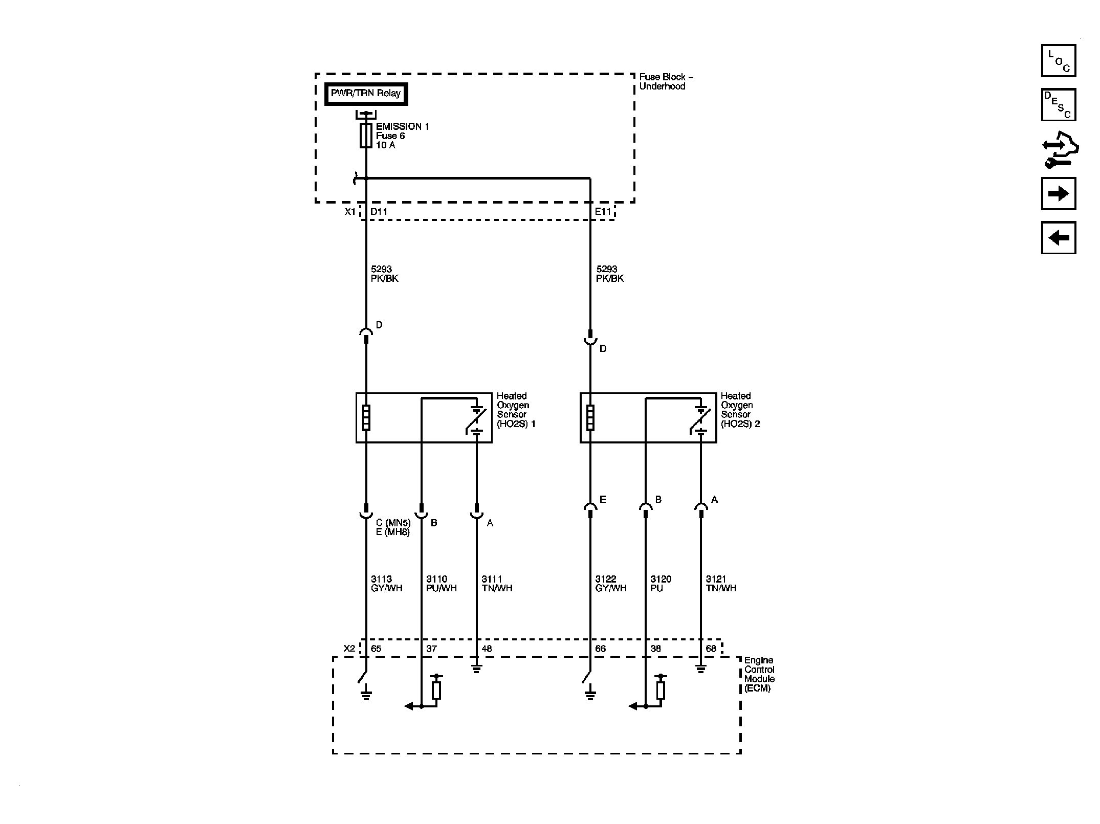
Fig 4: Engine Data Sensors - HO2S Schematic
GM2078895Courtesy of GENERAL MOTORS CORP.
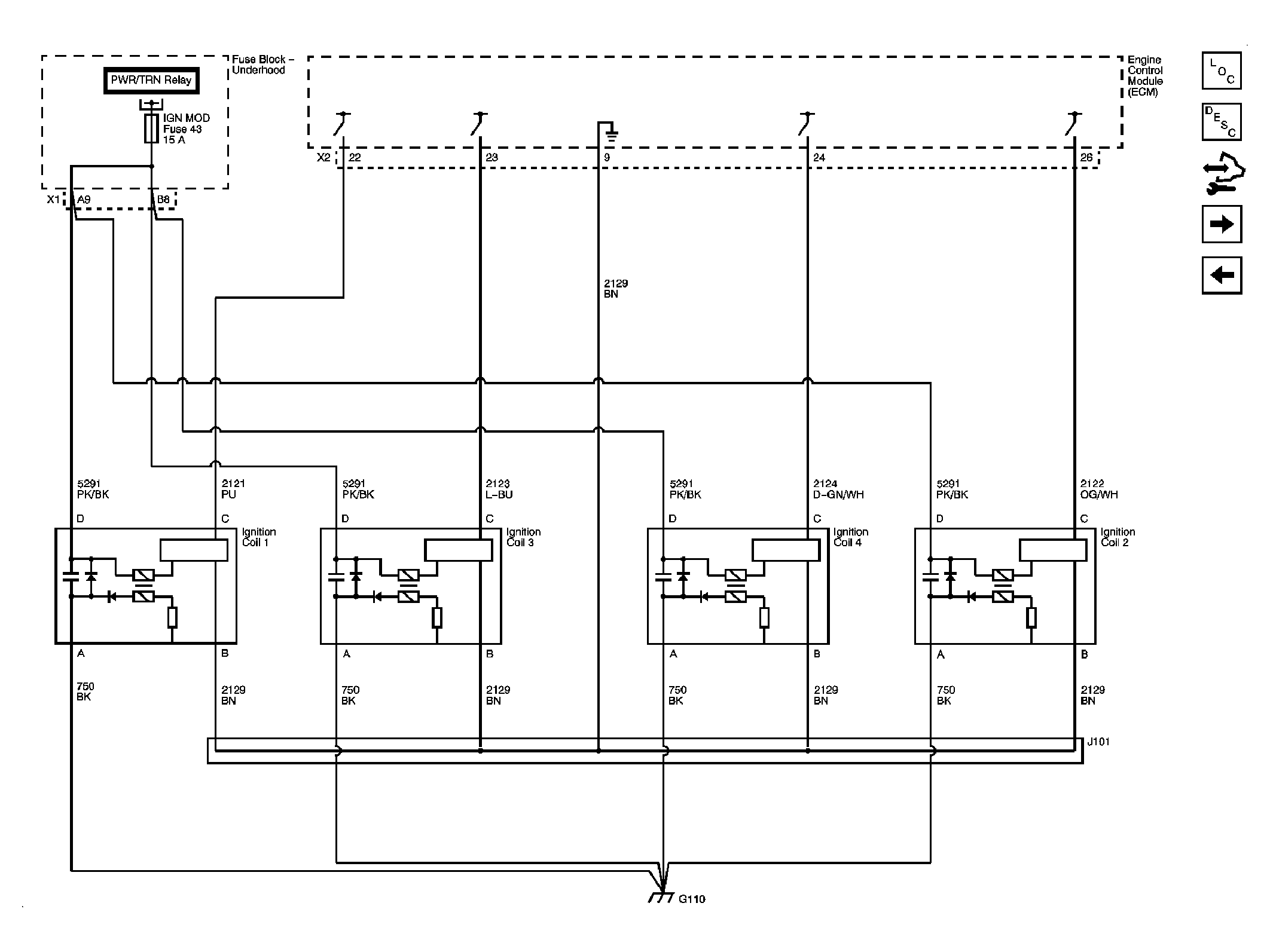
Fig 5: Ignition Controls - Ignition System Schematic
GM2078896Courtesy of GENERAL MOTORS CORP.
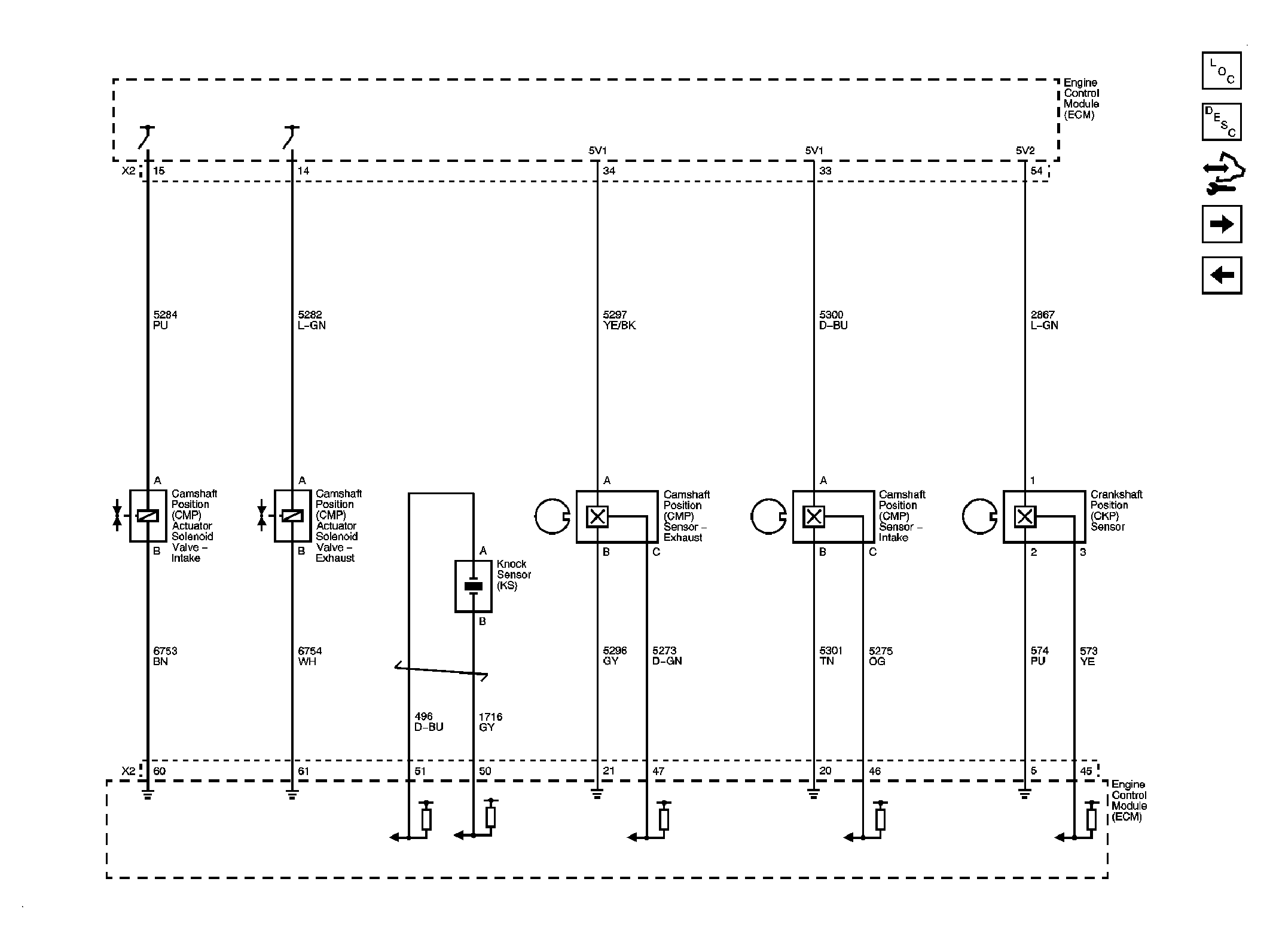
Fig 6: Ignition Controls - Sensors/Actuators Schematic
GM2078898Courtesy of GENERAL MOTORS CORP.
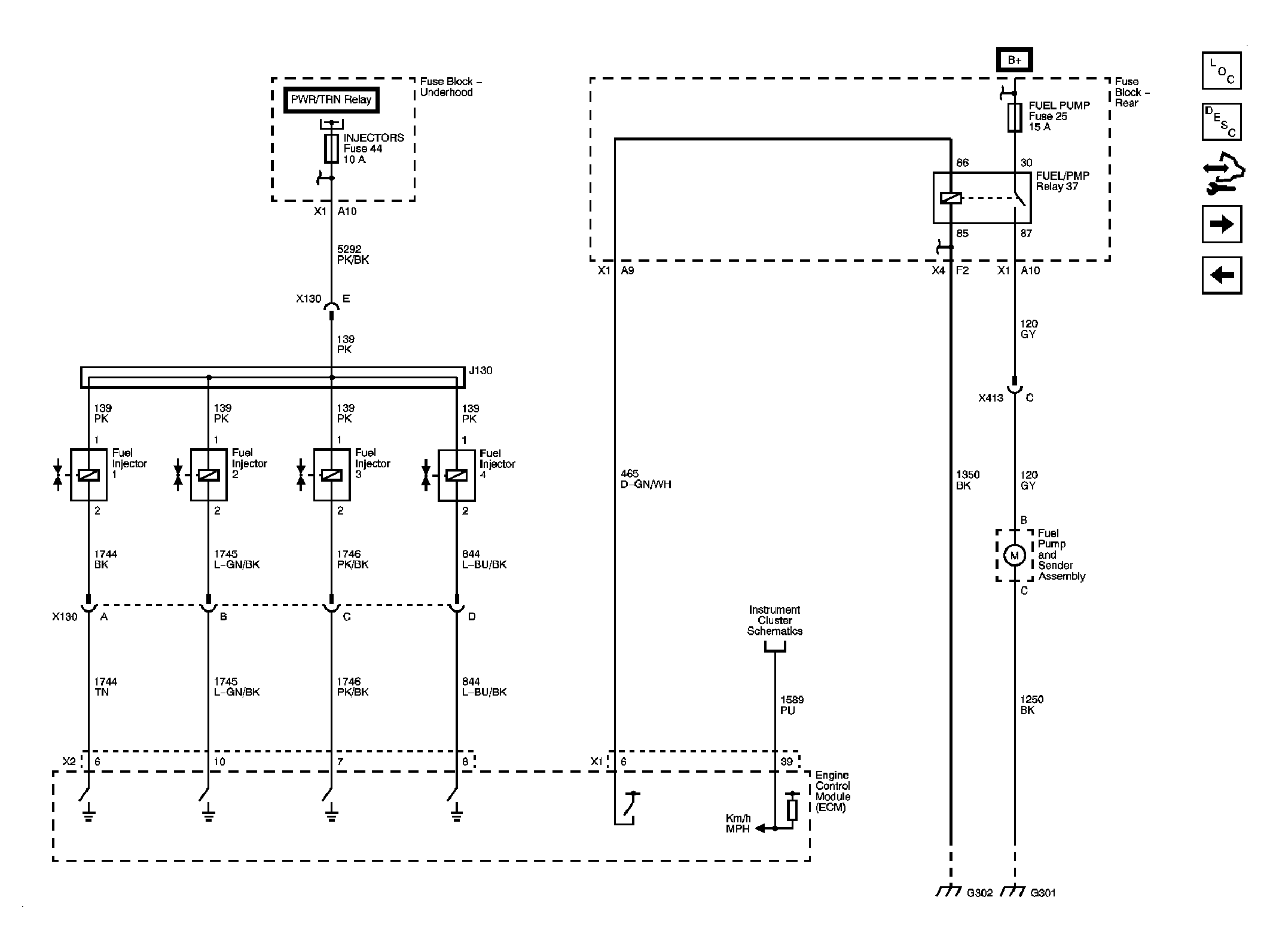
Fig 7: Fuel Controls - Fuel Injectors and Fuel Pump Controls Schematic
GM2078900Courtesy of GENERAL MOTORS CORP.
Fig 8: Fuel Controls - EVAP Controls Schematic
GM2078902Courtesy of GENERAL MOTORS CORP.
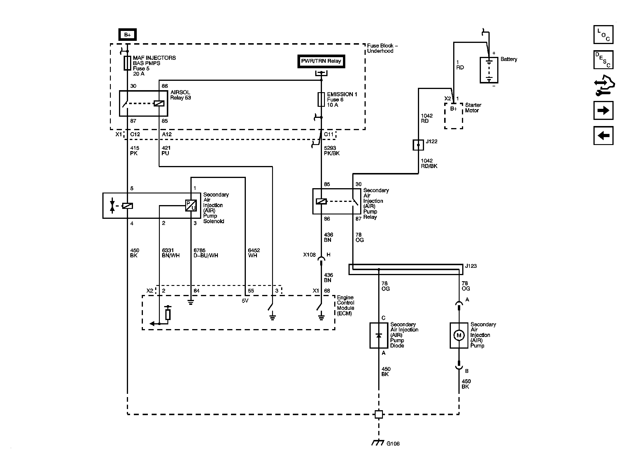
Fig 9: Secondary Air Injection (AIR) (NU6) Schematic
GM2150129Courtesy of GENERAL MOTORS CORP.
Fig 10: Controlled/Monitored Subsystem References Schematic
GM2078904Courtesy of GENERAL MOTORS CORP.