LEMON Manuals: Even more car manuals for everyone: 1960-2025
Home >> Pontiac >> 2009 >> G6 L4-2.4L >> Repair and Diagnosis >> Body and Frame >> Frame >> Subframe >> Front Subframe >> Service and Repair >> Frame Replacement
April 5, 2026: LEMON Manuals is launched! Read the announcement.

Frame Replacement




Frame Replacement (Coupe 2.4L)

Special Tools

J 39580 Engine Support Stand

Removal Procedure

1. Install the engine support fixture. Refer to Engine Support Fixture (Engine Support Fixture).
2. Raise the vehicle on a hoist. Refer to Lifting and Jacking the Vehicle (Service and Repair).
3. Remove the tire and wheel assemblies. Refer to Tire and Wheel Removal and Installation (Service and Repair).
4. Remove the engine splash shields. Refer to Engine Splash Shield Replacement - Left Side (Engine Splash Shield Replacement - Left Side) and Engine Splash Shield Replacement - Right Side (Engine Splash Shield Replacement - Right Side).
5. Remove the radiator air lower baffle. Refer to Radiator Air Lower Baffle and Deflector Replacement (Service and Repair).
6. Disconnect the antilock brake system (ABS) sensor from the wheel speed sensor and frame.




7. Remove the lower ball joints from the steering knuckles.
8. Remove the tie rod ends from the steering knuckles. Refer to Steering Linkage Outer Tie Rod Replacement (Steering Linkage Outer Tie Rod Replacement).




9. Remove both stabilizer links from the stabilizer bar. Refer to Stabilizer Shaft Link Replacement (Service and Repair).
10. Remove the power steering gear mounting bolts and secure the gear out of the way using mechanic wire or equivalent, being sure not to overextend the intermediate shaft. Refer to Steering Gear Replacement (Electronic Power Steering) (Service and Repair)Steering Gear Replacement (Hydraulic Power Steering LY7) (Service and Repair)Steering Gear Replacement (Hydraulic Power Steering LZ4, LZ9) (Service and Repair).
11. Remove the front transmission mount bolt from the frame. Refer to Transmission Front Mount Replacement (4T45-E - Automatic Transmission).
12. Remove the left transmission mount nuts from the frame. Refer to Transmission Mount Replacement - Left Side (2.4L) (4T45-E - Automatic Transmission)Transmission Mount Replacement - Left Side (3.5L) (4T45-E - Automatic Transmission).
13. Remove the rear transmission mount bracket nuts from the frame. Refer to Transmission Rear Mount Replacement (4T45-E - Automatic Transmission).
14. Remove the brake lines from the retainers on the frame.




15. Lower the vehicle until the frame contacts the J 39580 .




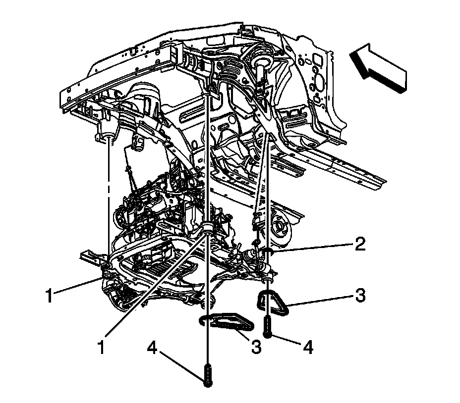
16. Remove the reinforcement bolts (1).




17. Remove the front frame bolts (1).
18. Remove the rear frame bolts (4).
19. Remove the frame reinforcements (3).
20. Raise the vehicle off of the frame.
21. Remove the following components if replacing the frame:

* The lower control arms-Refer to Lower Control Arm Replacement (Front Suspension).
* The stabilizer shaft-Refer to Stabilizer Shaft Replacement (Rear Suspension).

Installation Procedure

1. Install the following components on the suspension crossmember if removed:

* The stabilizer shaft-Refer to Stabilizer Shaft Replacement (Rear Suspension).

* The lower control arms-Refer to Lower Control Arm Replacement (Front Suspension).




2. Lower the vehicle on to the frame.
3. Install the frame reinforcements (3).

Caution: Refer to Fastener Caution (Fastener Caution).

4. Install the rear frame bolts (4).

Tighten the bolts to 100 Nm (74 lb ft) plus 90 degree rotation.

5. Install the front frame bolts (1).

Tighten the bolts to 100 Nm (74 lb ft) plus 90 degree rotation.




6. Install the cradle support bolts (1).

Tighten the bolts to 100 Nm (74 lb ft).

7. Raise the vehicle.
8. Install the brake lines to the retainers on the frame.
9. Install the rear transmission mount bracket nuts. Refer to Transmission Rear Mount Replacement (4T45-E - Automatic Transmission).
10. Install the left transmission mount nuts to the frame. Refer to Transmission Mount Replacement - Left Side (2.4L) (4T45-E - Automatic Transmission)Transmission Mount Replacement - Left Side (3.5L) (4T45-E - Automatic Transmission).




11. Install the front transmission mount bracket bolt. Refer to Transmission Front Mount Replacement (4T45-E - Automatic Transmission).
12. Install the power steering gear mounting bolts. Refer to Steering Gear Replacement (Electronic Power Steering) (Service and Repair)Steering Gear Replacement (Hydraulic Power Steering LY7) (Service and Repair)Steering Gear Replacement (Hydraulic Power Steering LZ4, LZ9) (Service and Repair).




13. Install both stabilizer links to the stabilizer bar.

Tighten the stabilizer link nut to 65 Nm (48 lb ft).

14. Install the tie rod ends to the steering knuckles. Refer to Steering Linkage Outer Tie Rod Replacement (Steering Linkage Outer Tie Rod Replacement).




15. Install the lower ball joints to the steering knuckles.

1. Tighten the ball stud to steering knuckle pinch nut to 50 Nm (37 lb ft).
2. Reverse the nut 3/4 of a turn.
3. Tighten to 50 Nm (37 lb ft) plus 60 degrees.

16. Connect the ABS sensor to the wheel speed sensor and frame.
17. Install the radiator air lower baffle. Refer to Radiator Air Lower Baffle and Deflector Replacement (Service and Repair).
18. Install the engine splash shields. Refer to Engine Splash Shield Replacement - Left Side (Engine Splash Shield Replacement - Left Side) and Engine Splash Shield Replacement - Right Side (Engine Splash Shield Replacement - Right Side).
19. Install the tire and wheel assemblies. Refer to Tire and Wheel Removal and Installation (Service and Repair).
20. Remove the engine support fixture.
21. Bleed the power steering system. Refer to Power Steering System Bleeding (Service and Repair).