LEMON Manuals: Even more car manuals for everyone: 1960-2025
Home >> Pontiac >> 2009 >> G8 GT >> Repair and Diagnosis >> External Pages >> Different car >> Section 249 (Suspension Control System - Automatic Level Control) >> Repair Instructions >> Air Compressor Replacement >> Installation Procedure
April 5, 2026: LEMON Manuals is launched! Read the announcement.

Installation Procedure

WARNING: This page does not describe the selected car, but rather 8 other vehicles, including the 2008 GMC Yukon XL, 2008 GMC Yukon, 2008 Chevrolet Tahoe, 2008 Chevrolet Suburban, and 2008 Chevrolet Avalanche. However, it is still accessible from the selected car via links, so may be relevant.
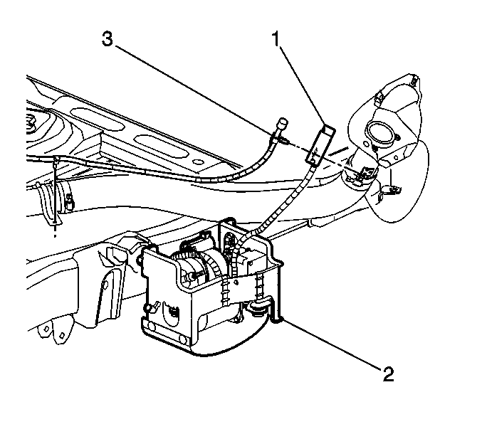
    Fig 1: View Of Air Compressor & Air Inlet Hose
    GM657691Courtesy of GENERAL MOTORS CORP.
  1. Install the air compressor (2) to the vehicle.
  2. NOTE: Refer to Fastener Notice .
  3. Slide the air compressor forward to secure the fasteners into the frame slots and tighten the mounting nuts.

    Tighten:  Tighten the nuts to 15 N.m (11 lb ft).

  4. Install the air inlet hose (1) to the fuel filler neck bracket.
  5. Fig 2: View Of Air Tube At Air Dryer & Electrical Connection
    GM657695Courtesy of GENERAL MOTORS CORP.
  6. Connect the air tube (1) to the air dryer.
  7. Connect the electrical connection (2).
  8. Lower the vehicle.
  9. perform the following procedure after the air compressor has been replaced.
    • Turn the ignition ON, with the engine OFF.
    • Install a scan tool
    • With the scan tool, operate the air compressor for 30 seconds or until the rear of the vehicle begins to rise.
    • Remove the scan tool.
    • Cycle the ignition OFF, then back ON, with the engine ON to allow the air suspension system to regain the desired rear suspension position.