LEMON Manuals: Even more car manuals for everyone: 1960-2025
Home >> Pontiac >> 2009 >> Solstice Base, 2D Convertible, Automatic >> Repair and Diagnosis >> External Pages >> Different car >> Section 177 (Cellular Systems, Entertainment Systems & Navigation Systems) >> Schematic and Routing Diagrams >> OnStar Schematics
April 5, 2026: LEMON Manuals is launched! Read the announcement.

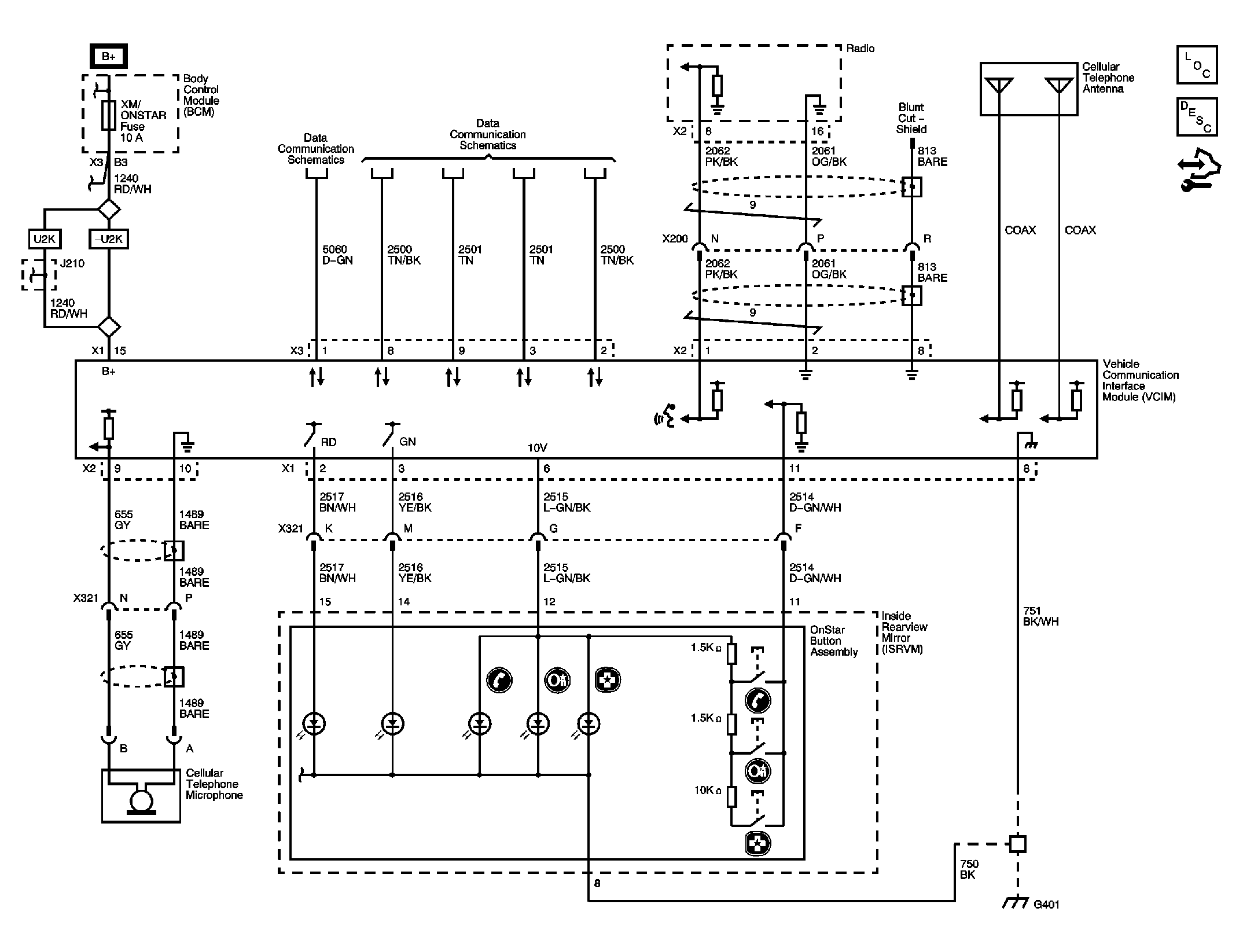
OnStar Schematics

WARNING: This page is about a different car, the 2010 Pontiac G5 and 2010 Chevrolet Cobalt. However, it is still accessible from the selected car via links, so may be relevant.
Fig 1: OnStar
GM2249262Courtesy of GENERAL MOTORS CORP.