LEMON Manuals: Even more car manuals for everyone: 1960-2025
Home >> Pontiac >> 2009 >> Solstice Base, 2D Convertible, Automatic >> Repair and Diagnosis >> External Pages >> Different car >> Section 186 (Antilock Brake System With Traction Control System & Stability Control System) >> Schematic and Routing Diagrams >> Antilock Brake System Schematics
April 5, 2026: LEMON Manuals is launched! Read the announcement.

Antilock Brake System Schematics

WARNING: This page is about a different car, the 2010 Pontiac G5 and 2010 Chevrolet Cobalt. However, it is still accessible from the selected car via links, so may be relevant.
Fig 1: Power, Ground, Serial Data and Traction Controls
GM2248373Courtesy of GENERAL MOTORS CORP.
Fig 2: Wheel Speed Signals
GM2248377Courtesy of GENERAL MOTORS CORP.
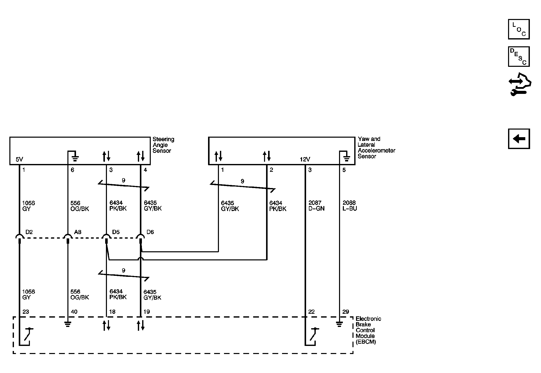
Fig 3: Vehicle Stability Sensors (JL4)
GM2248378Courtesy of GENERAL MOTORS CORP.