LEMON Manuals: Even more car manuals for everyone: 1960-2025
Home >> Pontiac >> 2009 >> Solstice L4-2.0L Turbo >> Repair and Diagnosis >> Powertrain Management >> Computers and Control Systems >> Accelerator Pedal Position Sensor >> Service and Repair
April 5, 2026: LEMON Manuals is launched! Read the announcement.

Accelerator Pedal Position Sensor: Service and Repair




Accelerator Pedal Position Sensor Replacement

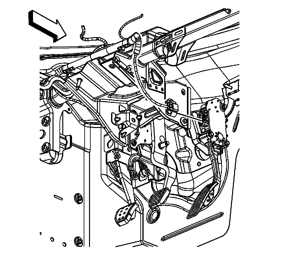
Removal Procedure




1. Remove the knee bolster. Refer to Knee Bolster Replacement (SKY) (Service and Repair)Knee Bolster Replacement (Solstice) (Service and Repair).
2. Disconnect the accelerator pedal position (APP) sensor electrical connector.




3. Remove the APP sensor nuts.
4. Remove the APP sensor from the vehicle.

Installation Procedure




1. Install the APP sensor to the vehicle.

Caution: Refer to Fastener Caution (Fastener Caution).

2. Install the APP sensor nuts and tighten to 10 Nm (89 lb in).




3. Connect the APP sensor electrical connector.
4. Confirm that the APP sensor connector locking clip is fully secured.
5. Verify the operation of the accelerator pedal.
6. Install the knee bolster. Refer to Knee Bolster Replacement (SKY) (Service and Repair)Knee Bolster Replacement (Solstice) (Service and Repair).