LEMON Manuals: Even more car manuals for everyone: 1960-2025
Home >> Pontiac >> 2010 >> G6 L4-2.4L >> Repair and Diagnosis >> Body and Frame >> Frame >> Subframe >> Front Subframe >> Service and Repair >> Frame Replacement (3.6L)
April 5, 2026: LEMON Manuals is launched! Read the announcement.

Frame Replacement (3.6L)




Frame Replacement (3.6L)

Special Tools

J 39580 Engine Support Stand

Removal Procedure

1. Install the engine support fixture. Refer to Engine Support Fixture Engine Support Fixture.
2. Support the radiator and condenser from above.
3. Raise the vehicle on a hoist. Refer to Lifting and Jacking the Vehicle Service and Repair.
4. Remove the tire and wheel assemblies. Refer to Tire and Wheel Removal and Installation Service and Repair.
5. Remove the radiator air lower baffle. Refer to Radiator Air Lower Baffle and Deflector Replacement Radiator Air Lower Baffle and Deflector Replacement.
6. Remove the engine splash shields. Refer to Engine Splash Shield Replacement - Left Side Engine Splash Shield Replacement - Left Side and Engine Splash Shield Replacement - Right Side Engine Splash Shield Replacement - Right Side.




7. Remove the lower ball joints from the steering knuckles. Refer to Lower Control Arm Replacement Front Suspension.
8. Remove the tie rod ends from the steering knuckles. Refer to Steering Linkage Outer Tie Rod Replacement Steering Linkage Outer Tie Rod Replacement.




9. Remove both stabilizer links from the stabilizer bar. Refer to Stabilizer Shaft Link Replacement Service and Repair.
10. Remove the power steering gear mounting bolts and secure the gear out of the way using mechanic's wire or equivalent, being sure not to overextend the intermediate shaft. Refer to Steering Gear Replacement (Electronic Power Steering) Steering Gear Replacement (Electronic Power Steering)Steering Gear Replacement (Hydraulic Power Steering LY7) Steering Gear Replacement (Hydraulic Power Steering LZ4, LZ9) .




11. Remove the engine mount fasteners from the frame. Refer to Engine Mount Replacement - Right Side Removal and Replacement.




12. Remove the front transmission mount bolt from the frame. Refer to Transmission Front Mount Replacement Transmission Front Mount Replacement.




13. Remove the left transmission mount fasteners from the frame. Refer to Transmission Mount Replacement - Left Side Transmission Mount Replacement - Left Side.




14. Remove the rear transmission mount bracket fasteners from the frame. Refer to Transmission Rear Mount Replacement Transmission Rear Mount Replacement.
15. Remove the brake lines from the retainers on the frame.
16. Remove the power steering outlet pipe/hose from the frame. Refer to Power Steering Gear Outlet Pipe/Hose Replacement (LY7) Power Steering Gear Outlet Pipe/Hose Replacement (LZ4, LZ9) .
17. Remove the rear catalytic converter. Refer to Catalytic Converter Replacement - Left Side (LY7) Catalytic Converter Replacement - Left Side (LZ4) Catalytic Converter Replacement - Left Side (LZ9) or Catalytic Converter Replacement - Right Side (LY7) Catalytic Converter Replacement - Right Side (LZ4) Catalytic Converter Replacement - Right Side (LZ9 w/RPO M15) Catalytic Converter Replacement - Right Side (M15)Catalytic Converter Replacement - Right Side (LZ9 w/RPO MT2) Catalytic Converter Replacement - Right Side (MT2).




18. Lower the vehicle until the frame contacts the J 39580 .




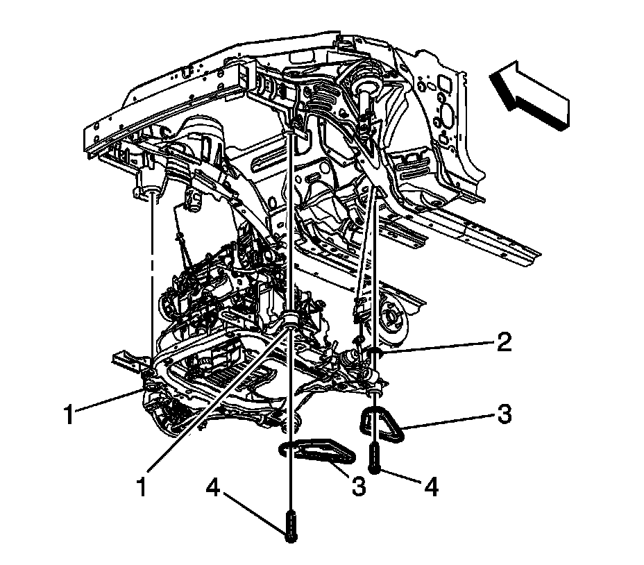
19. Remove the reinforcement bolts (1).




20. Remove the front frame bolts (1).
21. Remove the rear frame bolts (4).
22. Remove the frame reinforcements (3).
23. Raise the vehicle off of the frame.
24. Remove the following components if replacing the frame:

* The lower control arms-Refer to Lower Control Arm Replacement Front Suspension.

* The stabilizer shaft-Refer to Stabilizer Shaft Replacement (Sedan/Coupe) Stabilizer Shaft Replacement (Sedan/Coupe)Stabilizer Shaft Replacement (Convertible) Stabilizer Shaft Replacement (Convertible).


Installation Procedure

1. Install the following components on the suspension crossmember if removed:

* The stabilizer shaft-Refer to Stabilizer Shaft Replacement (Sedan/Coupe) Stabilizer Shaft Replacement (Sedan/Coupe)Stabilizer Shaft Replacement (Convertible) Stabilizer Shaft Replacement (Convertible).
* The lower control arms-Refer to Lower Control Arm Replacement Front Suspension.




2. Lower the vehicle on to the frame.
3. Install the frame reinforcements (3).
4. Install the front frame bolts. Hand tighten ONLY.
5. Install the reinforcement bolts. Hand tighten ONLY.

Caution: Refer to Fastener Caution Fastener Caution.

6. Tighten the rear frame bolts (4).

Tighten the bolts to 100 Nm (74 lb ft) plus 180 degrees rotation.

7. Tighten the front frame bolts (1) to specifications.

Tighten the bolts to 100 Nm (74 lb ft) plus 180 degrees rotation.




8. Install the reinforcement bolts (1).

Tighten the bolts to 100 Nm (74 lb ft).

9. Raise the vehicle.
10. Install the power steering outlet pipe/hose to the frame. Refer to Power Steering Gear Outlet Pipe/Hose Replacement (LY7) Power Steering Gear Outlet Pipe/Hose Replacement (LZ4, LZ9) .
11. Install the brake lines to the retainers on the frame.




12. Install the rear transmission mount bracket fasteners. Refer to Transmission Rear Mount Replacement Transmission Rear Mount Replacement.




13. Install the left transmission mount fasteners to the frame. Refer to Transmission Mount Replacement - Left Side Transmission Mount Replacement - Left Side.




14. Install the front transmission mount bracket bolt. Refer to Transmission Front Mount Replacement Transmission Front Mount Replacement.




15. Install the engine mount fasteners to the frame. Refer to Engine Mount Replacement - Right Side Removal and Replacement.
16. Install the power steering gear mounting fasteners. Refer to Steering Gear Replacement (Electronic Power Steering) Steering Gear Replacement (Electronic Power Steering)Steering Gear Replacement (Hydraulic Power Steering LY7) Steering Gear Replacement (Hydraulic Power Steering LZ4, LZ9) .




17. Install both stabilizer links to the stabilizer bar.

Tighten the stabilizer link nut to 65 Nm (48 lb ft) plus 180 degrees rotation.

18. Install the tie rod ends to the steering knuckles. Refer to Steering Linkage Outer Tie Rod Replacement Steering Linkage Outer Tie Rod Replacement.




19. Install the lower ball joints to the steering knuckles.

1. Reverse the nut 3/4 of a turn
2. Tighten the ball stud to steering knuckle pinch nut to 50 Nm (37 lb ft).
3. Tighten to 50 Nm (37 lb ft) plus 60 degrees.

20. Install the rear catalytic converter. Refer to Catalytic Converter Replacement - Left Side (LY7) Catalytic Converter Replacement - Left Side (LZ4) Catalytic Converter Replacement - Left Side (LZ9) or Catalytic Converter Replacement - Right Side (LY7) Catalytic Converter Replacement - Right Side (LZ4) Catalytic Converter Replacement - Right Side (LZ9 w/RPO M15) Catalytic Converter Replacement - Right Side (M15)Catalytic Converter Replacement - Right Side (LZ9 w/RPO MT2) Catalytic Converter Replacement - Right Side (MT2).
21. Install the radiator air lower baffle. Refer to Radiator Air Lower Baffle and Deflector Replacement Radiator Air Lower Baffle and Deflector Replacement.
22. Install the engine splash shields. Refer to Engine Splash Shield Replacement - Left Side Engine Splash Shield Replacement - Left Side and Engine Splash Shield Replacement - Right Side Engine Splash Shield Replacement - Right Side.
23. Install the tire and wheel assemblies. Refer to Tire and Wheel Removal and Installation Service and Repair.
24. Lower the vehicle.
25. Remove the temporary radiator and condenser support.
26. Remove the engine support fixture.