LEMON Manuals: Even more car manuals for everyone: 1960-2025
Home >> Pontiac >> 2010 >> Solstice Base, 2D Convertible, Standard >> Repair and Diagnosis >> Body & Frame >> Fixed And MOVEABLE Windows System >> Schematic and Routing Diagrams >> Moveable Window Schematics
April 5, 2026: LEMON Manuals is launched! Read the announcement.

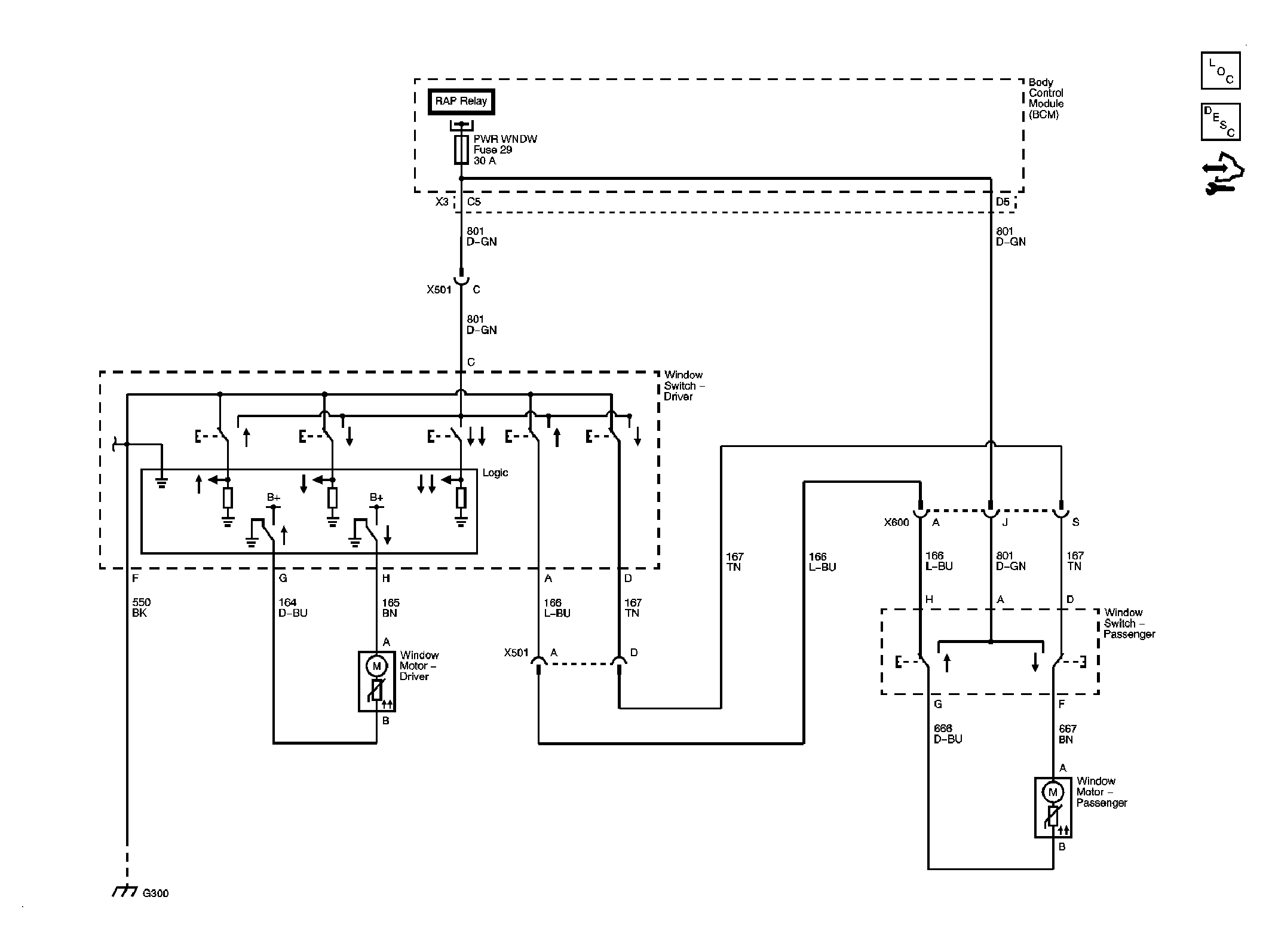
Moveable Window Schematics

Fig 1: Moveable Window Circuit Schematic
GM2225098Courtesy of GENERAL MOTORS CORP.