LEMON Manuals: Even more car manuals for everyone: 1960-2025
Home >> Saab >> 2003 >> 9-3 Vector, Automatic >> Repair and Diagnosis (Single Page) >> Accessories & Equipment >> Headlights >> Lighting And Signaling Systems (Early; 9400) >> Technical Description >> System Overview, Bus And Diagnostics Communication; System Overview, Functions, Cars With Engine Management System Trionic T7 >> System overview, functions, cars with engine management system PSG 16 >> LHD
April 5, 2026: LEMON Manuals is launched! Read the announcement.

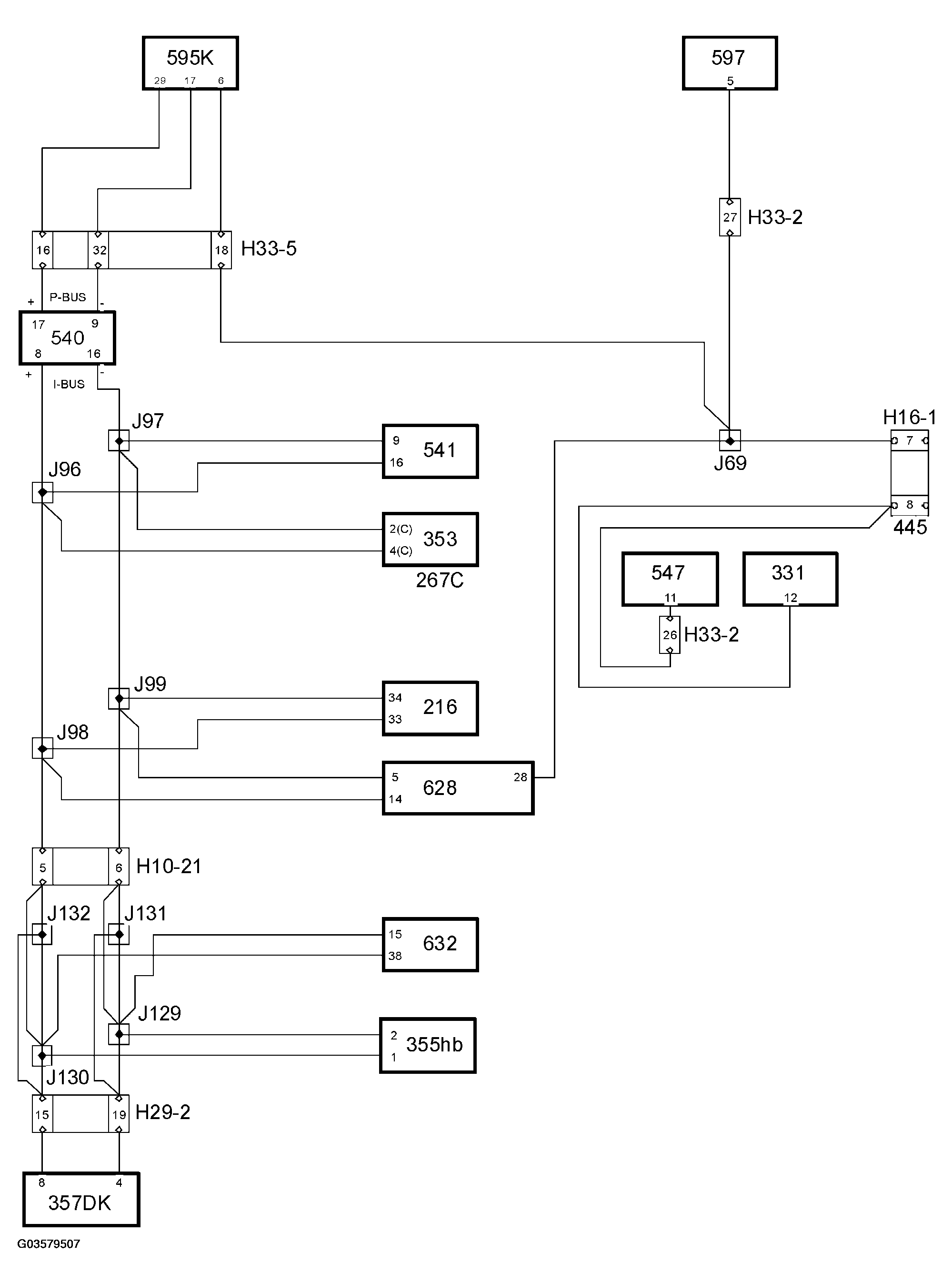
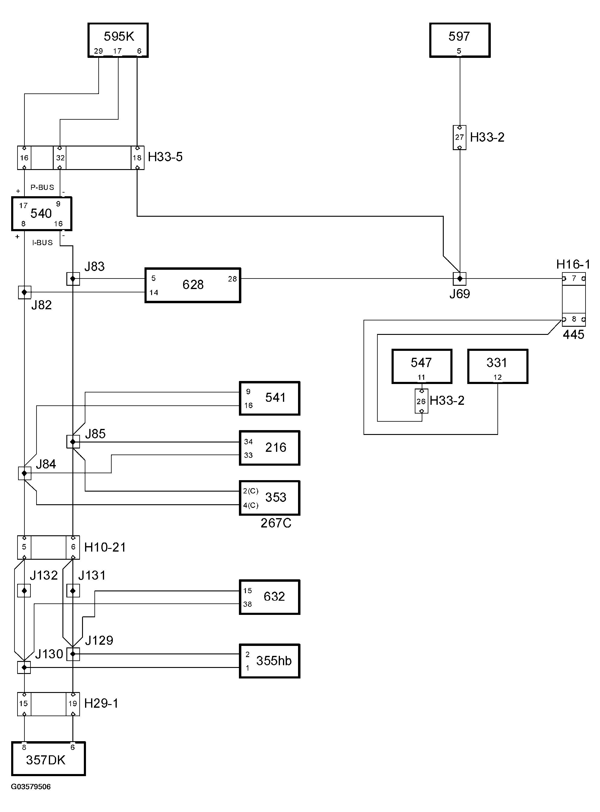
System overview, functions, cars with engine management system PSG 16: LHD

Fig 1: System Overview - Cars With PSG 16 Engine Management System - LHD
G03579506Courtesy of SAAB-SCANIA OF AMERICA, INC.
Fig 2: System Overview - Cars With PSG 16 Engine Management System - RHD
G03579507Courtesy of SAAB-SCANIA OF AMERICA, INC.