LEMON Manuals: Even more car manuals for everyone: 1960-2025
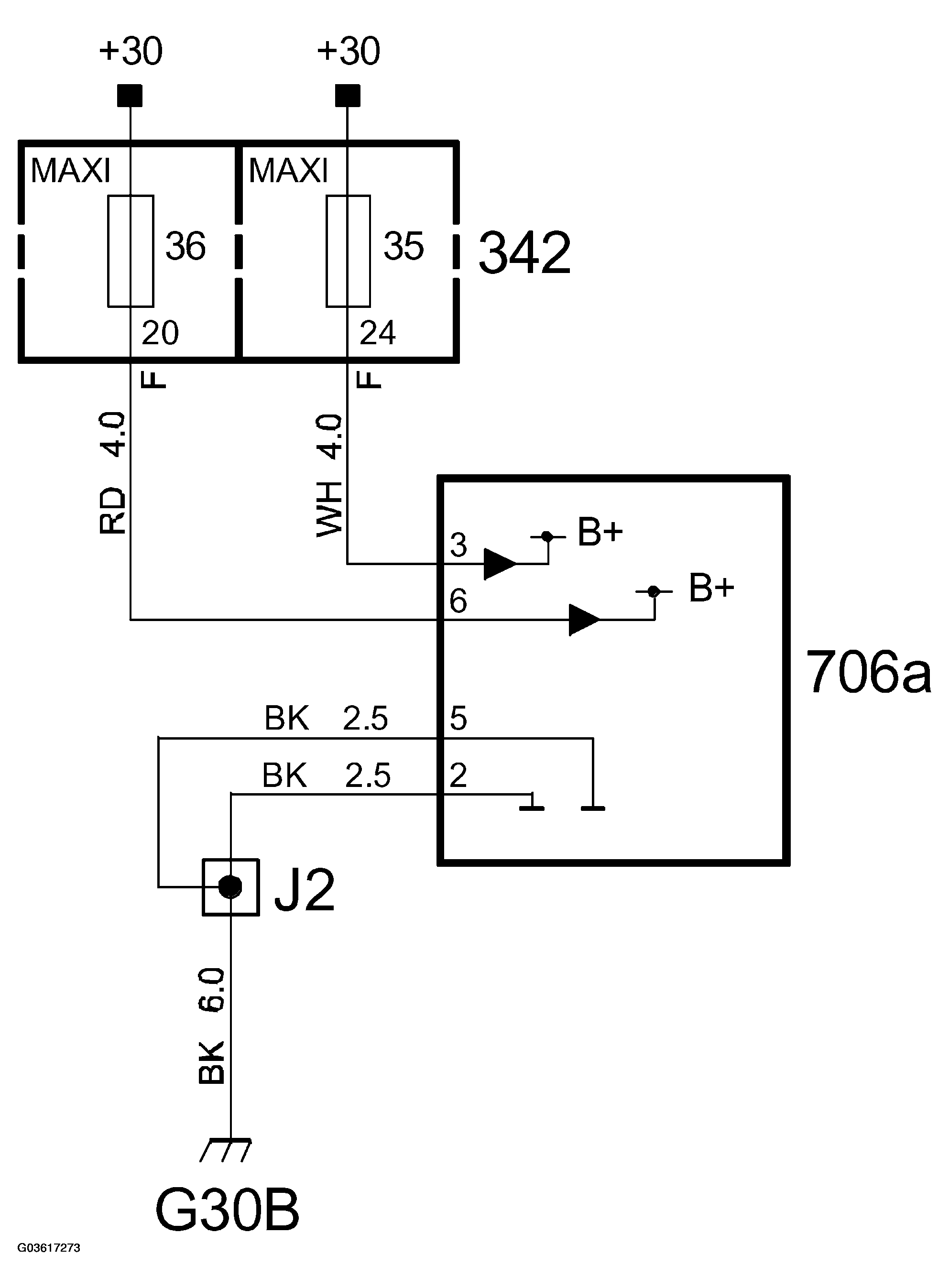
Home >> Saab >> 2003 >> 9-3 Vector, Automatic >> Repair and Diagnosis (Single Page) >> Electrical >> Body Electrical >> Control Module (Late; 9440) >> Control Module/Technical Data >> Relay unit, radiator fans (706a), B207 with two radiator fans >> Main task >> power supply
April 5, 2026: LEMON Manuals is launched! Read the announcement.

power supply

Fig 1: Power Supply Diagram
G03617273Courtesy of SAAB-SCANIA OF AMERICA, INC.