LEMON Manuals: Even more car manuals for everyone: 1960-2025
Home >> Saab >> 2004 >> 9-3 Linear, Standard >> Repair and Diagnosis >> Brakes >> Traction Control >> TC / Esp >> Technical Description >> TCS/ESP, detailed description >> ESP function >> Notes
April 5, 2026: LEMON Manuals is launched! Read the announcement.

ESP function: Notes

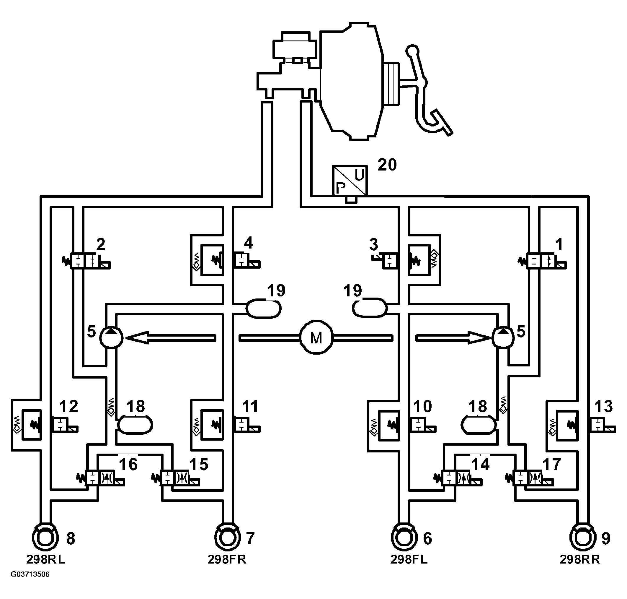
Fig 1: ESP Function - Phase
G03713506Courtesy of SAAB-SCANIA OF AMERICA, INC.
  1. 1 Pressure Increase Valve Front Left 
  2. 2 Pressure Increase Valve 
  3. 3 Pressure Relief Valve Left Front 
  4. 4 Pressure Relief Valve Front Right 
  5. 5 Pump 
  6. 6 Wheel sensor, FL 
  7. 7 Wheel sensor, FR 
  8. 8 Wheel sensor, RL 
  9. 9 Wheel sensor, RR 
  10. 10 Inlet valve, FL (ABS) 
  11. 11 Inlet valve, FR (ABS) 
  12. 12 Inlet valve, RL (ABS) 
  13. 13 Inlet valve, RR (ABS) 
  14. 14 Outlet valve, FL (ABS) 
  15. 15 Outlet valve, FR (ABS) 
  16. 16 Outlet valve, RL (ABS) 
  17. 17 Outlet valve, RR (ABS) 
  18. 18 Accumulator chamber 
  19. 19 Pressure chamber 
  20. 20 Pressure sensors