LEMON Manuals: Even more car manuals for everyone: 1960-2025
Home >> Saab >> 2004 >> 9-5 Linear, Automatic >> Repair and Diagnosis >> Brakes >> Traction Control >> Abs 5.4 >> Technical description >> Brake-light switch >> Notes
April 5, 2026: LEMON Manuals is launched! Read the announcement.

Brake-light switch: Notes

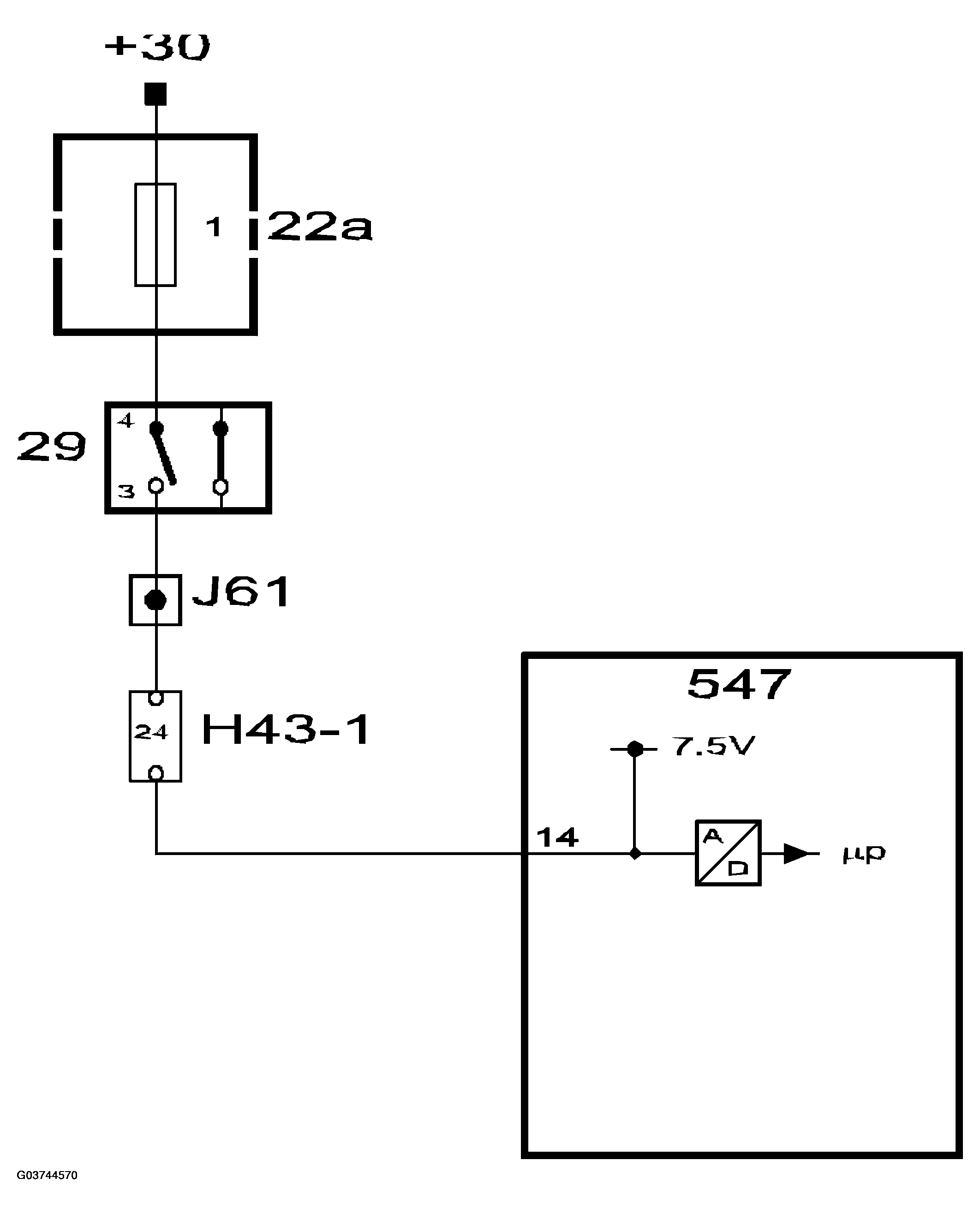
When the brake pedal is depressed, current is fed via the brake-light switch to pin 14 on the control module.

Information on the status of the brake-light switch (ON/OFF) is used by the electronic brake-force distribution function (EBD) during pump-motor testing and ABS modulation.

Each time the brake pedal is depressed, i.e. the control module receives current from the brake-light switch, ABS control reverts to the default mode.

Fig 1: Brake-Light Switch Communication Diagram
G03744569Courtesy of SAAB-SCANIA OF AMERICA, INC.
Fig 2: Circuit Diagram - Brake-Light Switch
G03744570Courtesy of SAAB-SCANIA OF AMERICA, INC.