LEMON Manuals: Even more car manuals for everyone: 1960-2025
Home >> Saab >> 2004 >> 9-5 Linear, Automatic >> Repair and Diagnosis >> Brakes >> Traction Control >> Abs 5.4 >> Technical description >> Data link
April 5, 2026: LEMON Manuals is launched! Read the announcement.

Data link

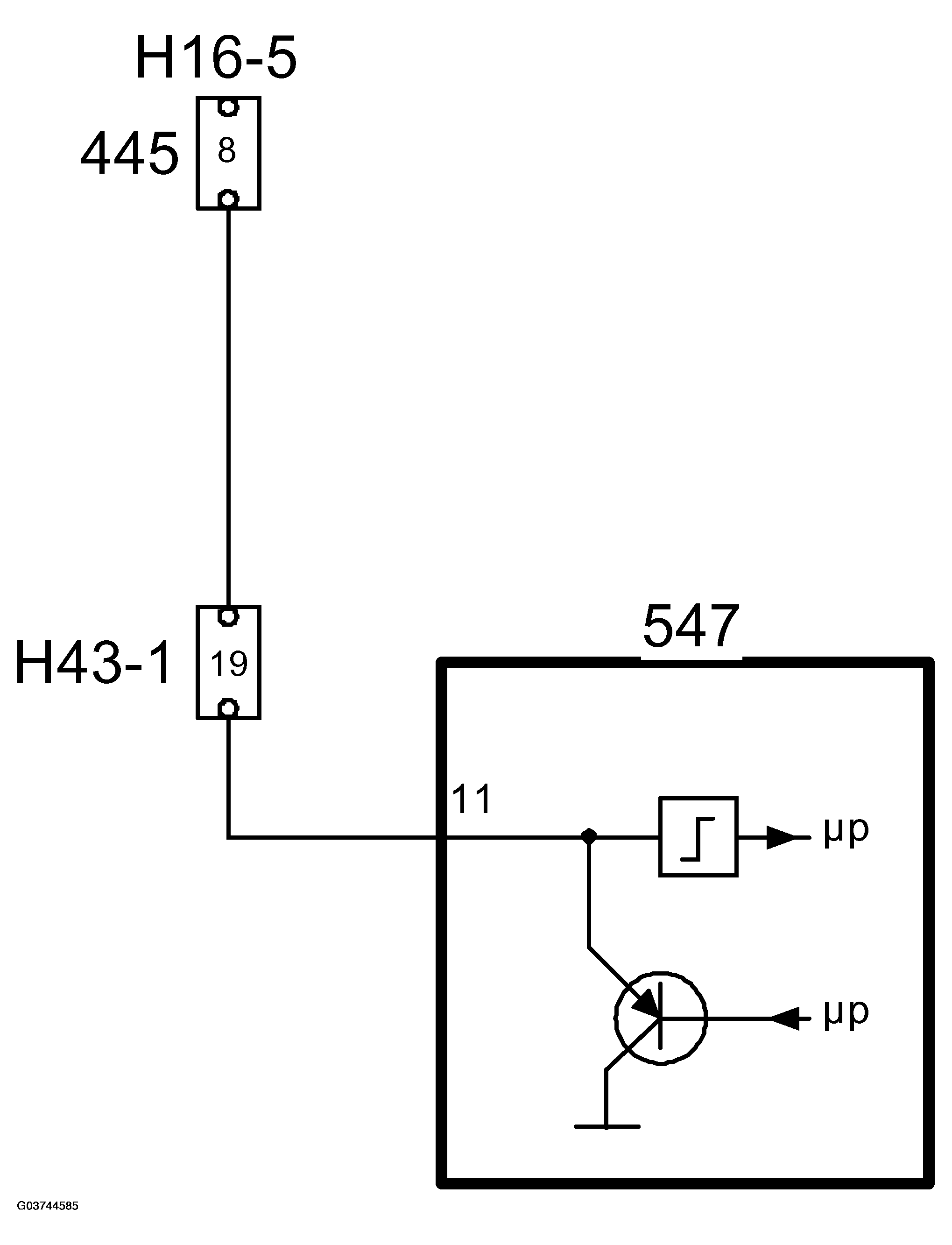
The control module communicates with the diagnostic port via pin 11.

The diagnostic port is located underneath the steering column.

Fig 1: Identifying Data Link Connector
G03744584Courtesy of SAAB-SCANIA OF AMERICA, INC.
Fig 2: Circuit Diagram - Data Link Connector
G03744585Courtesy of SAAB-SCANIA OF AMERICA, INC.