LEMON Manuals: Even more car manuals for everyone: 1960-2025
Home >> Saab >> 2004 >> 9-5 Linear, Automatic >> Repair and Diagnosis >> External Pages >> Different car >> Section 42 (Control Module (Late; 9440)) >> Technical Description >> Gear selector control module (726) >> Main use >> Activation
April 5, 2026: LEMON Manuals is launched! Read the announcement.

Main use: Activation

WARNING: This page is about a different car, the 2003 Saab 9-3. However, it is still accessible from the selected car via links, so may be relevant.

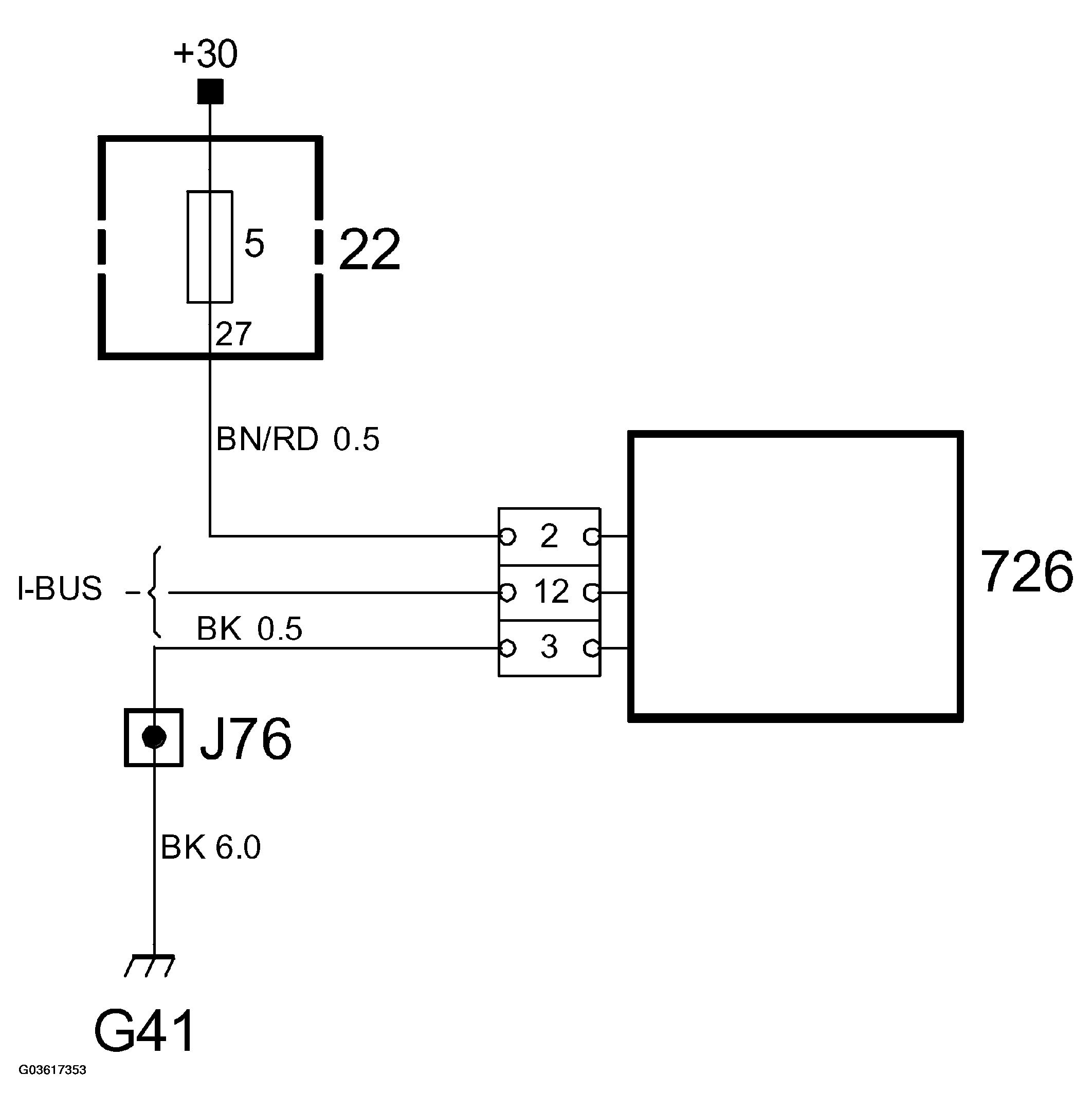
The SLM control module is powered with +30 on pin 2 from main fuse box 22, fuse 5. Grounding takes place on pin 3, grounding point G41. Bus communication (I-bus) takes place on pin 12. Communication regarding up or down shifting in position "M" takes place from pin 7 on SLM to pin 8 (A) on TCM.

Fig 1: Identifying Fuse Location
G03617352Courtesy of SAAB-SCANIA OF AMERICA, INC.
PINS DESCRIPTION

Pin no. Interface Description
2 + 30 Supply from main fuse box 22
3 ground grounding point G41
12 Bus I-bus
7   Up and down shifting to pin 8 (A) on TCM