LEMON Manuals: Even more car manuals for everyone: 1960-2025
Home >> Saab >> 2004 >> 9-5 Linear, Standard >> Repair and Diagnosis >> External Pages >> Different car >> Section 42 (Control Module (Late; 9440)) >> Technical Description >> Navigation unit (635) >> Main purpose >> Connection
April 5, 2026: LEMON Manuals is launched! Read the announcement.

Main purpose: Connection

WARNING: This page is about a different car, the 2003 Saab 9-3. However, it is still accessible from the selected car via links, so may be relevant.
PINS DESCRIPTION

Pin no. Signal type Description
10 +30  
20 Ground  
4, 5 Microphone  
1, 2 GPS or AMPS antenna  
1 O-bus Reception. Own connection
2 O-bus Transmission. Own connection
Fig 1: Identifying Fuse Location
G03617324Courtesy of SAAB-SCANIA OF AMERICA, INC.

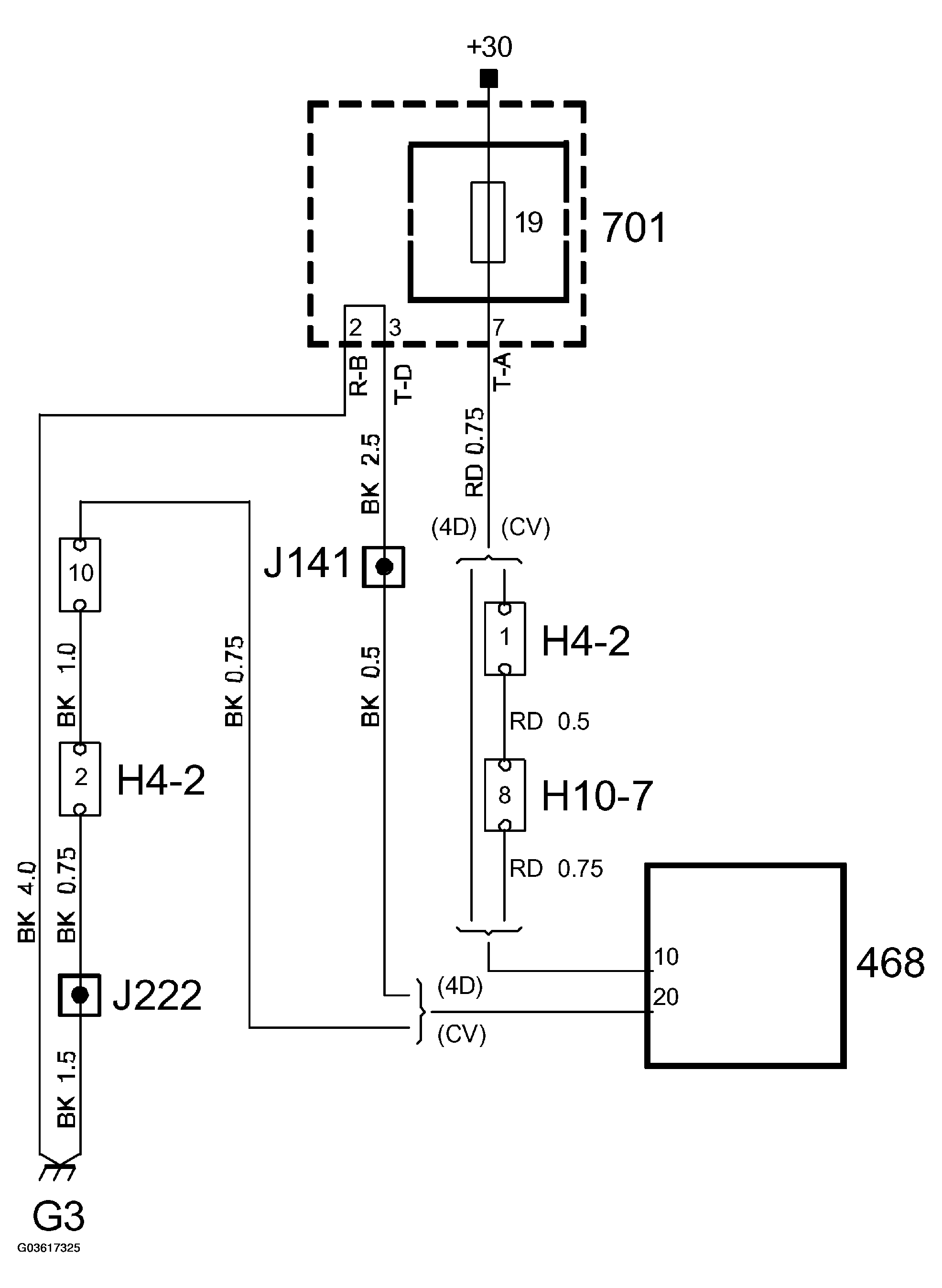
Wiring diagram

Fig 2: Navigation Unit Wiring Diagram
G03617325Courtesy of SAAB-SCANIA OF AMERICA, INC.