LEMON Manuals: Even more car manuals for everyone: 1960-2025
Home >> Saab >> 2005 >> 9-2X F4-2.5L >> Repair and Diagnosis >> Starting and Charging >> Starting System >> Ignition Lock >> Service and Repair
April 5, 2026: LEMON Manuals is launched! Read the announcement.

Ignition Lock: Service and Repair



Ignition Key Lock

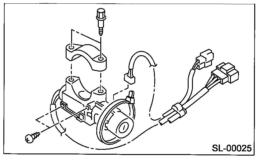
Replacement
Remove the ground cable from battery.
Remove the steering column.
Secure the steering column in a vise. Remove the bolt with a drill.







Remove the ignition key lock.
Use a new torn bolt. Tighten the torn bolt to end of thread.