LEMON Manuals: Even more car manuals for everyone: 1960-2025
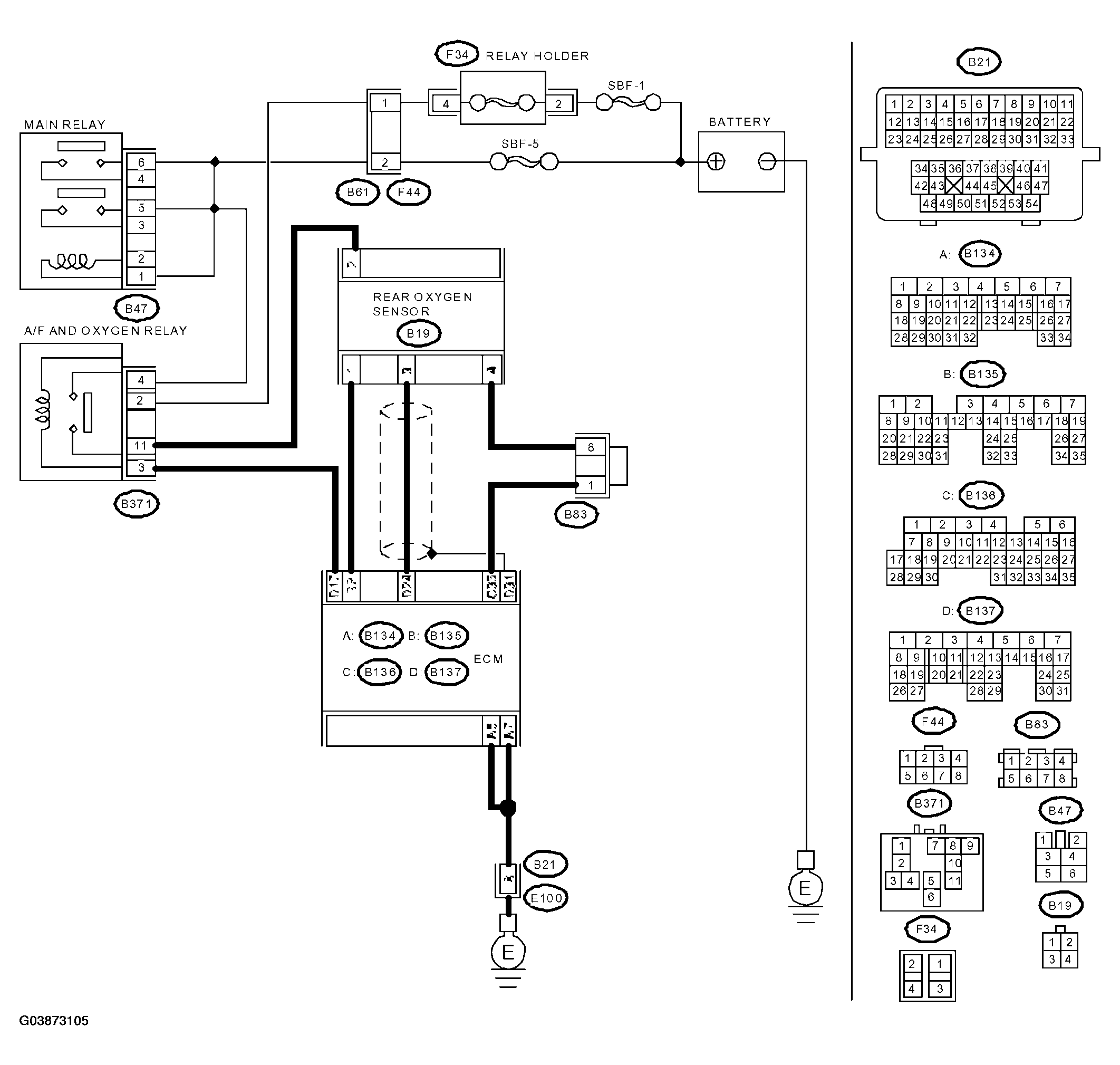
Home >> Saab >> 2005 >> 9-2X Linear, 251, Automatic >> Repair and Diagnosis >> Engine Performance >> System >> Engine (Diagnostics) - 2.5L >> Diagnostic Procedure With DTC >> DTC P0139: O2 Sensor Circuit Slow Response (Bank 1 Sensor 2) >> Wiring Diagram: >> Notes
April 5, 2026: LEMON Manuals is launched! Read the announcement.

Wiring Diagram:: Notes

Fig 1: Wiring Diagram - O2 Sensor Circuit Slow Response (Bank 1 Sensor 2)
G03873105Courtesy of SAAB-SCANIA OF AMERICA, INC.