LEMON Manuals: Even more car manuals for everyone: 1960-2025
Home >> Saab >> 2005 >> 9-2X Linear, 251, Automatic >> Repair and Diagnosis >> Engine Performance >> System >> Engine (Diagnostics) - 2.5L >> Diagnostic Procedure With DTC >> DTC P0604: Internal Control Module Random Access Memory (Ram) Error >> Wiring Diagram:
April 5, 2026: LEMON Manuals is launched! Read the announcement.

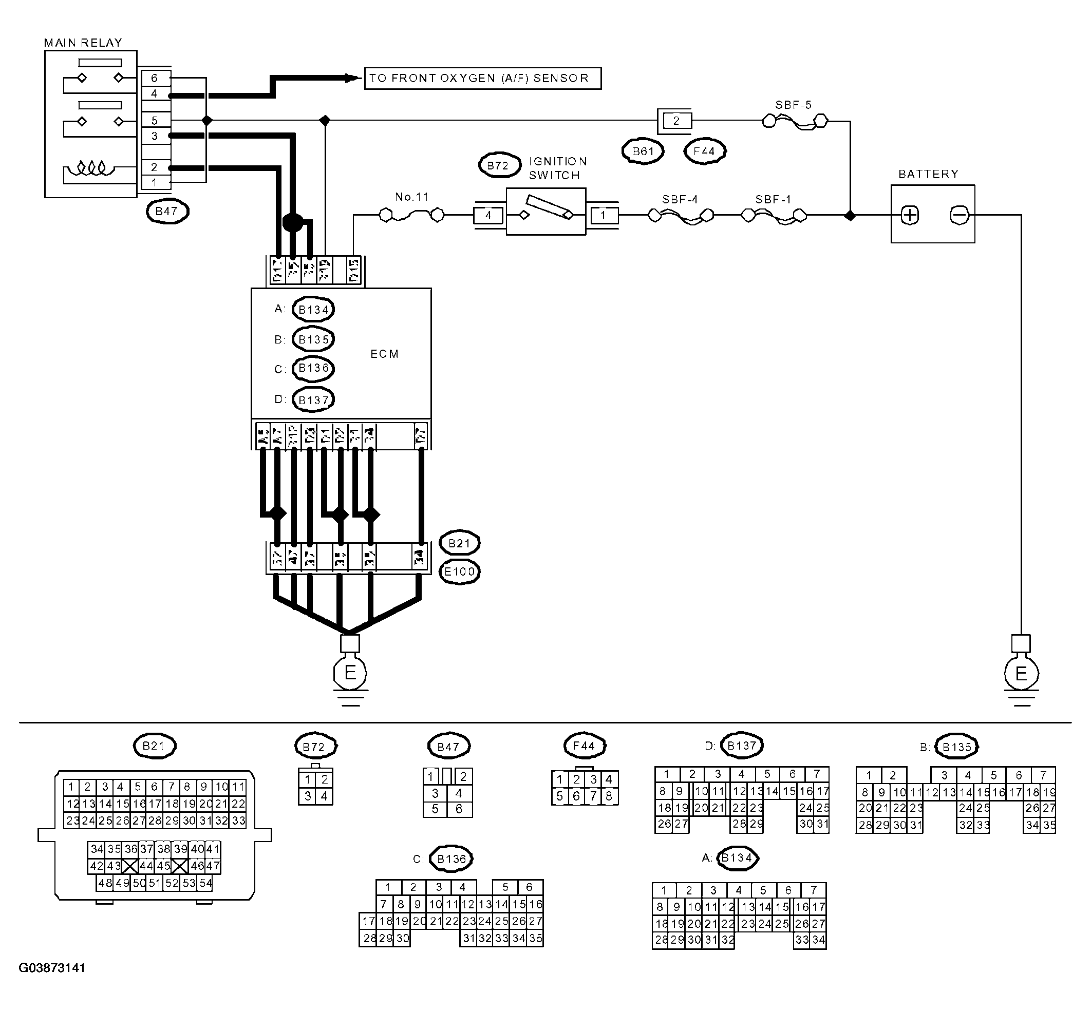
Wiring Diagram:

Fig 1: Wiring Diagram - Internal Control Module Random Access Memory (Ram) Error
G03873141Courtesy of SAAB-SCANIA OF AMERICA, INC.

CHECK ANY OTHER DTC ON DISPLAY. 

Is any other DTC displayed? 

YES 

Check the relevant DTC using the List of Diagnostic Trouble Code (DTC).

NO 

A temporary poor contact occurs.