LEMON Manuals: Even more car manuals for everyone: 1960-2025
Home >> Saab >> 2005 >> 9-2X Linear, 251, Automatic >> Repair and Diagnosis >> Engine Performance >> System >> Engine (Diagnostics) - 2.5L >> Diagnostic Procedure With DTC >> DTC P0607: Control Module Performance >> Wiring Diagram:
April 5, 2026: LEMON Manuals is launched! Read the announcement.

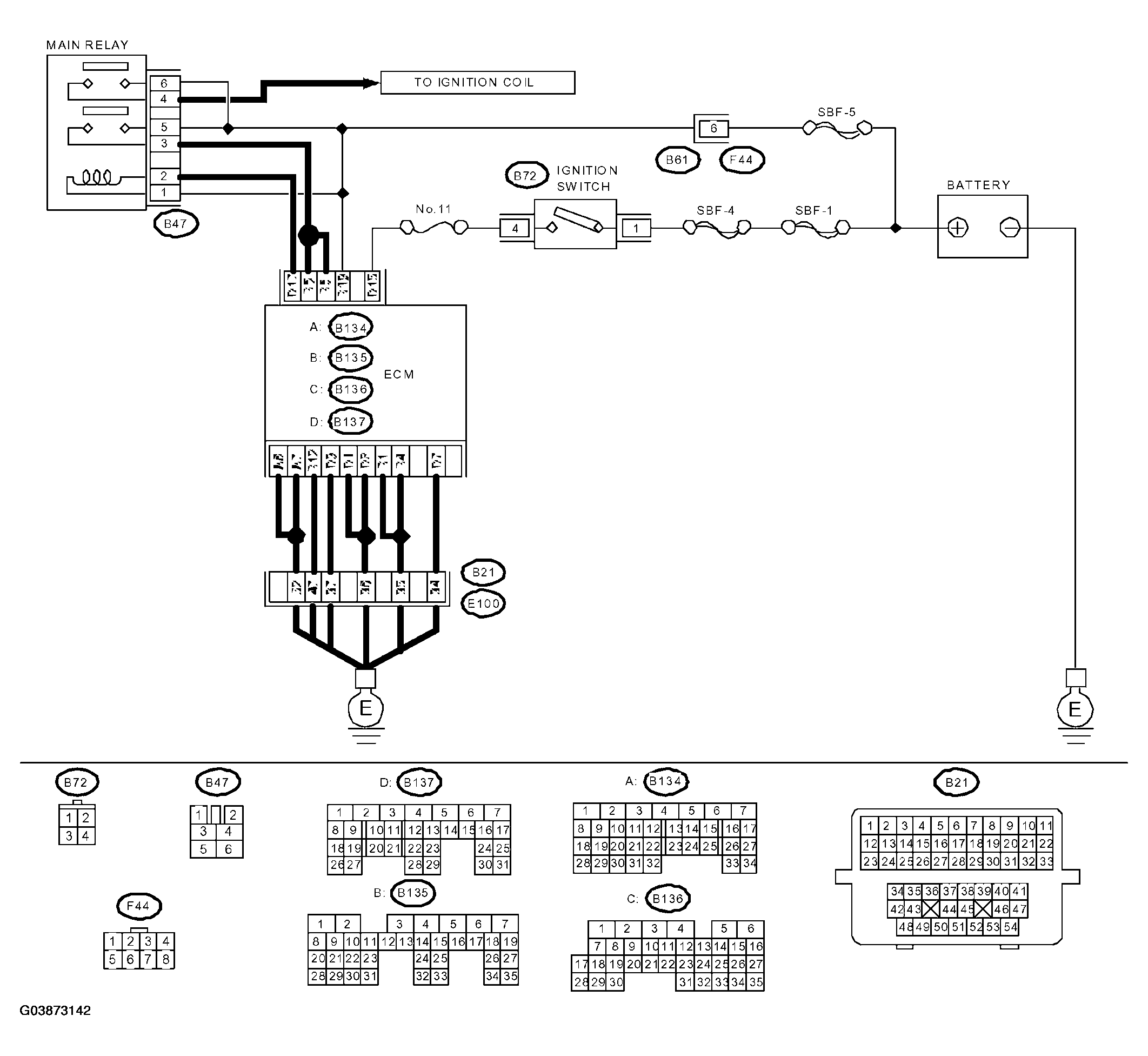
Wiring Diagram:

Fig 1: Wiring Diagram - Control Module Performance
G03873142Courtesy of SAAB-SCANIA OF AMERICA, INC.

CHECK INPUT VOLTAGE OF ECM 

Turn the ignition switch to ON.

Measure the voltage between ECM connector and ground.

Connector & terminal 

(B135) No. 5 (+) - Chassis ground (- ): 

(B135) No. 6 (+) - Chassis ground (- ): 

Is the measured value 10 - 13 V? 

YES. Go to next step. 

NO 

Repair the open circuit or ground short of power supply circuit.

CHECK INPUT VOLTAGE OF ECM 

Start the engine.

Measure the voltage between ECM connector and ground.

Connector & terminal 

(B135) No. 5 (+) - Chassis ground (- ): 

(B135) No. 6 (+) - Chassis ground (- ): 

Is the measured value 13 - 15 V? 

YES. Go to next step. 

NO 

Repair the open circuit or ground short of power supply circuit.

CHECK GROUND HARNESS OF ECM 

Measure the voltage between ECM connector and ground.

Connector & terminal 

(B137) No. 7 (+) - Chassis ground (- ): 

Is the measured value less than 1 V? 

YES 

Repair poor contact of ECM connector. If poor contact occur, replace the ECM. 

NO 

Retighten the engine ground terminal.