LEMON Manuals: Even more car manuals for everyone: 1960-2025
Home >> Saab >> 2005 >> 9-2X Linear, 251, Automatic >> Repair and Diagnosis >> Engine Performance >> System >> Engine (Diagnostics) - 2.5L >> Diagnostic Procedure With DTC >> DTC P1152: O2 Sensor Circuit Range/Performance (Low) (Bank 1; Sensor 1) >> Wiring Diagram:
April 5, 2026: LEMON Manuals is launched! Read the announcement.

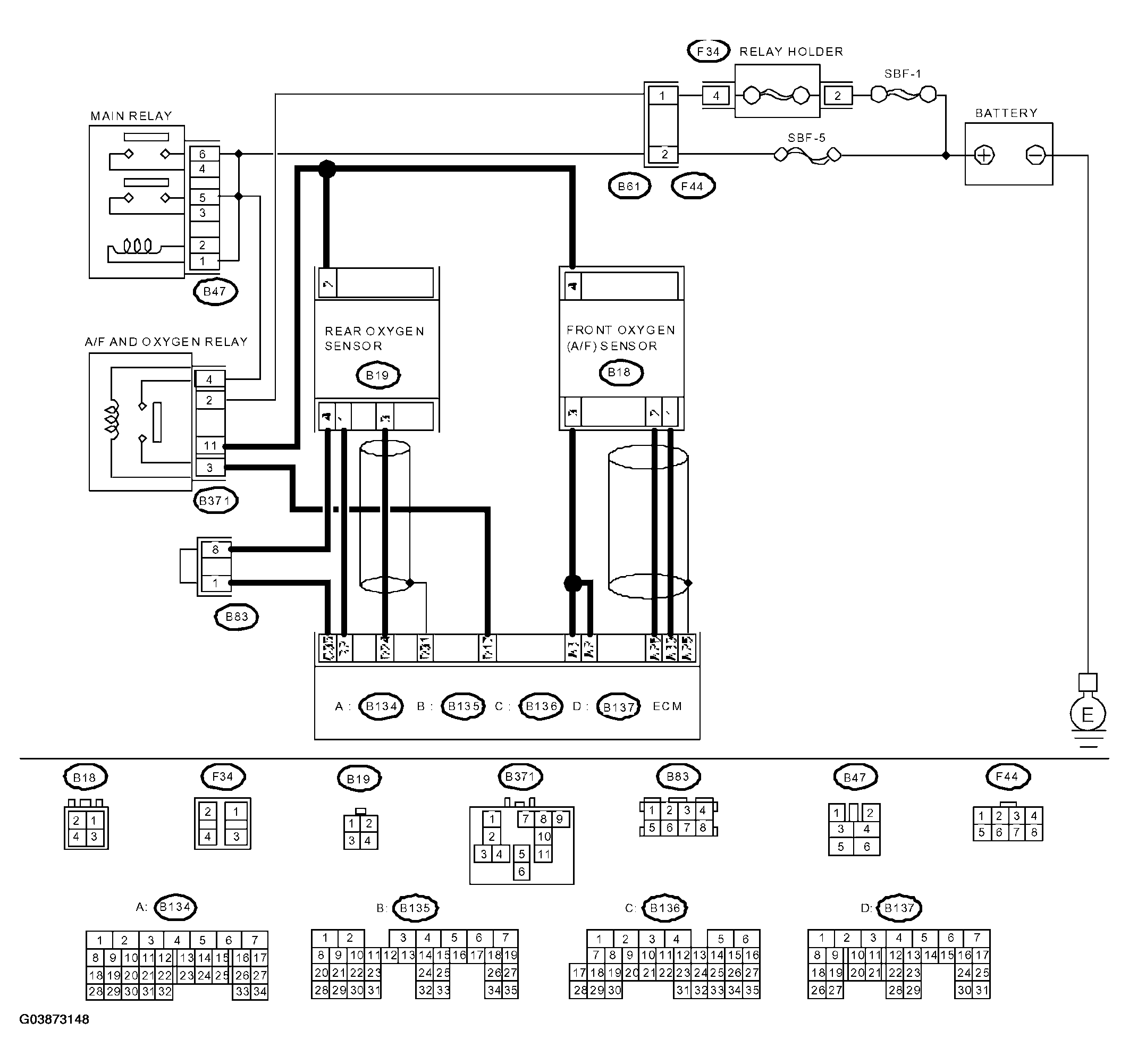
Wiring Diagram:

Fig 1: Wiring Diagram - O2 Sensor Circuit Range/Performance (Low) (Bank1 Sensor1)
G03873148Courtesy of SAAB-SCANIA OF AMERICA, INC.

CHECK HARNESS BETWEEN ECM & FRONT OXYGEN (A/F) SENSOR CONNECTOR. 

Turn the ignition switch to OFF.

Disconnect the connectors from ECM and front oxygen (A/F) sensor connector.

Measure the resistance of harness between ECM and front oxygen (A/F) sensor connector.

Connector & terminal 

(B134) No. 26 - (E47) No. 2: 

(B134) No. 33 - (E47) No. 1: 

Is the measured value less than 1 O?

YES. Go to next step. 

NO 

CHECK POOR CONTACT. 

Check poor contact in front oxygen (A/F) sensor connector.

Is there poor contact in front oxygen (A/F) sensor connector? 

YES 

Repair the poor contact in front oxygen (A/F) sensor connector.

NO 

Replace the front oxygen (A/F) sensor.