LEMON Manuals: Even more car manuals for everyone: 1960-2025
Home >> Saab >> 2005 >> 9-2X Linear, 251, Automatic >> Repair and Diagnosis >> Engine Performance >> System >> Engine (Diagnostics) - 2.5L >> Fault Diagnosis, General >> Diagnostics For Engine Starting Failure >> Check Power Supply & Ground Line Of Engine Control Module (ECM) >> Wiring Diagram: >> Notes
April 5, 2026: LEMON Manuals is launched! Read the announcement.

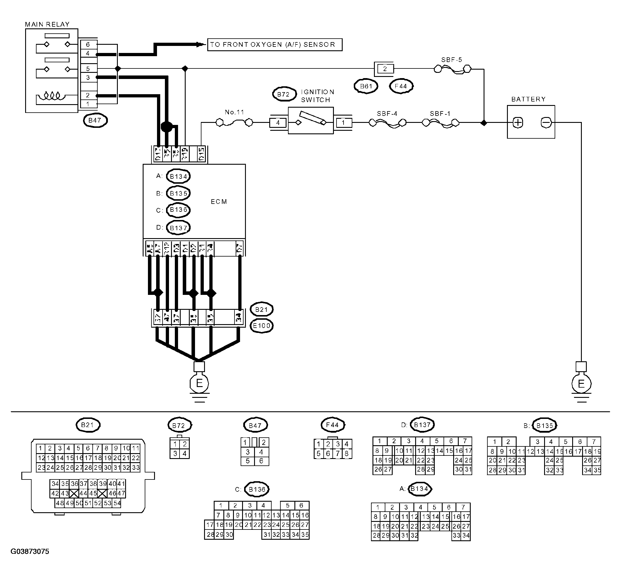
Wiring Diagram:: Notes

Fig 1: Wiring Diagram - Power Supply & Ground Line Of Engine Control Module (ECM)
G03873075Courtesy of SAAB-SCANIA OF AMERICA, INC.