LEMON Manuals: Even more car manuals for everyone: 1960-2025
Home >> Saab >> 2005 >> 9-5 Linear, Automatic >> Repair and Diagnosis >> Engine Performance >> TRIONIC T7 Fuel Control System, 4-CYL. >> Technical Description >> Control Module Power Supply >> Diagnosis
April 5, 2026: LEMON Manuals is launched! Read the announcement.

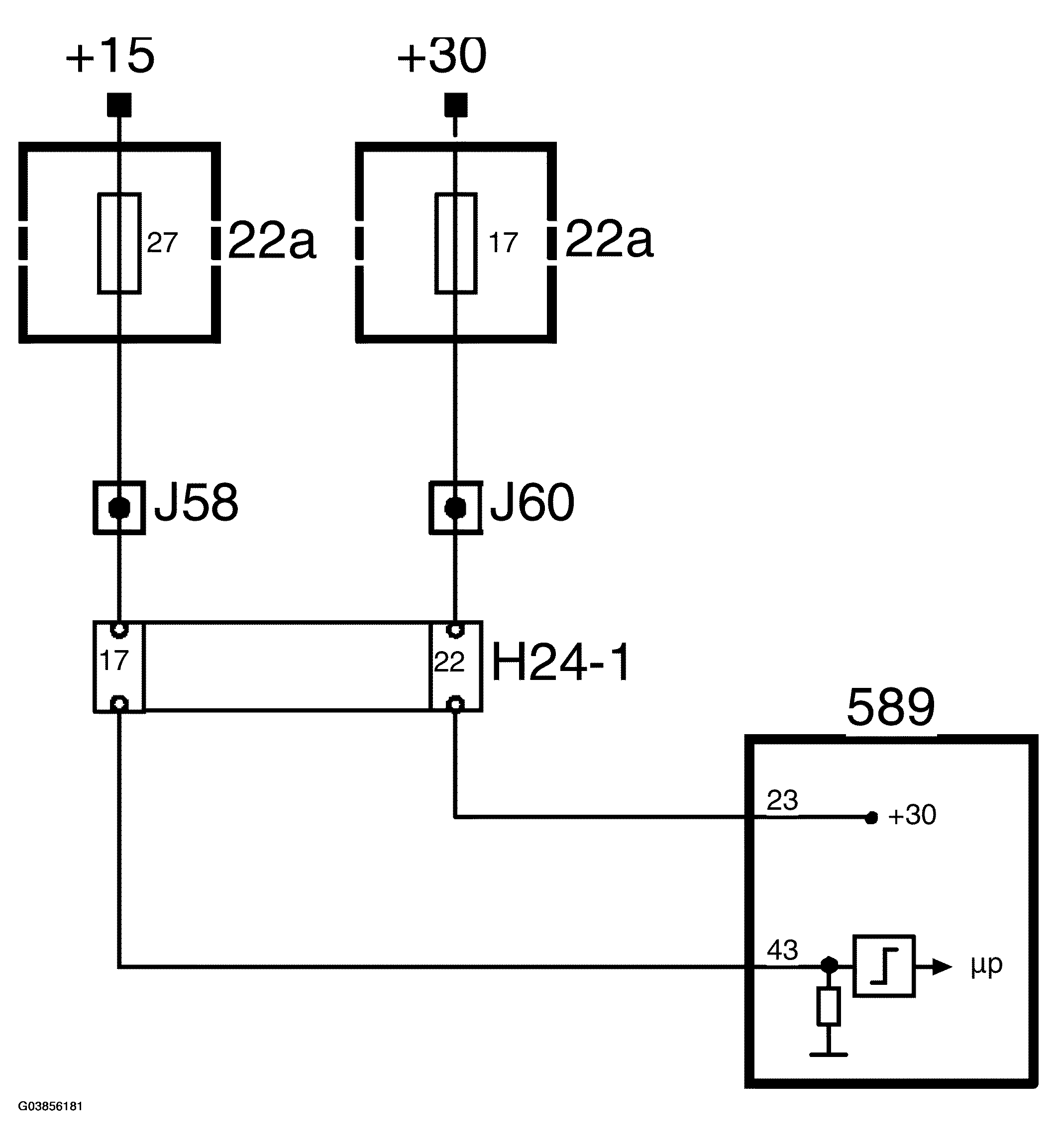
Control Module Power Supply: Diagnosis