LEMON Manuals: Even more car manuals for everyone: 1960-2025
Home >> Saab >> 2005 >> 9-5 Linear, Automatic >> Repair and Diagnosis >> Engine Performance >> TRIONIC T7 Fuel Control System, 4-CYL. >> Technical Description >> Crankshaft Position Sensor >> Notes
April 5, 2026: LEMON Manuals is launched! Read the announcement.

Crankshaft Position Sensor: Notes

Fig 1: Crankshaft Position Sensor - Communication Diagram
G03856187Courtesy of SAAB-SCANIA OF AMERICA, INC.
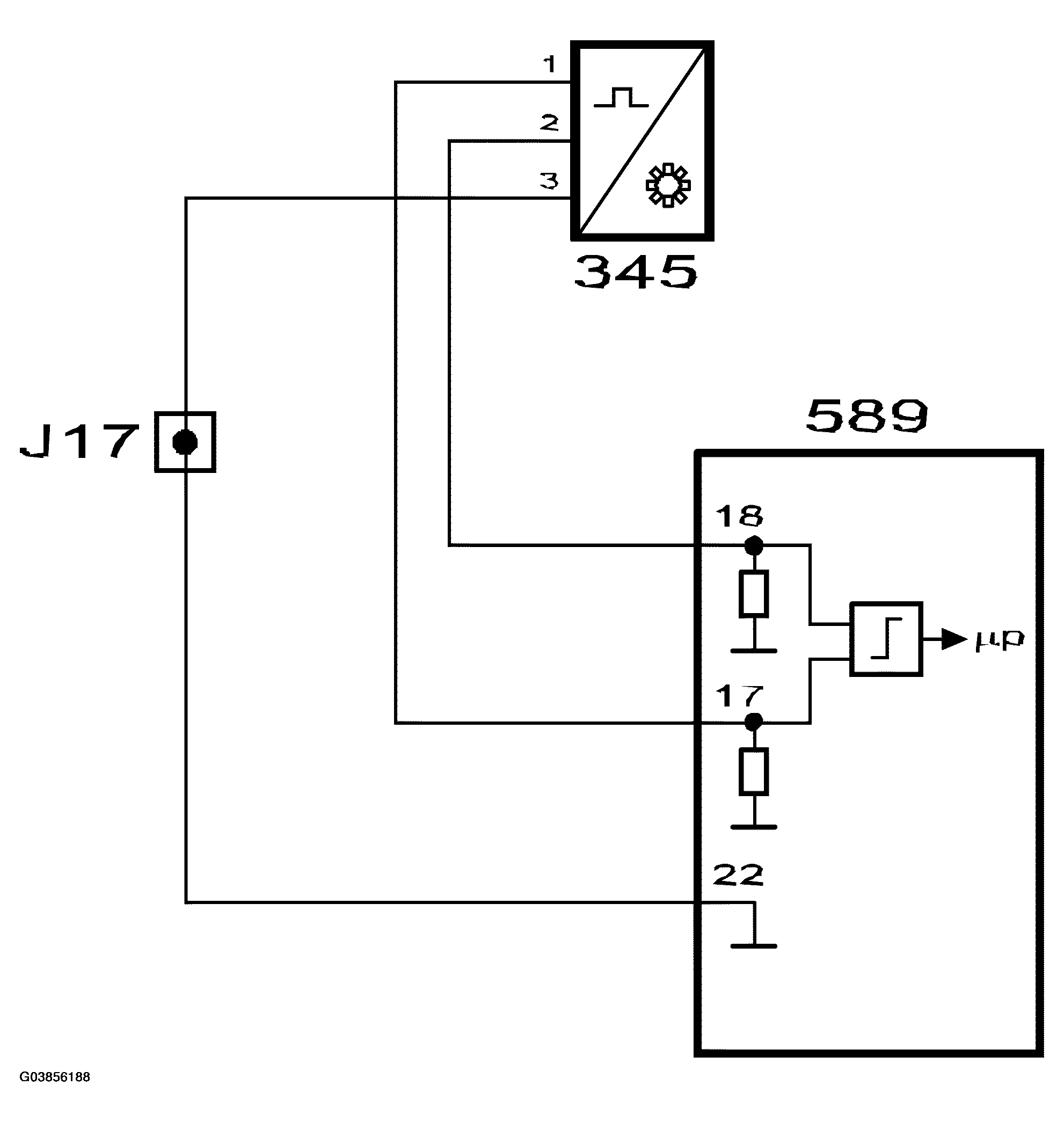
Fig 2: Crankshaft Position Sensor - Circuit Diagram
G03856188Courtesy of SAAB-SCANIA OF AMERICA, INC.

The control module receives information on the position and speed of the crankshaft on pins 17 and 18 from the crankshaft position sensor.

There is a slotted ring with 58 ribs on the crankshaft. The sensor is of the inductive type and is fitted to the wall of the engine crankcase. The distance between the sensor and the slotted ring is between 0.4-1.3 mm and is not adjustable.

The sensor functions like a generator and delivers a sinus-wave alternating voltage. By measuring the frequency, the control module can determine the engine speed. There are 2 ribs missing after the 58th one. When rib 1 then passes the sensor, the control module knows that the crankshaft is 117° before top dead center (BTDC).

The voltage from the crankshaft position sensor varies with the engine speed. At idling speed, the voltage is 5-10 V (AC) and at 2500 RPM, 15-20 V (AC). However, it is the frequency and not the voltage that is of interest to the control module.

As soon as the control module receives pulses from the crankshaft position sensor, it will ground the fuel pump relay.

Sensor resistance is 860+/-90 ohms.

Engine speed is used to:

The crankshaft angle is used to calculate when angle-related functions should be activated, such as ignition, injection and knock detection.