LEMON Manuals: Even more car manuals for everyone: 1960-2025
Home >> Saab >> 2005 >> 9-5 Linear, Standard >> Repair and Diagnosis (Single Page) >> Engine Performance >> TRIONIC T7 Fuel Control System, 4-CYL. >> Fault Diagnosis, Fault Codes >> P0501: Vehicle Speed Input Signal Outside Limits >> Notes
April 5, 2026: LEMON Manuals is launched! Read the announcement.

P0501: Vehicle Speed Input Signal Outside Limits: Notes

Fig 1: Vehicle Speed - Circuit Diagram (Input Signal Outside Limits)
G03855952Courtesy of SAAB-SCANIA OF AMERICA, INC.
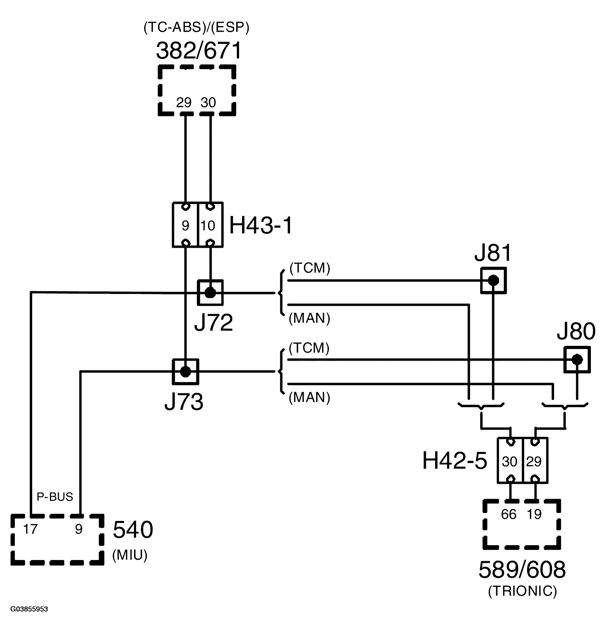
Fig 2: Vehicle Speed - Connection Diagram (Input Signal Outside Limits)
G03855953Courtesy of SAAB-SCANIA OF AMERICA, INC.