LEMON Manuals: Even more car manuals for everyone: 1960-2025
Home >> Saab >> 2005 >> 9-5 Linear, Standard >> Repair and Diagnosis (Single Page) >> Engine Performance >> TRIONIC T7 Fuel Control System, 4-CYL. >> Fault Diagnosis, Fault Codes >> P0502: Vehicle Speed No Input Signal >> Notes
April 5, 2026: LEMON Manuals is launched! Read the announcement.

P0502: Vehicle Speed No Input Signal: Notes

Fig 1: Vehicle Speed - Circuit Diagram (No Input Signal)
G03855954Courtesy of SAAB-SCANIA OF AMERICA, INC.
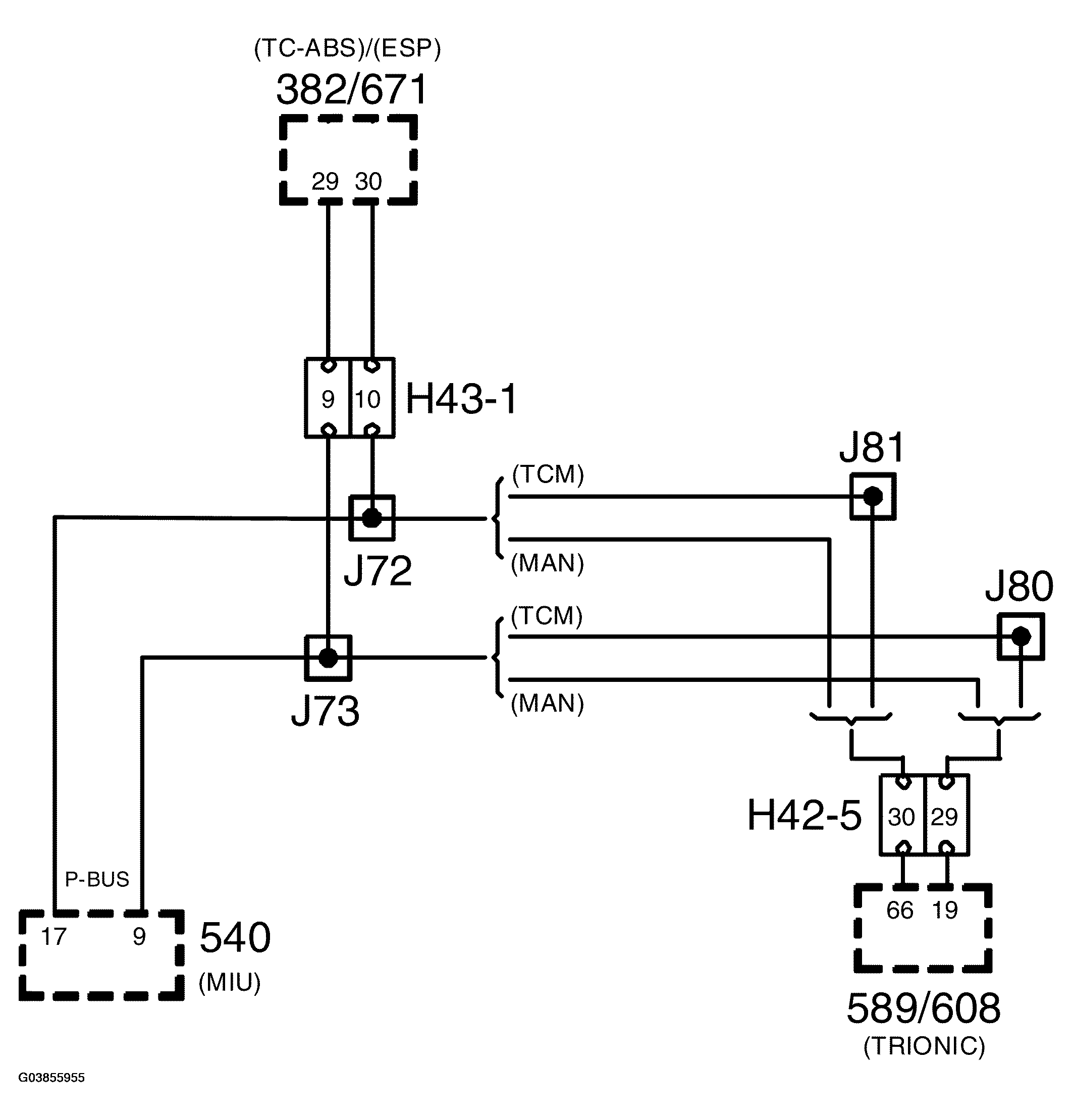
Fig 2: Vehicle Speed - Connection Diagram (No Input Signal)
G03855955Courtesy of SAAB-SCANIA OF AMERICA, INC.