LEMON Manuals: Even more car manuals for everyone: 1960-2025
Home >> Saab >> 2005 >> 9-5 Linear, Standard >> Repair and Diagnosis (Single Page) >> Engine Performance >> TRIONIC T7 Fuel Control System, 4-CYL. >> Technical Description >> Speed, Bus From Esp >> Notes
April 5, 2026: LEMON Manuals is launched! Read the announcement.

Speed, Bus From Esp: Notes

Fig 1: Speed, Bus From ESP - Communication Diagram
G03856199Courtesy of SAAB-SCANIA OF AMERICA, INC.
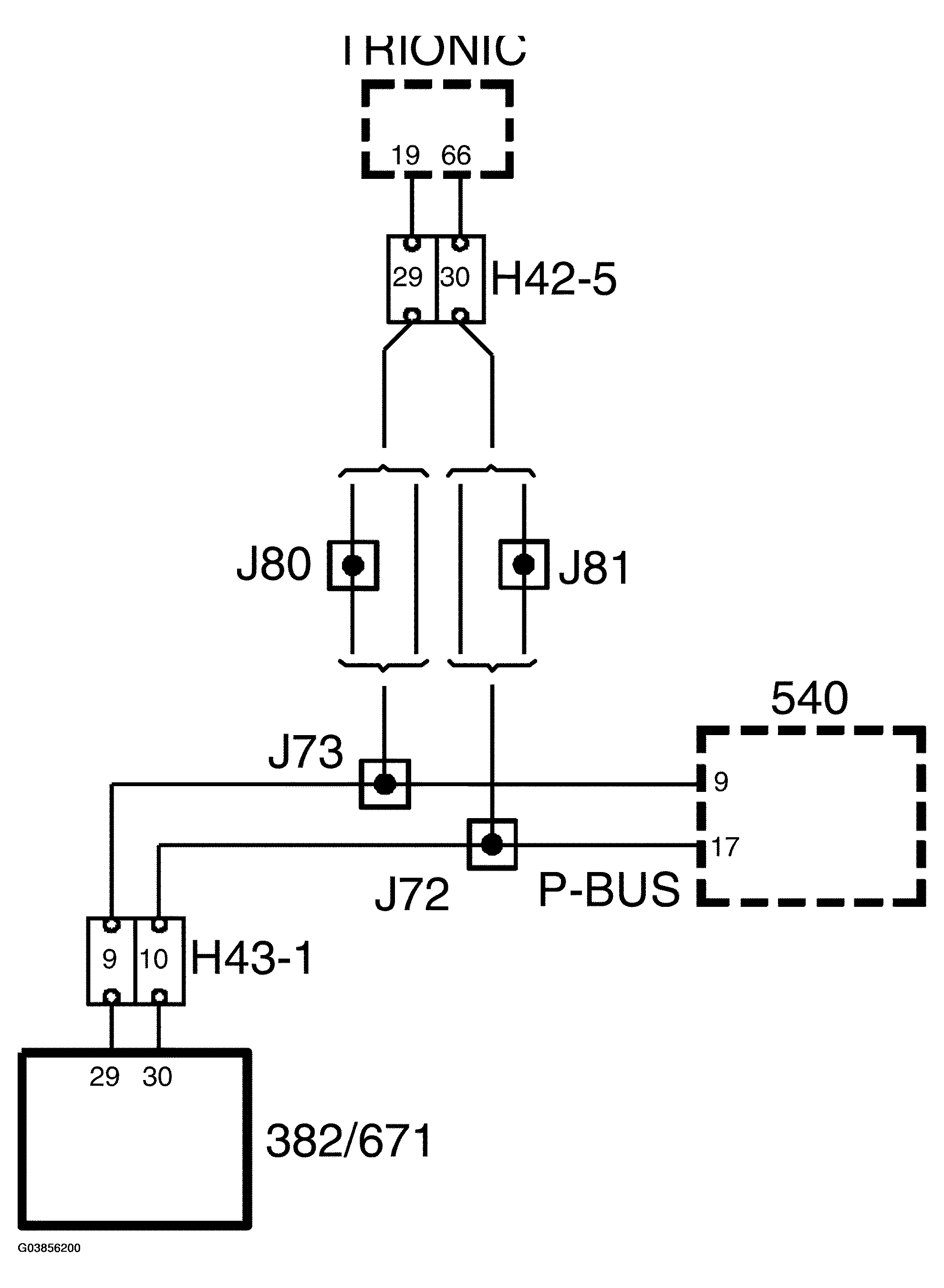
Fig 2: Speed, Bus From ESP - Circuit Diagram
G03856200Courtesy of SAAB-SCANIA OF AMERICA, INC.

ESP control module sends the bus message "Wheel speed, front right, XXX km/h" via the P-bus to the Trionic control module pins 19 and 66. This speed signal is used to: