LEMON Manuals: Even more car manuals for everyone: 1960-2025
Home >> Saab >> 2005 >> 9-5 Linear, Standard >> Repair and Diagnosis (Single Page) >> Engine Performance >> TRIONIC T7 Fuel Control System, 4-CYL. >> Technical Description >> System Diagram - Intake, Turbo, Exhaust - 4-CYL.
April 5, 2026: LEMON Manuals is launched! Read the announcement.

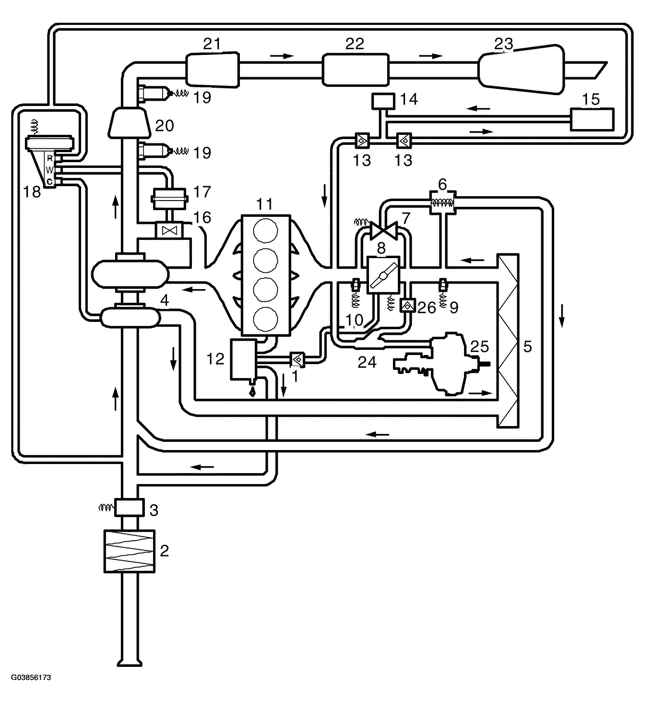
System Diagram - Intake, Turbo, Exhaust - 4-CYL.

Fig 1: Intake, Turbo, Exhaust - 4-Cyl - System Diagram
G03856173Courtesy of SAAB-SCANIA OF AMERICA, INC.
  1. Check valve
  2. Filter element
  3. Mass air flow sensor
  4. Turbocharger
  5. Charge air cooler
  6. Bypass valve
  7. Solenoid valve
  8. Throttle body
  9. Charge air absolute pressure sensor/Intake air temperature sensor
  10. Manifold absolute pressure sensor
  11. Engine
  12. Crankcase ventilation oil trap
  13. Check valves
  14. Purge valve
  15. EVAP canister
  16. Wastegate valve
  17. Charge air regulator
  18. Charge Air Control Valve
  19. Oxygen sensor
  20. Primary catalytic converter
  21. Main catalytic converter
  22. Front silencer
  23. Rear silencer
  24. Brake vacuum strengthener
  25. Brake servo
  26. Check valve