LEMON Manuals: Even more car manuals for everyone: 1960-2025
Home >> Saab >> 2011 >> 9-3X Automatic >> Repair and Diagnosis >> Engine Performance >> Fuel Delivery >> Fuel System >> Specifications >> Ethanol sensor >> Connection
April 5, 2026: LEMON Manuals is launched! Read the announcement.

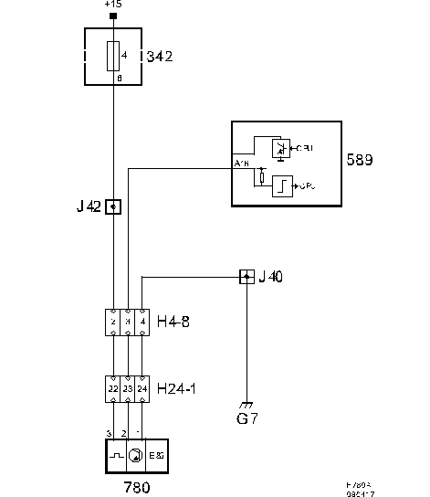
Ethanol sensor: Connection

Fig 1: Ethanol Sensor Circuit
G00491363Courtesy of SAAB-SCANIA OF AMERICA, INC.
Ethanol Sensor Pin Identification

Pin Signal Type Description
1 Ground Sensor ground to grounding point G7 via J40
2 Square wave with varying frequency The sensor's signal to the ECM, the square wave's frequency varies with the current ethanol content in the fuel.
3 Power supply +15 Sensor voltage supply +15 from fuse 8 in 342