LEMON Manuals: Even more car manuals for everyone: 1960-2025
Home >> Saturn >> 1992 >> SL2 Standard >> Repair and Diagnosis >> Engine Performance >> System >> Engine Controls - System/Component Tests >> Wiring Diagrams
April 5, 2026: LEMON Manuals is launched! Read the announcement.

Wiring Diagrams

Fig 1: PCM Wiring Diagram (1 of 2), 1.9L VIN 7
G92E05815
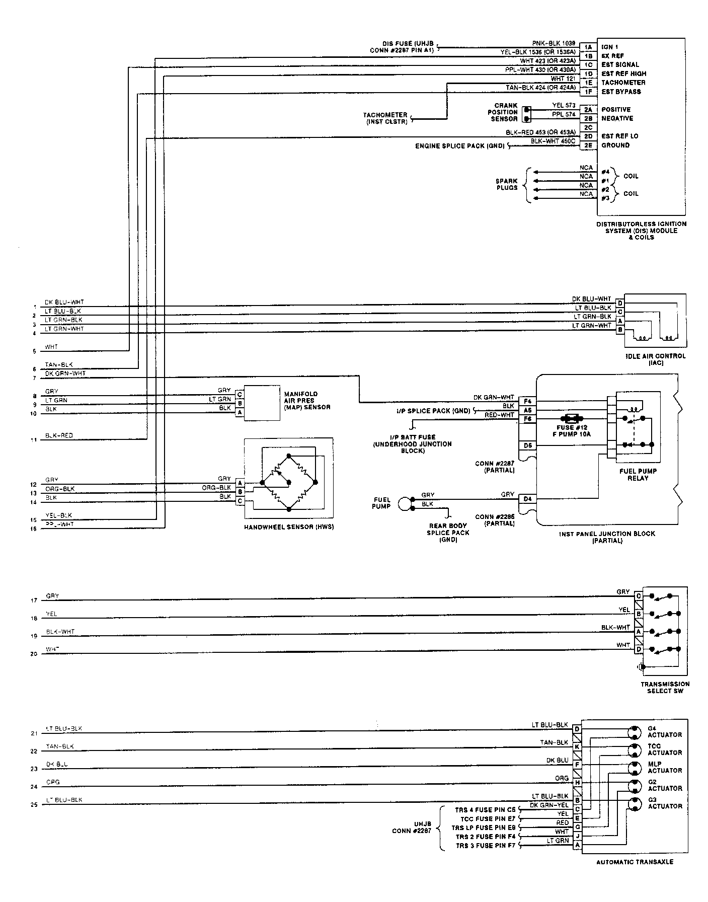
Fig 2: PCM Wiring Diagram (2 of 2), 1.9L VIN 7
G92G05816
Fig 3: PCM Wiring Diagram (1 of 2), 1.9L VIN 9
G92I05817
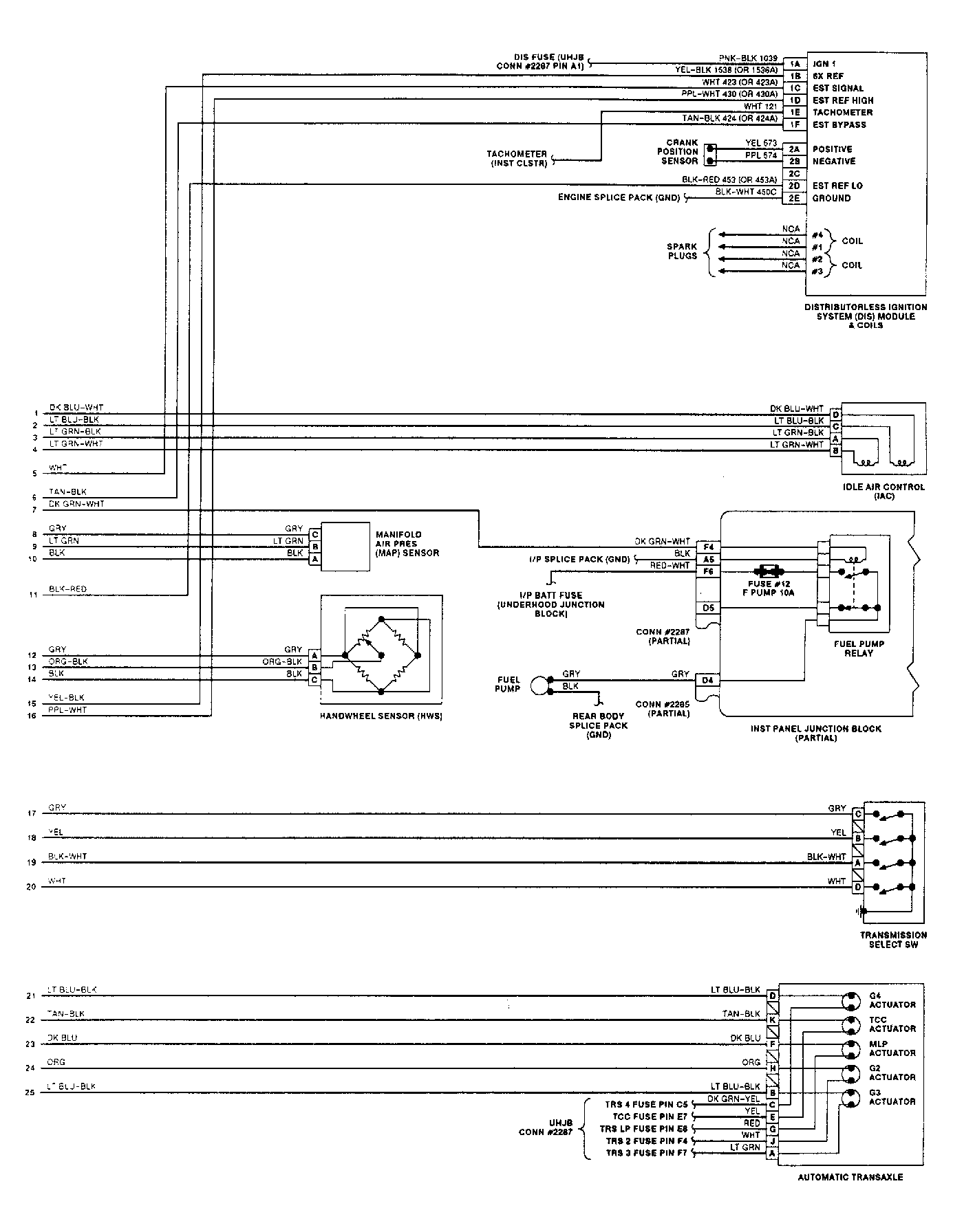
Fig 4: PCM Wiring Diagram (2 of 2), 1.9L VIN 9
G92A05818