LEMON Manuals: Even more car manuals for everyone: 1960-2025
Home >> Saturn >> 2001 >> L100 L4-2.2L VIN F >> Repair and Diagnosis >> Diagrams >> Exploded Views >> Engine >> Engine Block and Components
April 5, 2026: LEMON Manuals is launched! Read the announcement.

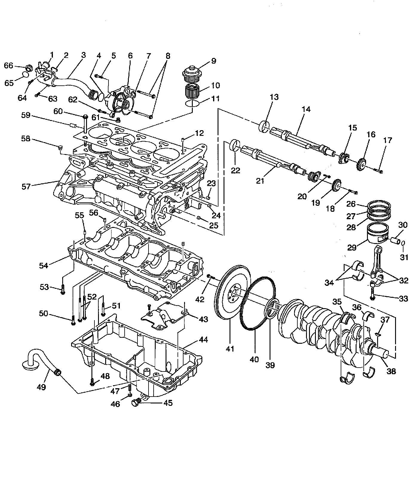
Engine Block and Components

ENGINE BLOCK AND COMPONENTS





Part 1 of 2





Part 2 of 2